一、无声故障检修
目前高档音响多设有频谱显示功能,在检修无声故障时,可借此判断故障部位。机内信号的走向为:从前置放大或收(拾)音板输出的音频信号,经功能开关转换后,由电容耦合至音调调节板。一路输出给功放级放大,并推动音箱;另一路则输出给频谱显示驱动电路,显现节目内容中的频率成份。在检修无声故障时,如果有交错变化的频率显示,则说明小信号放大电路、功能开关、音调调节等电路工作正常,故障出在功放级及供电电路,反之,则应检查小信号处理及信号转换电路。
图1为星球XQ9018电源功放原理图。

例一:走带及频谱显示正常,但两声道均无声。首先检查功放级,测6N2各管脚电压,发现⑧、⑩脚无电压,其余各脚基本正常。断开⑧、⑩脚,测外围阻值,无短路现象,判断⑧、⑩脚无电压系块内故障所至,更换TDA2009,开机工作正常。
例二:走带正常,但无声音,亦无频谱显示。初步判断故障出在小信号处理电路,原因可能是:(1)功能开关接触有问题;(2)6N2无输出电压,收、放各电路不能工作;(3)音调调节电路有问题;(4)收、放电路同时存在故障。首先对易损件6N2进行检查,发现输入端电压正常,输出端却无电压,更换7812,开机工作正常。
二、放音有“喀啦”干扰声故障检修
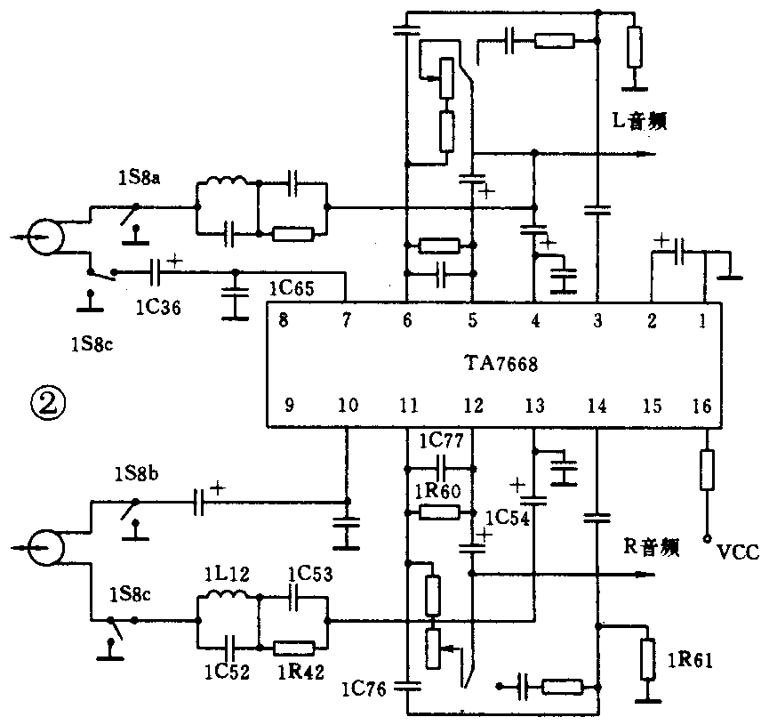
图2为星球XQ9018音响录放音原理图。

故障分析与检修:收、拾音正常,只是放音有干扰,说明故障出在放音特有电路,即TA7668及外接元器件和相应开关上,可用断开法依次断开、⑩脚,若放音消失,干扰声也消失,则说明干扰源在断开处之前,反之在其后。
例一:两声道均有较大的“喀啦”干扰声,首先测量TA7668各脚电压,若基本正常,接着用断开法先断开TA7668音频信号输出端脚,右声道放者消失,“喀啦”声也消失;再断开音频信号输入端⑩脚,左声道放音消失,但仍有较大的“喀啦”声。因此,初步判断干扰源在⑩脚之后,脚之前,而这之间的元器件仅有1C77、1C76、1R60及TA7688。又由于两声道均有干扰声,故此,故障又很可能在相应的公共部分,那就是TA7668集成块,更换TA7668,故障即消失。
例二:仅右声道“喀啦”干扰声。用同样方法断开右声道的音频信号输出端和输入端即⑤、⑦两脚,当断到⑦脚时放音和干扰同时消失,估计故障出在此之前。首先断开1C65检查,发现此时放音正常,干扰声消失,更换1500pF电容后,开机工作正常。
三、不录音故障检修
故障现象:放音正常,不能录音,但能抹音。
故障分析与检修:该机采用TA7668为前置放大电路,录音电路只是在放音电路的基础上,通过录放开关转换,为TA7668内部的录音放大电路提供通路,由TA7668脚的外接1C54、1L12、1C53等组成一回路,别无区别,故可判断故障出在TA7668或脚外接元器件上。首先测量录音状态下TA7668的各脚电压,均有较大幅度的摆动,断开脚,再测其空脚电压,上升为4V,虽偏高但稳定。接着测其它各脚,电压均恢复正常。进一步检查1C54、1L12、1C53等脚外接元件,均未发现异常,由此判断故障出在TA7668本身,更换后故障消失。(蒋秀欣)