逐级检查法是电子线路故障寻找的基本方法之一。根据信号流向、各工作级的功能、元器件的工作点即可准确、迅速地找出故障点。但是,对于开关电源,这个方法就显得无能为力了。因为开关电源电路结构复杂,各级相互牵扯,一个元件有问题,可能会使整个电路无法工作。常有这样的事,一通电,还来不及观察,元件就已烧坏,甚至一烧一串。维修者常常战战兢兢,对所有元件逐只检查。这种修理方法费时费力,即使修好了,也可能枉拆了不少元件,还将线路板搞得一塌糊涂,维修者为此头疼。对于开关电源能否象一般电路那样,也采用逐级检查法?这正是本文所要阐述的。如前所述,开关电源具有结构复杂、各级之间相互牵扯的特点。针对开关电源的这个特点,整机通电检查一般是行不通的,但是可以逐级通电检查。只要每一级的故障都排除了,整机也就正常了。因为不是整机通电检查,就必须使用直流稳压电源对局部电路提供工作电源(或检查电源)。稳压源应具有过流保护。因为仅用于检查,对电压、容量没有必须要求。本文以“德律风根”彩电电源为例,说明如何使用这个方法检查开关电源。
检查之前,应将电源电路的工作原理弄明白,确定分哪几级,哪些步骤检查,检查中正常时应该是什么现象,故障时应该是什么现象。下面就先从分析电路原理入手。

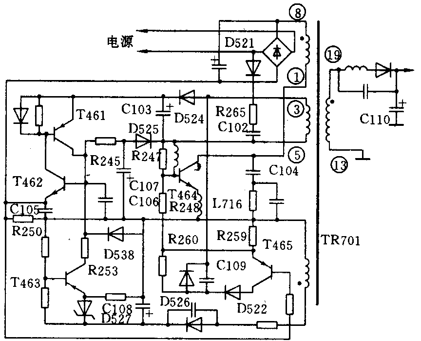
“德律风根”彩电开关电源原理如图所示。其主负载使用正向式,即开关管T464导通期间向主负载供电。电源开关接通时,利用交流电源负半周(与一般电视机电路不同)通过D521、R265、C102向T464基极提供启动电流,基、射间有正向电流通过,开关变压器TR701初级绕组⑧、①获得⑧端为正的电压,使得绕组⑤、③感应到⑤端为正的电压。该电压经由R247(L715)、T464be结、R259、R260(T465ec结、D522)、D526,使T464由正反馈迅速饱和导通。主负载及控制部分的C108上建立了电压。T464导通以后,TR701的激磁电流呈直线上升,而T464基极激励电流却有限,当TR701初级总电流大到T464集电极可能提供的最大电流时,TR701各绕组电压极性改变,绕组③、⑤极性,③为正,T464基射之间形成一个反偏电压,正反馈再次产生,T464很快截止,C109加速了这个变化。绕组③、⑤与其它次级绕组极性不同,开关方式为反向式,即T464关断后利用TR701激磁电流向C103充电。因此,T464截止后,C103上获得电压,C103上的电压成为控制部分的工作电源之一。T464关断以后,TR701激磁电感的储能主要向C103转移,同时电源与TR701⑧、①两端负的感应电压相叠加对C104充电。当TR701激磁电感能量全部转移到C103后,激磁电流为零。C104上的电压又通过TR701激磁电感,C103等效负载向电源放电。当C104上的电压等于电源电压后,C103等效负载由于D524反偏而脱离TR701,C104就与TR701激磁电感产生自由振荡,约1/8周期,C104上的电压变化到零,这时并在T464c、e两端的阻尼二极管(原图中未画出)导通,TR701⑧①绕组两端又承受了电源电压,⑤③绕组出现同相电压,正反馈再次使T464导通。当电路进入稳定状态以后,T464导通的机理也是如此。而开关管的截止,稳定状态以后就不能再靠开关管集电极电流的饱和来控制。如果依然靠它控制,一方面输出电压不稳,开关管参数对电路影响大,另一方面开关损耗大,效率低。稳定状态时,该机使用T461、T462、T463及其外围元件控制T464截止,也就是控制T464的导通时间。T463及其电路一看便知是一个稳压环节,D527为电压基准。T461、T462构成模拟可关断晶闸管。稳定状态时,若T464处于导通状态,其逐渐上升的射极电流经由L716、C105、R250组成的积分电路,并经C106耦合加到T462基射之间。当电流增大到一定程度,T462有电流通过,T462与T461具有正反馈关系,使得两只管相互激励迅速导通。这两只管子的迅速导通使得C103上的电压以反偏方式施加到T464的be结之间,使得T464截止。T461、T462的导通又使得C103对C107充电。当T464截止以后,C107上的电压经由R250、R245反偏施加在T462be之间,使T462截止,T461亦截止。T463的集电极电流与C108上的电压高低有关,即跟主负载电压有关。C108上的电压越高,T463集电极电流也越大,使得C106上电压上升越快,T462导通时刻提前,缩短了导通时间,起到稳压作用。D538为一个多只串联的二极管,利用正向特性组成低压稳压管,用以保护T462的be结。T465构成串在T464基极电路内的可变电阻,它受控于T464的射极电流,因而具有正反馈性能,有利于T464的导通、关断。
弄清楚主要工作原理后,即可逐级检查。该机可分为负载、控制部分,开关管及集电极元件、开关变压器4部分。检查也应按这个顺序进行。
负载部分的检查很简单,就是直接将直流稳压源输出按极性并接在负载的滤波电容上。如图中的C110两端。如果负载有短路,稳压源的输出电流会很大,甚至处于过流保护状态。应注意输出电压不要高于实际工作电压。其实,很低的电压就可测出是否短路。
控制部分需要两组独立的直流稳压源。将一个稳压源按极性接在C103两端,令其电压为U\(_{1}\),另一个稳压源接在C108两端,令其电压为U2。先用电压表测C107两端的电压。调整U\(_{1}\)为4.9伏左右。逐步增加U2, 电压低时,电压表指示应为零。当U\(_{2}\)升到约20伏时,电压表指示应约3.4伏。降低U2约19伏时,电压表指示应缓慢下降。根据以上原理分析,说明稳压基准环节、模拟晶闸管均能正常工作。再用电压表测开关管T464的be结电压,电压表正表笔应接e端。重复上述过程。当U\(_{2}\)低于19.2伏时,电压表指示应为零,当U2高于19.5伏时,电压表指示应为4伏。这说明反向截止电压可以加在开关管be结上,控制部分正常。如果不是如上所述的现象,就说明该级有问题。根据现象,进一步检查已经不是什么困难的事了。
开关管及集电极元件(C104等)的检查,可以通过由电源插头两端输入一低的直流电压的方法检查。这个电压约5伏。如果有短路故障(元件击穿),稳压源输出电流会很大,甚至过流保护。当然工作频率部分出故障,也会有这种现象。进行这项测试时,最好将消磁线圈插头拔下。
判断开关变压器是否有短路故障也是修理中的难事。开关变压器绕组直流电阻很小(如“德律风根”开关变压器初级绕组电阻仅0.6欧姆),用测电阻的方法不好判断。开关变压器过热损坏的现象也不象工频变压器那样明显,外观看不出。对开关变压器是否有故障的测试可采用下述方法。在开关变压器次级电压最高的绕组的滤波电容两端接电压表观测,比如该机可测C110两端电压。接通电视机电源开关,直流稳压源输出20伏左右,其输出一端接电视机电源插头的一端,另一端在电源插头的另一端擦碰,模拟产生一开关信号,此时电压表指示约2伏。当绕组短路时,这个电压会没有或极小,稳压源的输出电流也会变得较大。由于“德律风根”机启动电路的特殊结构,测试中应倒换稳压源极性,以免由于极性问题使得开关管得不到启动电流而造成误判。
以上检查中稳压源的输出电压除控制部分应按原理图中要求的正常工作电压输出外,其余部分的检查应逐渐加大电压尝试,以使得检查既安全,现象又明显。
开关电源原理结构多种多样,逐级检查的具体方法也不尽相同。但是只要吃透电路,采取合理的措施,再相配以其它检查方法,就会做到快速、准确、安全地排除故障。(李琛)