在彩色电视机的修理中,逃台(频率漂移)故障占有一定的比例。由于逃台故障所产生的现象比较复杂,涉及的电路也比较多(见图1),因此对于初学者或业余爱好的修理人员来说,往往感到无所适从,难以下手。其实只要在实践中多善于总结,看起来似乎比较复杂的故障现象,也还是有规律可循的。现将彩电常见的逃台故障归结成以下6个方面。

一、所有频道都逃台
故障特征:当所有的频道(包括VHF、UHF频段)都调谐正确后,不管收看那一频道节目,都会随着时间的延长而出现逃台,彩色图像及伴音随之消失。重新调整后,收看一段时间故障现象又会重复出现。
原因分析:此故障是由3个频段的公共部分所引起,其原因是高频调谐器得不到合适稳定的工作电压,使得高频调谐器内的本振频率发生漂移,使输出的中频信号偏离了中放通频带的范围。此故障一般来源于以下几个方面:(1)调谐电压VT供电电路有问题;(2)高频调谐器损坏;(3)预选器(选台系统)有问题;(4)电源供电系统。
判断检修:电压测量跟踪法是检修彩色电视机逃台故障最常见也是最有效的方法。具体做法:将电视机的VHF、UHF频段调谐到当地电台,在彩色图像伴音正常稳定的情况下,用万用表测下送到高频调谐器各引出脚的直流电压值。等到开始逃台时再对原先所测的电压复测一遍,记下并对照第一次测得的电压值。看哪一种电压发生了变化。例如第二次测得的VT电压比第一次测得的VT电压降低或升高了,说明故障是由VT的变化引起的。下一步区分是高频调谐器内故障还是VT供电电路出问题,可将高频调谐器的VT输出脚与印制板脱离,然后再测VT电压。如电压依然降低或升高,则说明VT的供电电路有问题;反之,如VT电压回到第一次测得的正常值,则可判断为高频调谐器有问题。此时可进一步测高频调谐器VT引出脚对地的正反向电阻值,定会发现有漏电现象。一般常见于高频调谐器内变容二极管漏电(概率最高),电容漏电或高频调谐器的印制板与地之间积尘而导致漏电现象。如测出其它电压有问题,压缩寻找故障的方法同上。
故障实例:一台凯歌4C4701型彩电,开机后约十多分钟后逃台(UHF频段),但在VHF频段间隔时间要长一些(约二、三十分钟)。用上述方法监测高频调谐器各引出脚电压(见图2),发现除调谐电压VT降低并有不稳定现象外,其它各端子电压均正常,说明逃台是由VT电压跌落与不稳定所造成的。将高频调谐器VT端子与印制板脱离,印制板上所测得的VT电压仍是第二次所测时的情况,说明问题不在高频调谐器,而在VT的输送电路上。拔去P插头,断开频道预选器以后的电路,测得IC101(33伏稳压器)两端电压在30伏左右不规则漂动。显而易见,故障出在IC101(可能性最大)或C108、C109上。经查为IC101反向漏电。调换一只IX0249CE,故障排除。对于业余修理人员来说,如果手头无原型号稳压器,可用其它彩电上用的30伏稳压管代之。

二、个别频道(段)逃台
故障特征:接收VHF\(_{L}\)(甚高频低端)、VHFH(甚高频高端)、UHF(超高频)时,其中一个频段的电台逃台。例如甚高频段接收正常,超高频段的电台逃台;或超高频段接收正常,甚高频段或甚高频段的高、低端之一端逃台。
原因分析:与上面讨论的全频段逃台相比较,此故障比较容易压缩。因为只要大部分或部分频段接收正常,说明中放通道、电源电压及3个频段的公共部分均正常。问题通常来自:(1)故障相应频段的切换电压电路有问题;(2)高频调谐器故障。
判断检修:上面介绍的电压测量跟踪法适用于各种类型的逃台故障检修。但此时监测应有所侧重。比如UHF频段的电台要逃台,则可重点检查BU电压。如在监测时发现BU异常,还是用前面介绍的方法来区分故障发生在前(线路)或后(高频调谐器)。如果BU正常,则故障在高频调谐器。通常是高频调谐器内UHF部分的本振级变容二极管、电容漏电所致。变容二极管或电容漏电,一般在监测VT时也能反应出。倘若BU及VT均正常,则为高频调谐器UHF部分的晶体三极管性能不佳。当判断为高频调谐器有问题时,可用一只好的代之,在确定为高频调谐器损坏后,再对换下的高频调谐器进行修理。
故障实例:一台东芝HC47——Ⅲ型彩电,接收UHF频段电台逃台。按上述方法作针对性监测,发现高频调谐器的BU端子电压在8~10伏变化(见图3)。由图3分析可知,高频调谐器频段电压的切换是通过QA03~QA06配合预选器KEY SW来实现的。以BU电压为例,将预选器SA01(八键之一)拨至U,QA03基极偏置接通,QA03饱和导通。12伏工作电压经QA03加到高频调谐器的BU端子,高频调谐器内的UHF部分通电工作。观测得BU偏低2~4伏,而QA03发射极电压正常,根据QA03发射极和集电极之间电压变化的情况分析,可初步排除高频调谐器故障。其理由是,在QA03正常饱和导通的情况下,如果高频调谐器BU端内部因漏电而使其QA03集电极电压下跌的话,其发射极电压也会跟着下跌。但现在的情况并非如此。分析有两种可能:一是QA03基极偏置有问题致使QA03退出饱和区;二是QA03管子本身有问题。经查SA01常接点至QA03基极通路及SA01常接点至地支路均正常。拆下QA03,用电阻R×10kΩ档测得集电极与发射极之间的反向阻值在漂动,说明该管在实际加电工作中稳定性太差,才使BU失常影响了UHF频段的正常工作。由于手头无同型号管子,用一只3CG23代换,故障排除。

三、转换频道时逃台
故障特征:所有的频道都可以调谐,但偶尔有的调谐点难找,收看过程中在要转换频道时发生逃台。即原来调好储存的节目找不到或一出现就逃掉。
原因分析:这种故障大多发生在用久了的推式(按键式)预选器的彩色电视机中,其实质还是在转换频道时加到高频调谐器的工作切换电压或调谐电压发生了变化(对某一频道的原调谐电压而言)。故障一般来自以下两个方面:(1)频道切换开关;(2)拨盘(预选)电位器。
判断检修:碰到这种故障最好先询问一下用户,问其家中是否烧煤炉,电视机所处环境是否潮湿或尘埃较多。因为电视机常处于这种环境,开关接点容易氧化、积尘,导致接触不良和漏电。在实际检修中发现,产生这种故障的机器一般都使用在几年以上,且为煤气污染与环境潮湿者居多。怎样区分故障是由频道切换开关还是拨盘电位器所引起,可采取下列方法。
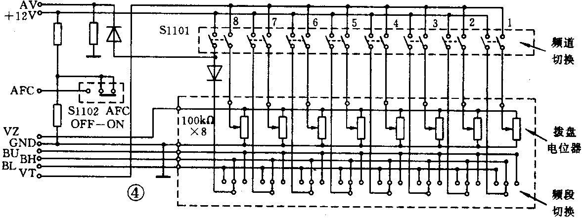
将频段切换开关放置V\(_{L}\)、VH、U的任意一档(见图4),用万用表监测高频调谐器VT端子电压,按下频道切换开关S1101,例如第一档,缓慢均匀地来回调节与S1101第一档相对应的拨盘电位器,看监测的VT电压是否平稳(而不是跳跃)地从0~30伏(低→高→低)之间变化。如果监测的VT电压很平稳地随拨盘电位器的变化而变化,则说明拨盘电位器接触良好。反之,如果监测的VT电压在某一段或一定范围内不规则地跳变,则说明拨盘电位器接触不良。需要拆下来修理或更换。其它档的拨盘电位器检查法同理类推。

检查频道切换开关是否接触良好的办法也是用电压(频段电压和调谐电压)监测法。即按下S1101任何一档,还是以第一档为例。调节第一档拨盘电位器至电台出现或取几个电压参考点(5、10、15、20、25伏可任意选择),记下电压表读数,按S1101的其它任何一档,目的是使第一档弹起使开关断开。然后再按下S1101第一档,正常情况下不出现逃台或记下的电压参考值不会改变。这样反复多次,如果发现逃台或记下的VT电压参考值和切换电压降低了,则说明频道切换开关S1101接触不良,即开关接点接触电阻增大,需拆下检修或更换。当然用电阻档测其开关的通路情况是否良好也可作出判断。其它档的频道开关检查法同理类推。
故障实例:一台日立牌彩电,据用户反映当在收看过程中要转换到8频道(当地上海台)时,8频道图像一出来就逃掉。有时要重新调一下后才能收看,但稳定的时间不长。根据以上介绍的方法监测BH正常(见图4)。当监测到VT时(高频调谐器端),表针摆动异常。将高频调谐器VT端与印板脱离后仍见表针摆动,说明问题出在VT供电电路上,但由于其它频道收看正常,因此30伏(图4中的VZ)必定正常。问题出在收看8频道挡的VT分压电路(频道切换及拨盘电位器)上。检查预选器,发现8频道(BH或VH频段)的调节在S1101的第3、第4档上进行。再将S1101的第3、第4档相对应的频段切换开关分别拨至或调谐V\(_{L}\)和U。发现VHFL、和UHF同样也逃台,所监测的VT也有摆动现象。因经开关S1101转换的频段切换电压均正常,故可基本排除S1101故障。问题只能出在第3、第4档所对应的拨盘电位器上。将此组件拆下,一边调节电位器,一边将酒精注入加以清洗,用吹风机吹干后再喷注少许清洁润滑剂。将清洗修理后的拨盘电位器组件重新装入预选器。再用第3、第4档调谐任何频道都不再发生逃台现象。(未完待续)(陈雪培)