本文要介绍的电冰箱保护器可在电压高于240V或低于190V(均可调整)时,自动切断电冰箱电源,并可在来电后或电压恢复正常后延时5分钟再给电冰箱供电。
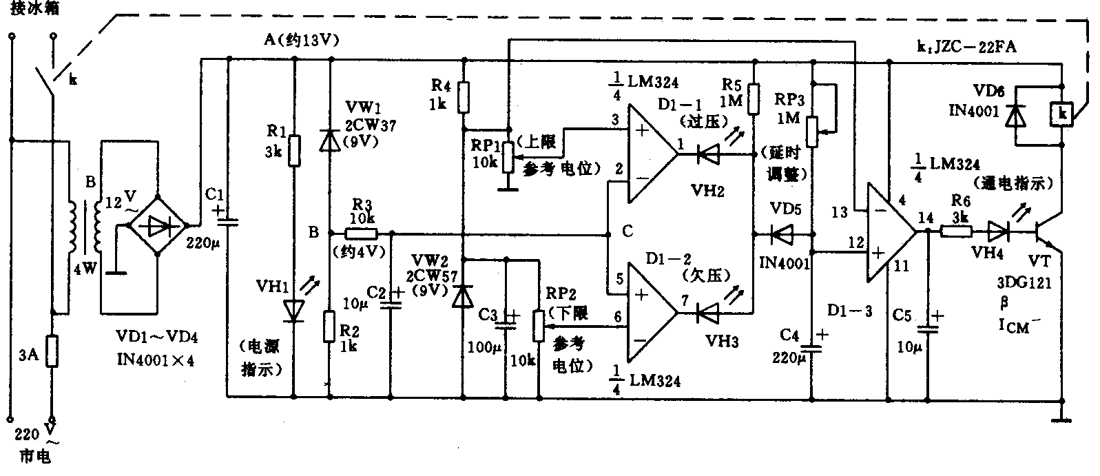
附图是该保护器电路原理图。VH1为电源供电指示。D1-1、D1—2及 D1—3三个比较器分别用于过压比较、欠压比较及延时时间的判断。VH2、VH3、VH4分别为过压、欠压及冰箱通电指示。RP3及C4构成延时电路。

当电网电压正常时,即电压在190V~240V之间,A端约有13V,经过稳压二极管VW1(稳压值为9V)B端降至4V左右,且随电网电压波动。此电位加到D1-1、D1-2作电压超范围判断用。D1—1的同相端(3脚)从RP1取得稳定的参考电位(约5V),作为正常范围电网电压的上限;D1-2的反相端(6脚)从RP2取得一个恒定参考电位(约3V),作为电网电压下限。如果电网电压正常,D1-1、D1-2均输出高电位(约13V),VH2、VH3不发光,VD5也截止。
延迟电路中,D1-3的反相端13脚接稳压二极管VW2(稳压为9V)。VD5截止后,电源经RP3给C4充电,当C4电压高于9V,D1—3输出高电位13V,VH4发光,VT导通,继电器K吸合,冰箱工作。
当电网电压过高(或过低时),A、B、C点电位也随之升高(或降低)。当C点电位超过上限参考电位(或低于下限参考电位),则D1—1(或D1—2)输出低电位,此时VH2(VH3)发光,VD5导通,C4放电,D1—3的13脚同相端电位下降至2V左右,14脚输出低电位,VT截止,冰箱断电。
电路中C2、C5用来防止电路误动作,提高抗干扰能力,但同时导致反应速度变慢。VT宜选β>15、I\(_{CM}\)≥50mA的管子。继电器触点电流应大于3A。C4要求漏电小,VW1、VW2应选用内阻较小的稳压二极管。
焊好板子后,再做一个100×80×80mm\(^{3}\)的盒子,将VH1~VH4引到面板上,在后盖板上装好RP1~RP3、3A保险管及电冰箱电源插座,然后将变压器、继电器及线路板装入盒中。
仔细检查无误后,将市电接入一个调压器,接冰箱处接一个60W灯泡。将电压调到过压保护点上,调整RP1使VH2刚好发光;再将调压器调到欠压保护点上,调RP2使VH3刚好发光。再反复升、降电压及调整RP1、RP2,确保保护动作可靠。最后将电压调整至220V正常电压,调整RP3使延迟时间在5~8分钟内。 (刘轩)