本文介绍的密码锁电路采用双金属触摸点输入密码,隐避性强,寿命长;在拨盘开关上设置几位密码,简便直观,密码组合数为(10\(^{8}\)-1),保密性极强;有“伪键”功能,可以驱动电子门铃;采用CMOS电路,微功耗,抗干扰能力强。
电路组成
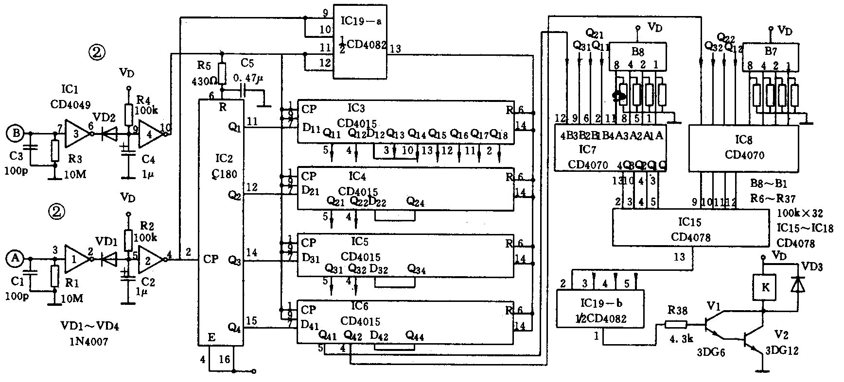
图1和图2分别是电路方框图和电路图。触摸脉冲产生电路由双金属触摸点A和B、反相缓冲器IC1、二极管VD1和VD2阻容元件以及与门IC19-a组成。计数器由一片BCD计数器IC2组成。移位寄存器由四片双四位移位寄存器IC3~IC6组成。密码预置由八位拨盘开关(8421码开关)B8~B1组成。同比较器由八片四异或门IC7~IC14、四片八输入端或非门IC15~IC18和四输入端与门IC19—b组成。(由于结构相似,在电路中只画B8、B7和相同的电路)。驱动电路由晶体管V1和V2组成。电源由直流稳压电源和备用电池组成。


电路原理
触摸脉冲产生电路包含结构相同的A和B两路,其工作原理用A路例释。未触及金属点A时,R1使门1输入端为低电平,引起输出端为高电平,VD1反偏,C2充电到电源电压VD,结果门2输出低电平。当人手触及A时,50Hz的感应信号传输到门1的输入端,它的输出端从幅值VD降到地电位,使VD1正偏,C2通过VD1放电,使门2输入端变为低电平,引起门2输出高电平。其中,C1用来消除50Hz以上的频率干扰。所以,用手触及A点一次,门2就输出一个正脉冲。
BCD计数器IC2连成计数使能状态。接收A路计数脉冲,清零信号由B路脉冲经R5、C5延时后得到。移位寄存器IC3~IC6分别连成八位使用,其串行输入端分别接收IC2输出的四位BCD码,移位信号CP用B路控制脉冲,清零信号R由A和B两路脉冲经与门IC19—a合成得到。
触摸脉冲产生电路、计数器和移位寄存器共同组成密码输入电路。如要输入八位十进制密码N\(_{1}\)~N8,其工作过程如下:
先用手同时触及A、B两金属点,IC19-a输出高电平为四片移位寄存器清零,B路脉冲经微小延迟后也为计数器清零,此时密码输入电路进入初态。然后分别触及A和B点输入密码,由于此时与门IC19-a输出为低,所以移位寄存器清零失效。触A点N\(_{1}\)次,送给计数器N1个脉冲,则计数器输出相应的四位BCD码。再触B点一次,送给移位寄存器一个移位脉冲,则与N\(_{1}\)相应的BCD码移入移位寄存器并寄存在最低位Q41、Q\(_{31}\)、Q21、Q\(_{11}\)上。在τ=R5·C5延迟时间内,一次移位完毕,输入了第一个密码N1,之后计数器清零,为输入密码N2作计数准备。类此输入密码N\(_{2}\)~N8,当第八次触B点时,则与八位十进制密码N\(_{1}\)~N8相应的BCD码都浮在移位寄存器的输出端。这时,最低位Q\(_{41}\)、Q31、Q\(_{21}\)、Q11浮现的BCD码和N\(_{8}\)相应,最高位Q48、Q\(_{38}\)、Q28、Q\(_{18}\)浮现的BCD码和N1相应。
密码N\(_{1}\)~N8预置在八位拨盘开关B1~B8上。每位拨盘开关的公共端接高电平,输出端经电阻到地,则每位拨盘开关输出的BCD码都和所设置的十进制密码N\(_{1}\)~N8相对应。在同比较电路中,来自拨盘开关输出端的BCD码和另一路来自移位寄存器输出端的BCD码分八组送入八片四异或门IC7~IC14按组(即十进制位)、按位比较,比较结果再由或非门IC15~IC18和与门IC19-b合成。仅当两路BCD码完全相同(即输入密码正确)时,同比较器由与门IC19-b输出高电平,驱动V1和V2导通,使继电器触点吸合,控制电磁铁开门。
电路的供电是通过交流220V经变压、整流、滤波、稳压后提供的。为防止停电造成电磁铁不能开启,还备有1号电池5节组成直流备用电源。二极管VD4可完成停电时交直流电源的转换工作。一般停电时间较少,故电池使用寿命较长。电路静态电流在1mA左右,所以等待状态为微功耗。
使用时接上电源,在拨盘开关上设置好密码N\(_{1}\)~N8,同时触A和B点,置电路初态,作为开锁等待状态,所以在拨盘开关上“全零码”禁忌。正确输入密码的方式为:触A点计数,触B点移位(清零)。若用户输入部分密码出错时,可以同时触A和B点为电路清零后,重新输入密码。若以B点计数,A点移位,则呈“伪键”状态,不能开锁。当以正确方式输入正确密码N\(_{1}\)~N8后,房门打开,用户可随即同时触A和B点,使电路进入初态(静态),避免电路长时间在动态电流下工作。
另外,A、B两路经门IC19-a输出的清零脉冲,也可驱动门铃电路工作。
元件选择和调试
电路中IC1选用六反相缓冲器CD4049,IC2选用BCD同步加法计数器C180,也可用CD4518代替,移位寄存器选用CD4015,同比较电路选用四异或门CD4070、八输入或非门CD4078和四输入端与门CD4082。二极管VD1~VD4用1N4007。阻容元件数值如图2示,其中:C1和C3用独石电容,C2和C4用钽电容。晶体管V1选用3DG6,V2选3DG12。继电器规格:HG4098,6V100Ω。
触摸脉冲产生电路中,选用CD4049可增大A、B两路带负载能力。触点A和B由导电性能良好的金属制成,对形状无严格要求。如图2配置阻容元件数据,可得到上升沿很陡、脉宽为毫秒级的正脉冲。R5、C5的选择只要使τ=R5·C5略大于移位寄存器一次移位用时,从而保证计数器的输出信号移入寄存器后,再为计数器清零。输入全部密码N\(_{1}\)~N8需用时T<15s(输入“全九”码用时)。 (李文石 严明)