自从本刊1990年第10期刊登了本文的第一部分以来,读者及各科研单位纷纷来信要求进一步了解本系统的装配、使用、性能及功能的扩展等技术问题。并要求继续介绍该系统的其它单元电路:例如16×8路8×4程序可编程时间控制器/时钟单元6321、超声波遥控指令发射器X10-014401、带超声波接收功能的主控器X10-014301。
工作原理
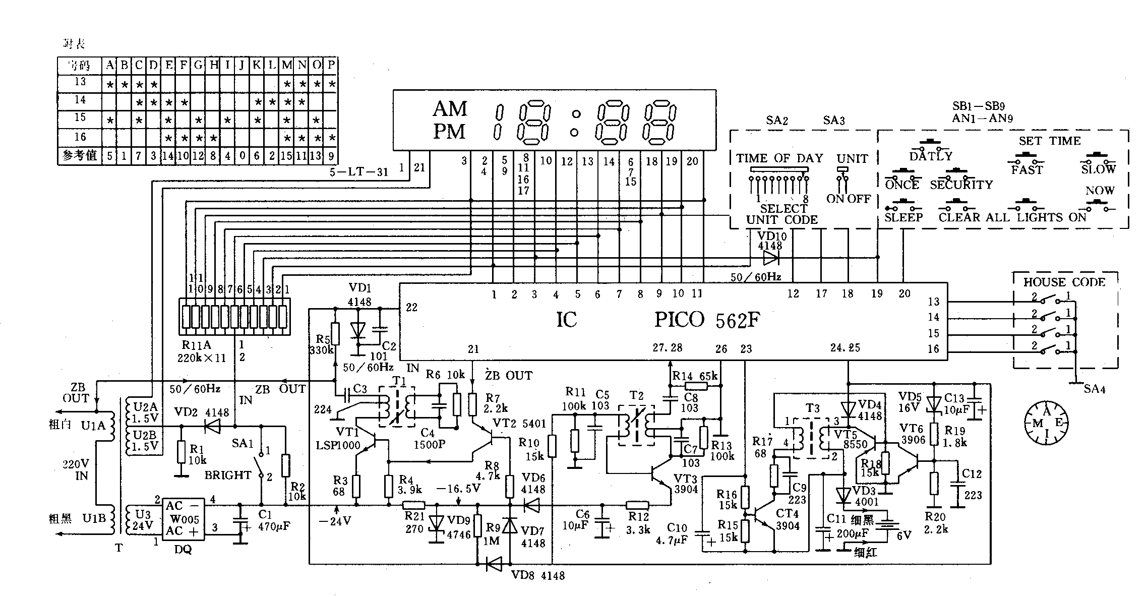
时间控制器的型号为6321。它集时钟电路、时间控制器于一身,与1990年第10期介绍的主控器之区别在于6321能够存储32个开/关机时间,可控制8种不同的用电器具每天开关2次。并且能选择多种工作模式。它是一个功能比较完善的主控器。电路如附图所示。

电子钟部分:由集成电路PICO 562F的1~11脚及荧光显示屏5—LT—31、电平转换电阻R11A、亮度调节开关SA1等组成数字式的电子钟,它主要用于显示真实时间及编制时间程序。
220伏交流电源通过降压电阻R5,加于方波形成电路VD1、C2、D8、R9上,形成幅度约8V的方波,此方波一方面供电子钟作计时的时基信号,另外供载波调制器用作同步信号。VD10是50/60Hz选择二极管,现在工作于50Hz方式,当短路VD10时,电路工作于60Hz方式。如果采用传统的每笔段一条引脚的输出方式,则IC需太多的引脚,为此,笔段信号采用扫描方式输出。
载波控制部分:由VT3、T2以及阻容件元件构成载频振荡器,产生用于调制地址码及指令码的载波信号,调节T2(振荡变压器)的磁芯可以在小范围内改变载波的频率。其中C7、R13为谐振阻容,载波信号由C8耦合至IC的27、28脚。
编程编码部分:由IC的12~20脚及编程开关SA2、SA3、SB1~SB9构成时间编程器,由房码开关SA4及地址码拨动开关构成编码器。由IC的13~16脚及编码开关SA4组成的房码选择开关共可编出2\(^{4}\)=16种不同的码,对应的房号分别为A~P,不同房码时各引脚与电源地相通的状态可参考附表。

编程开关各部分的排列参见图2,它即是6321的下面板。其中(a)相当于图1中的SA2,主要用于编程时选择单元码,可选择的单元码分别为1~8共8路。此外,要用本时控器6321作手动控制时,也可以通过SA2去选择单元码。(b)相当于图1中的SA3,它用于编程时选择设备或灯的开启时间及关闭时间,也可以用于手动控制设备或灯的开或关。(c)相当于图1中的SB2、SB3,可以调定标准时间或配合SA2、SA3编制时间程序。(d)为工作模式选择键,以使编出更丰富的程序。DAILY为每天都要的程序,即一旦选择本键编制出的程序便可每天均自动执行。ONCE为临时编制只使用1天的程序。SECURITY为保护模式,可以防止对应的单元的工作状态受到影响,对于某些需由时控及手动控制的单元特别有用。SLEEP为睡眠钮,当选择它时可使开启的器具工作59分钟后自动关闭。由以上的(a)至(d)可以进行时间编程。(e)是内存清除钮。在ICPICO562F内共设有八个储存器,分别对应1~8单元码,而每一个储存器可以储存用于控制本单元的四个时间,其中两个为开,两个为关,放实际上PICO562F内的存储器共存储32个不同的时间。当每个储存器存满四个时间信息后便不能再存入新的时间信息,如果要更改存入的时间,必须使用内存清除钮先清除原来储入的信息才可以存入新的信息。(f)为对本房的灯实施全开启的控制。(g)为手动按钮,个别控制单元的器具开或关。亮度调节可以改变荧光屏的亮度。

超声波指令发射器X10—014401。它的体积与电视机遥控器的体积差不多,其功能与X10—014311及X10-014301一样,都具有控制1~16个单元的开、关、全开(灯)及全关功能,以及对灯的调光及调暗的功能。但它上面没有房码选择开关,因为它可以直接使用带超声波接收功能的主控器X10—014301上的房码开关。集成电路采用CM144,它与PIC0542C大同小异。
带超声接收功能的主控器X10-014301由两部分组成。其中一部分与1990年第10期介绍的×10-014311是完全一样的。而另一部分为超声波接收放大电路。
安装及编程实例
本系统的最大特点是安装简单,各单元之间不用连线,因为它们都挂在电力线上,故任何单元只需独立地连接或插入电源线上的插座即可。X10—014711应与负载(灯具)串联后接入电力线即可。6321时间控制器共有四条接线,粗黑、粗白线应连接到电源线上,其中粗白线接火线、粗黑线接零线或地线较好。
编程实例:编程前最好先列出一张明细表,把对应的单元、第一开启时间、第一关闭时间第二开启时间、第二关闭时间列出,然后对照明细表便可一次编入32个时间。例如某人有收音机、电饭煲、楼梯灯等三件用电设备需由时控器控制,早晨6:30起床、开收音机听新闻,7:30出门上班、关收音机、开楼梯灯,7:35关楼梯灯,中午12:00下班,11:30开电饭煲,12:10关电饭煲,下午1:45起床开收音机,2:00出门上班关收音机,傍晚6:30下班到家,6:00第二次开启电饭煲,6:30开楼梯灯,6:40关楼梯灯6:45关电饭煲。此时系统另外选用X10-014611或AM 286(两者完全一样,地区型号不 同)两个,分别控制电饭煲及收音机,选用X10- 014711一个控制楼梯灯,此时把AM286插入电源插座 内,其中第一个置A1,第2个置A2,分别插入收音机 及电饭煲即可。而X10—014711与楼梯灯串联并置于 A3。接通时控器6321,(a)置左边显示屏显AM1:00 并闪烁,按下(c)快校慢校使显示标准时间。旋动房码开关至A,拨动(a)至1,拨动(b)到ON,按动(c)出现6:30AM,按下(d)中的 DAILY。拨动(b)至 OFF,按动(c)使出现7:30AM,按下(d)中的DAILY,拨动(b)至ON,按动(c)使出现PM1:45,按下(d)中的D。拨动(b)至OFF,按动(c)使出现PM 2:00,按下(d)中的D,则收音机的开关时间编程结束。此时若(b)置ON,则荧光屏会交替显示AM 6:30及PM1:45,表示第1单元的开启时间分别为上午6:30及下午1:45。同理拨动(b)置OFF,屏中会交替显示AM 7:30及PM 2:00。若只编入一个程序则交替显示0:0及所编入的时间,表示此单元只设置了一个定时时间。当收音机的程序编好后便可以编电饭煲的程序。把(a)拨至2,其余做法同前,注意时间不要弄错,尤其是AM,PM不能搞错。然后把(a)拨至3,便可以编制楼梯灯的程序3。编好后检查一次便告结束。这样,每天的开关灯、收音机的闹醒及煮饭均实现了全自动控制,生活极其方便。 (王辉 汾江)