8098芯片是MCS-96系列的单片机,它是一种准16位单片机,具有16位的内部总线和8位的外部总线,非常适合在既需要16位处理器的速度,又要求小体积低价格的场合应用,是新一代的单片机。与MCS-51系列单片机显著不同的是:8098具有高速输入通道,用来记录外部事件的发生时间;高速脉冲发生器,用来输出高速触发脉冲;四个16位软件定时器可同时工作;片内有四路10位的A/D转换器,并带有取样保持器,转换时间只需22μs(12MHz晶振时);8098片内有232个寄存器文件,每个寄存器文件既可作普通寄存器用,又具有MCS-51单片机中的A寄存器的功能;8098还有定时监视器(俗称看门狗),脉宽调制输出(可作D/A用)等MCS-51系列单片机所不具备的功能。
为了推动单片机的应用与普及,我们在推出TD-Ⅰ,TD-Ⅱ和TD-Ⅲ单片学习机之后,又设计了一种功能强价格低的HH98单片机仿真系统,这个系统由主板、键盘显示板、EPROM读写板、组合软件等组成。利用这个系统可直接完成8098单片机的学习、实验、编程、软硬件调试、程序固化的过程,也就是说能一步完成从学习到应用的过程。由于硬件是按积木方式设计的,所以它既能作开发仿真系统用,又能直接作为目标机用,直接装在用户应用系统之中,从而可免除使用者进行硬件设计、基本软件调试和排除干扰等各种不必要的低水平重复劳动,使用户能获得一个工作可靠,抗干扰能力强的硬件系统。以下是它的一些主要指标:
(1)32k字节仿真RAM(掉电保护)
(2)8k字节EEPROM(只读或编程可设置)
(3)四路10位带精密基准的A/D
(4)一路PWM输出,可作 D/A用
(5)单+5V供电,自动产生写EPROM和通信所需电压
(6)全部 EPROM操作功能(2764/27128/27256)
(7)二路串行通信口
(8)22路并行输出输入口
(9)8098CPU仿真插头
(10)内、外晶振任意设定(晶振6M~12M)
(11)具有与微机的联结调试功能
(12)单步、断点、全速调试功能
(13)外形尺寸:110×130×2块
一、硬件原理介绍:
硬件由主板、键盘显示板和EPROM读写板组成
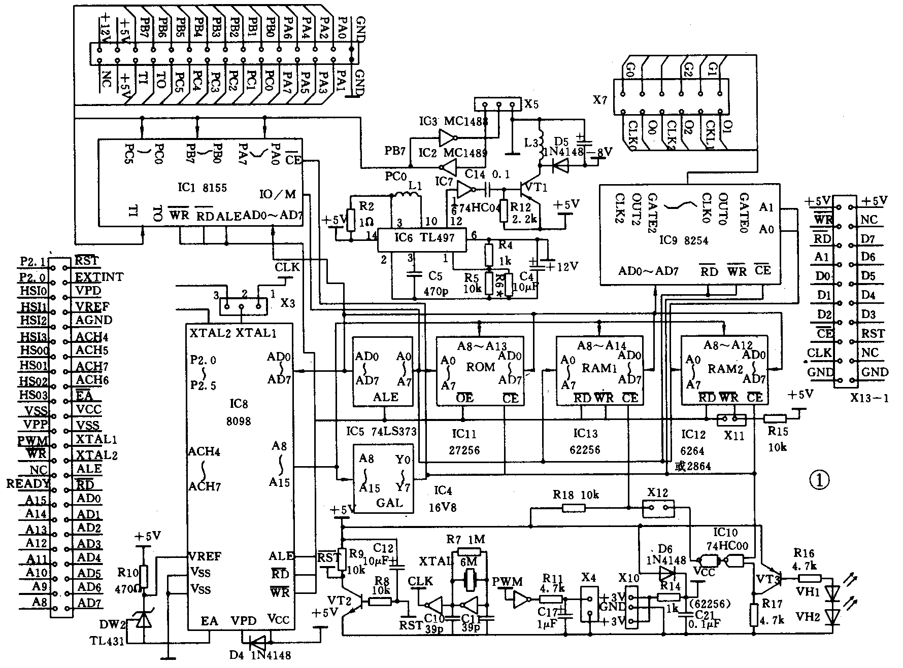
1.图1是主板原理简图,主板上的IC8单片计算机8098是整个系统的核心,与仿真有关的信号都通过插座X引出,在作仿真器使用时,使用者可用仿真插头将信号引出后,直接去仿真用户系统中的809A芯片。主板上8098的外部数据总线是按8位设定的,地址总线是16位,故8098的P3口是作为低位地址和数据线复用, P4口是高位地址线,在对外部空间进行操作时, 8098先将低位地址送上P3口,然后再将P3口转为数据线。

2.集成块IC5(74LS373)是用作低位地址锁存器,当8098将低位地址送上P3口时,8098发出ALE(地址锁存允许)信号,在ALE信号的作用下,低位地址就锁存在74LS373之中,锁存在74LS373之中的低位地址与8098的P4口的高位地址,就构成了16位的地址线,这16根地址线能对64k字节地址空间进行操作。
3.8098芯片在空间管理上与MCS-51系列单片机对空间的管理不相同,MCS-51系列单片机对外部RAM和对外部ROM的操作都有专门的操作信号,而8098对RAM和ROM的操作都用同一种操作信号,而RAM和 ROM及I/O的空间都是统一分配在同一个64k字节的空间内,这样做简化了控制信号,有利于提高芯片的抗干扰能力。
4.主板上的IC11(27256)是内部固化有监控管理及演示程序的EPROM,27256具有32k字节的存储空间,监控管理及演示程序只使用10k字节的空间,余下的空间可供将来扩展用。监控只占用了0000H~1FFFH空间。
5.8098复位入口及中断转移方式与MCS-51系列单片机不同,8098的复位入口不是0000H,而是2080H,中断时,也不是直接转跳,而是在2000H~2011H单元之中取出中断转移矢量,再转移到中断子程序入口,这样安排中断转移,对使用中断来说是要方便些。为了不占用8098的复位入口和中断矢量存储单元,在监控软件的地址分配时,我们作了适当处理,将复位入口和中断矢量存储单元都留给用户使用。这对程序的一次仿真调试成功是很重要的,如果监控使用了这些单元,会给用户调试程序带来许多麻烦。
6.主板上的IC13(62256)是仿真系统中的仿真RAM,它具有32k字节的空间,用户既可运行62256之中的程序,又可将数据直接写入这32k字节的空间内,也就是说这32k字节的空间既有RAM的功能又有ROM的功能。一般来说具有32k字节的RAM和ROM仿真空间是够用了,62256安排在2000H~9FFFH这32k地址空间内,用户在使用HH98时,可直接使用复位入口地址2080H和所有中断矢量地址。在进行仿真目标机的CPU时,如果希望使用目标板上的RAM,可将插在X12上的短路插线去掉,这时仿真系统就使用目标板上的RAM,给操作者调试自己的硬件带来方便。
7.考虑到用户希望保持RAM区的数据,我们特意设计了RAM区内容保护线路,X10是后备电源插头,只要在这个插头上接入3伏的电源(一般使用2节5号电池),就能保持RAM区的数据长期不丢失,62256是一种CM05静态RAM,当它处于保持状态时,耗电非常小,大约只有几个微安的电流。IC10、VT3、VH1、VH2等组成RAM保持电压切换电路,当主电源供电正常时,VT3的集电极是高电位,这时可对RAM进行读写操作,当主电源的电压低于3.8V左右时,VT3的集电极呈低电位,62256的片选端就保持为高电平,这时就不能对62256进行读写操作,故可避免在上电或断电瞬间CPU对RAM进行误操作,而造成62256之中的数据丢失。
8.主板上的IC12插座,既可插EEPROM2864,也可插普通RAM6264,当要求具有电可改写功能时,就插2864,插上2864后,能方便操作,自由改写数据,断电时又不丢失其中的数据。X11是2864的使能插座,如果用短路插线插在X11上,就能对2864进行正常的读写操作,如果将X11上的短路插线去掉,那么就只能读出2864之中的内容,而又不能改写2864之中的内容。这样设计的目的是为了方便用户改变存放在2864之中的参数,而又不会因误操作使数据丢失。当然也可将正在调试的程序保存在2864之中,以避免断电时,键入的调试程序丢失。2864具有8k字节的存储空间,它安排在A000H~BFFFH这个空间内。
9.在主板上还扩展了一片并行I/O口 8155,以满足用户对I/O口的要求,8155的所有I/O口都通过X1引出,以便用户使用,EPROM读写板也是通过X1联结的,8155有22个I/O口,分成三组:A口,B口和C口,这三组口可分别定义为输入口或输出口,另外8155内部还有一个十四位的定时器。8155内的256字节的RAM,已由监控使用,故用户不得使用8155内部的RAM,主板上已有足够的RAM空间供用户使用。
10.考虑到HH98除了作普通单片计算机使用外,还要作仿真器使用,故HH98与微机联机组成仿真系统时,只是使用了8155的PB.7和PC.5作串行通信用,而将8098所具有的串行口留给用户使用,这虽然给编制监控程序带来许多麻烦,但保留完整的仿真功能给用户,用户在联机仿真时可直接调试有关8098的串行通信有关的程序,8155的PB.7和PC.5作串行口时是经过MC1488和MC1489电平转换的,这样能保证在串行通信时,HH98具有标准的RS-232串行通信电平,以利于提高通信的抗干扰能力。当然8155也可作为打印机的并行接口。
11.在主板上还扩展了一片IC9(8254),8254具有三个独立的十六位定时计数器,它的最高计数频率可达10MHz,它是一种功能很强的定时/记数器,它有许多种工作状态,它能满足高速计数(测频率用)和作精密定时之用,以满足用户对精密定时的要求。如果在8254的输入端再接上适当的分频器,就能使HH98单片计算机具有频率计的功能。
12.为了减少使用多组电源的麻烦,HH98只使用了一组+5V电源,其它功能所需的电压都由HH98自己产生。IC6、VT1、L1和L3等组成电压变换器,由它们产生写 EPROM所需的+12V电压和通信所需的-8V电压。
13.为了使用户既能使用HH98的晶振,又能使用外部晶振,故又专门设计了一个振荡电路,振荡电路由IC7(74HC04)、C10、C11和XTAL组成,74HC04缓冲输出的振荡时钟,分别送到8098的 XTAL1(晶振输入端)和8279的时钟输入端。如果希望使用外部晶振,只要用短路插线将X3的2、3引脚短路即可,短接X3的1、2引脚就使用内部的6MHz晶振,外部晶振可在6M~12M范围内任意选择。
14.在设计HH98时,我们考虑到它可直接作用户板使用,故8098的A/D基准电压,采用了精密稳压源TL431,我们将TL431接成2.5V稳压方式,这时8098的 A/D满量程输入也是+2.5V。英特尔公司的现行手册上规定VREF(参考源)必须在VCC+10%以内,但有一部分8098芯片的参考源是可采用+2.5V的,这样做可简化对供电电源的要求。采用TL431作基准参考源后,能保证HH98的A/D具有足够温度稳定性和抗电压波动影响的能力,当电源电压在较大范围内波动时,不会影响A/D的精确度。在设计印制板时,也对模拟接地线作了认真的处理,从而避免了数字信号对A/D的干扰和影响。
15.主板上的地址分配和管理是由IC4(16V8)进行的,由于16V8是一种可编程逻辑芯片,使用它后减少了外围芯片数量,从而使得HH98可靠性和抗干扰能力提高,而且空间分配也能做到比较合理。
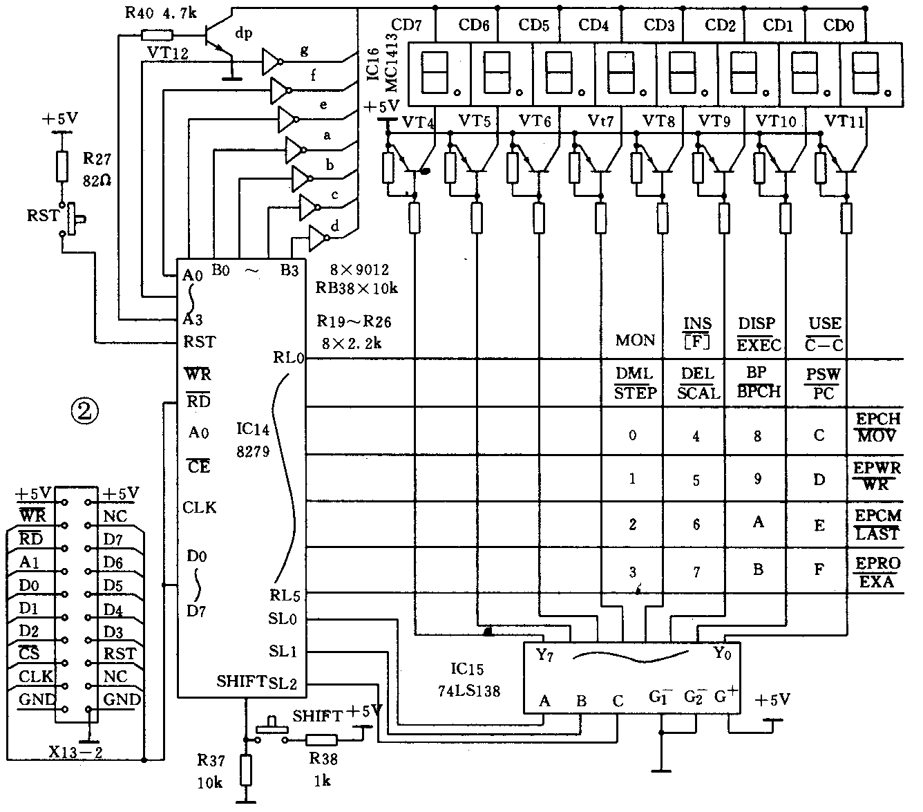
16.键盘和显示数码管专门安排在一块印制板上,图2是键盘显示板的原理简图,键盘显示板是以8279为核心,8279是一种显示和键扫描的专用芯片,它能在没有CPU的干预下完成显示扫描和键扫描。M1413是笔划驱动器,74LS138是扫描译码器和字选译码器,VT4~VT11是字选缓冲器,键盘板上有8位数码管和30个轻触按键。键盘显示板的外形尺寸与主板的外形尺寸完全相同,主板与键盘显示板是通过软线或接插件相联结的,当将HH98单片计算机用于仪器仪表或小体积控制设备之中时,可将键盘显示板与主板折叠起来使用,也就是说可将主板安装在键盘显示板的背后,从而节省面板面积,这一点在小体积设备中是很重要的。当然如果不使用键盘显示板,主板也可单独作用。数码管除了能显示数字外,还能显示一些字符,在监控程序中已装入了常用的一些字符,当进入演示程序时,这些字符和字符代码都会轮流显示出来。

17.EPROM的读写是通过X1接插一块EPROM读写板进行的,在EPROM读写板上可直接固化2764、27128、27256三种芯片,既可使用HH98板上的固化电压,也可使用外部固化电压,固化电压是在进行固化操作时自动接通的,这样可避免因误操作而损坏EPROM芯片。EPROM读写板元件排布图和原理简图将在下期刊登。(未完待续)(朱小华 陈尚品 梁建国)