TDA70××系列调频单片电路包括TDA7000、TDA7010T和TDA702lT等,许多读者利用上述的集成电路制作收音机。本文就以TDA7021电路为例,讲解有关的工作原理和制作方法,供初学者参考。

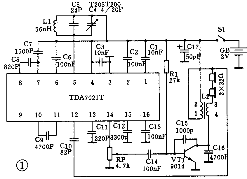
图1是采用TDA7021T组成的微型调频收音机电路图。该收音机使用耳机放音,并将耳机线用作接收天线。天线信号由耳机线经耦合电容C10进入电路内部的射频放大器。L2是射频阻流线圈,以阻止耳机线上的天线信号通过耳机和音频输出电容C16流入地线而被损耗掉。C11是射频放大器输入端的旁路电容。L1、C4和C5组成本振调谐回路,可变电容器C4用来选台。C7、C8和C9是RC有源中频滤波器的电容。天线信号与本振信号混频后,由RC有源中频滤波器取出中频信号送限幅放大器和鉴频器。C6是限幅放大器输入端的旁路电容。C1是鉴频器输出端的滤波电容,用来滤除鉴频输出的中频信号及其高次谐波。从鉴频器出来的音频信号经过静噪开关后送音频放大器。静噪开关由电路内的中频波形相关器控制。C2是静噪开关控制电平的保持电容,静噪开关受该电容上电平的控制,如不需要静噪,可用一个10kΩ电阻并接在该电容两端。C3是电源的退耦电容。C12是调频去加重网络电容。C13是音频放大器输入端的旁路电容。音频信号从电路的第14脚输出,经音量电位器RP和耦合电容C14送给由VT1组成的音频功放电路,去推动耳机放音。R1是VT1的基极偏流电阻。C15和C16都用来抑制功放电路的高频噪音。C17用来消除当电池内阻增加时出现的啸叫声。
该收音机的印制板布线和元件排列如图2所示。电感L1用0.6mm的漆包线在φ3的骨架上绕5匝,然后脱去骨架做成脱胎式线圈。射频阻流线圈L2选用调频中频变压器的“工”字形磁心,用两根0.16mm的漆包线双线并绕7匝制成。这里要注意,双线并绕的两个起始端应分别是电路图中的第1和3端,不能搞错。

元件装好后,便可调试。调试极其简单,接上电源和耳机,将可变电容器C4旋至容量最大位置,轻轻拨动L1线圈间的距离,使收音机能收到87MHz的调频信号就行了。
电视伴音无线耳机实际上也是一个微型调频收音机。一种比较简单的方法是直接接收电视接收机中泄漏出来的电视伴音中频信号。由于电视伴音中频的频率是31.5MHz。因此,只要在上面介绍的微型调频收音机电路中把本振回路的电感L1和电容C5的数值改变一下就在2~4米内能接收电视伴音信号。电感L1可以选用电视接收机中的中频变压器磁芯和骨架,自制时,用0.12mm的漆包线绕5匝即可。电容C5改为43pF。

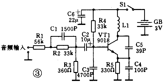
另一种方法是附加一个简易的调频发射器,电路图如图3所示。把电视接收机上耳机插孔中的音频信号经R1、耦合电容C2和由C1和R2组成的调频预加重网络加到由VT1组成的振荡电路中,利用VT1的结电容对振荡频率进行频率调制。振荡频率由C4、C5和L1确定,为避免对电视图象的干扰,振荡频率选在74MHz左右。L1用0.8mm的漆包线在φ7的骨架上绕3匝,然后抽去骨架形成脱胎式,调节线圈间的距离,可以改变振荡频率。调制度由电视接收机上的音量控制旋钮控制。调频接收机就用上面介绍的微型调场收音机,只要将C5的电容量改成39PF就行了。附加调频发射器不需要用天线,能在4~8米的距离内收听电视伴音。(虞建达)