本防盗报警器的体积只有香烟盒的一半。可隐装在摩托车体内任意位置。它的特点是:无论盗贼用什么办法打开车头锁,便立即报警,同时切断发动机点火电源,使车辆无法起动。若盗贼重新将车头锁锁上;也于事无补。如果盗贼企图将锁死的摩托车放在其它车辆上盗走,只要车辆离地便报警不停。
现将摩托车防盗报警的原理及安装方法介绍如下,供读者自制参考。
电路工作原理
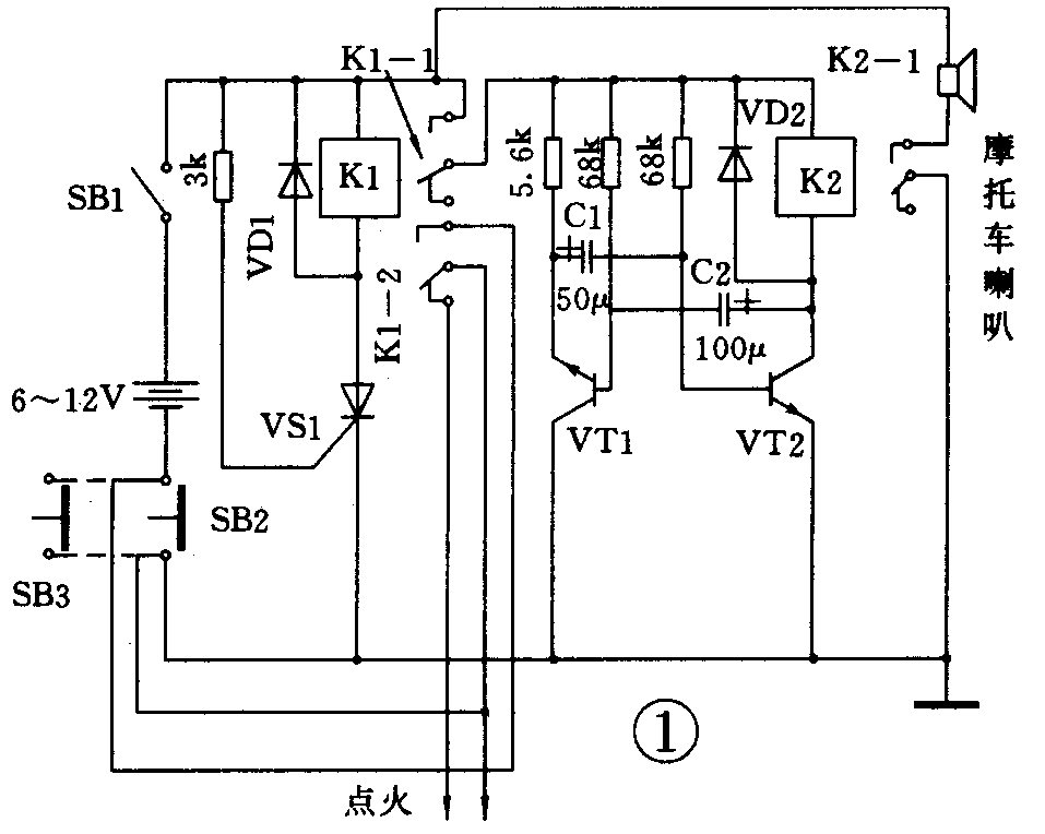
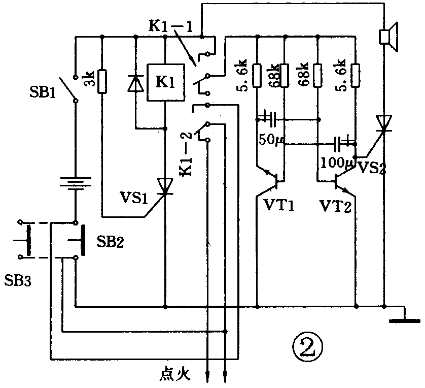
为缩小报警器的体积极,电路元件应该尽量减少,有两种方案供选择。图l为继电器控制式报警方案,图2为单向可控硅控制式报警方法。前者体积稍大些,而成本略低;后者体积小,而成本略高,但两者功能效果一样。


图(1、2)中,继电器和VS1单向可控硅组成开关电路,控制报警电路电源。VT1、VT2和K2(或VS2)组成振荡电路,控制摩托车喇叭发出断续的报警声。
等待报警状态时,因只有电源开关SB1接通,而SB2(即车头锁锁死时相当于关开)断开,此时K1不动作,报警电路不工作,所以不耗电。当车头锁被打开时,即SB2接通,VS1被触发导通,K1动作,接通报警电路电源,喇叭发出断续报警声。
在图2中,单向可控硅VS2的关断,是借助摩托车喇叭的自身结构完成的,因摩托车喇叭发声是通过振动膜实现的,振动膜相当于一只开关。而可控硅控制极和触发电压,则是由自激谐振电路提供。
电路一旦被触发(即车头锁被打开一SB2接通),K1-2的常开触点便闭合,将SB2自锁,此时即便SB2打开(即锁上车头锁),电源仍处于接通状态,只有断开SB1,报警方能解除。在K1动作时,其常闭触点K1-1断开,切断发动机点火电路。
元件选择及调试
本报警器的电源借助摩托车上的电瓶电源,可以是12伏,也可以是6伏。当电源为12伏时,继电器K1、K2应选用12伏直流继电器,触点电流应不小于2A。若电源为6伏时,应选用6伏直流继电器。其它元件可不变。
VS1、VS2为单向可控硅,VS1为1A/300伏,VS2为3A/300伏。
VT1、VT2为9014或3DG6。
只要元件良好,按照电路安装,接通电源即能正常工作。报警声响的长短与间歇时间通过改变电容C1或C2的容量来完成。
安装与使用
作为报警器,首先要考虑它的防破坏能力。衡量防破坏能力的主要标志是一旦报警器进入待报警状态,在没有专用工具情况下设计者本身也无法解除。为此,本报警器隐装在车体内,所有连线均为隐蔽线。SB1应装在点火钥匙盘内,与点火钥匙开关联动,即点火钥匙拔出时,SB1处于“通”的位置;当点火钥匙插入转到点火位置时,SB1处于“断”的位置。
SB2为微型自动复位式开关,装在车头锁的锁孔(管)内。当车头锁锁上时,其锁销将SB2置于“断”;车头锁打开(即锁销拉出时),SB2自动复位于“通”的位置。
SB3是防止整车被载上其它车辆盗走用的触发开关,它最好选用水银式开关,装在车体内任意位置。车辆停放时,水银开关处“断”的状态;一旦车辆被搬动即处于“通”的位置,(只要有一瞬间处于“通”的位置,电路便被触发自锁)。
为防止盗贼切断摩托车喇叭的引线,可选一定长度的钢管,做成如图3所示的形状,套在喇叭的两接线处予以保护。

图中的开关均可以自制,形式不限。
使用方法十分简单,只是开锁先后不同。通常摩托车车头锁与点火锁是共用一个钥匙,先打开车头锁再去点火,点火钥匙放在点火锁内。使用本报警器,需两个同样钥匙,即先将钥匙插入点火锁内且转到点火(即电源接通位置),然后再用另只钥匙打开车头锁,即解除等报警。
若使车辆处待报警状态,应先锁上车头锁,然后再把点火钥匙转到关的位置拔出。
这个操作顺序必须遵守,否则发生误报警。(杨国治)