就像扩音机至少要有功放部分一样,卡拉OK机应该有混音电路和混响电路,高级的卡拉OK机可以有频率均衡电路以及其它辅助电路。所以说,混音电路和混响电路是构成卡拉OK机的核心。

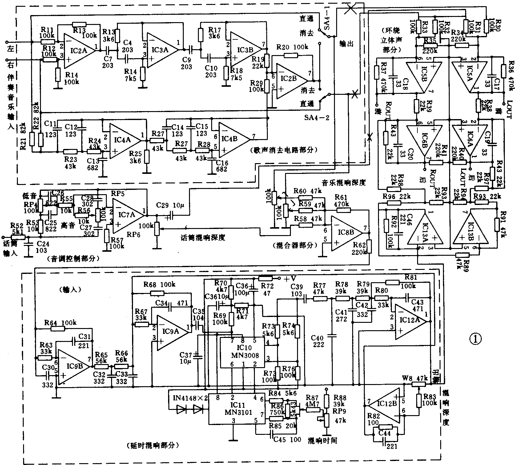
图1是卡拉OK机的总电路图,从图中可看出混响部分的时钟是由IC11产生的,RP9与结型场效应管SR43配合,为IC11提供电压频率控制,依照公式t=N/f可知,RP9实际上控制的是延迟时间,也就是混响时间。输入、输出部分的两个低通滤波器由R65、R66、C32、C33、R77、R78、R79、C40、C41、C42等构成。反馈部分是IC12B、RP8、R82、R83、C44,反馈深度由RPS控制。IC9A及其周围器件是混合器,IC9B、IC12A起缓冲作用。R73、R74、R75、R76负责BBD双向输出信号的合成。

我们这次介绍的卡拉OK机,其特色之一便是图1上虚线框中的歌声消去电路。以往的消歌声电路如图2所示。左右声道的信号一路经反相后与另一路相加,并通过微调混合比来尽可能地消去均匀录于两个声道的歌声信号。不过,这种简单的消声电路效果并不十分理想,为什么这么说呢?
第一,虽说合成时歌声信号是平衡地录到两个声道上,相位也一致。但由于歌声信号中高频成分在传输、录制、复制以及重放中产生衰减和附加相移,而且毫无规律可寻。所以说,高频段的抵消效果并不十分理想。
第二,因为伴奏音乐中的低频部分一般也是比较均匀地合成到左右声道中去的,所以说,消去电路也会把这部分信号消掉。
第三,经过歌声消去电路处理后的信号,歌声虽然去掉了不少,但残留下来的伴奏音乐信号的电平也降低很多,且声像紊乱,高低频比例严重失调,已不具备欣赏价值。
这次我们推荐给大家的歌声消去电路正是针对以上三个弱点而专门设计的。参看图3。

左右声道的信号首先经平衡控制后加入混合相减电路,在这里,歌声信号及低频的伴奏音乐信号基本上相互抵消。而后,信号进入截止频率为2kHz的四阶高通滤波器,将残留的歌声信号及低频伴奏倍号滤除。左右信号的另一路经混合后加到六阶低通滤波器上。在这里,滤波器的输出再次混合并输出。我们可以发现,这个歌声消去电路等于是在左右相减电路的基础上增加了一个200Hz到2kHz的带阻滤波器。当然,这样做会使伴奏音乐中的中频成分也损失很多,但消声效果却是十分明显的。由于低频部分损失较小,使得伴奏浑厚有力,节奏明显,演唱效果还是不错的。
下面,我们来看一下图1上虚线框中的实际电路,IC2A是减法器;IC3A、IC3B是四阶高通滤波器,转折频率为2kHz,带外衰减每倍频程24dB;IC4A、IC4B组成200Hz的六阶低通滤波器,带外衰减36dB;IC2B负责高通和低通信号的混合;SA4用来切换是否加入歌声消去电路。
我们再来简要地分析一下整个卡拉OK机的电路。从左上角看起:伴奏音乐的左右声道信号加到歌声消去电路,由SA4控制输出。输出的信号一路送环绕立体声部分,另一路送混合器,与话筒信号混合。进入混响器的音乐信号电平RP7也就是音乐混响深度电位器控制。而后,话筒信号送入IC7A组成的音调控制部分,并由RP6控制,将信号送往混合器,RP6就是话筒混响深度电位器。可以看出,这种卡拉OK机的话筒混响深度和音乐混响深度可以分别调节。
混合器IC8B的输出送入延时混响部分,混响器的输出则加到环绕立体声部分。这部分是一个最简单的环绕立体声分配器。由歌声消去电路输出的伴奏音乐信号和音调控制部分输出的话筒倍号,经电阻网络混合后,由IC5A和IC5B输出。这两路没有经过延时的信号送到听众前方的两只扬声器中放出。而延时混响电路输出的混响信号则加到IC13A,反相后再加到IC13B。随后,在IC6A和IC6B中与前方未加混响的信号混合,送到听众后方的两只扬声器放出。采用这个电路,可以进一步地增强混响效果,烘托演唱气氛。
不过,我们很多爱好者装卡拉OK机都是为了在家庭中使用。目前大家的住房条件和经济承受能力可能都不是太高,四声道的模拟环绕立体声设备有点太讲究了。在这种情况下,可以只使用IC6的两个输出。如果实际使用时,感觉声像混乱,也可以这样改一下电路:将标“×”号地方的引线切断,把R31和R32相连的那端直接接到延时混响部分的输出端即可。这时,信号从IC5A和IC5B输出。
最后,再介绍一下这台OK机所用的元器件。电阻、电容无特别要求,电解电容器耐压应大于25V,IC1到IC9,IC12和IC13可用通用高速双运放TL082。(赵九泷)