这种圆珠笔收音机,结构新颖,外形美观,成本低,耗电少,调试容易,频率指示为直线指针式,选台采用调感式,提高了可靠性,根除了可变电容器的静电噪声。圆珠笔可自由伸缩,可边听边写,集收音、书写于一体,整机重量仅20克,携带使用很方便。
它的电路方框图如图1所示。电路由四级高放,自动增益控制电路,检波和低放电路组成。它的第一级高放输入阻抗很高,对谐振回路Q值影响很小。又由于后三级均设有自动增益控制电路,因此整机的灵敏度和选择性都明显优于一般直放式收音机。特别指出的是,以上电路均集成在SD881集成电路中。

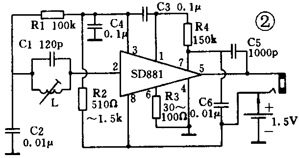
用SD881电路构成的收音机电路如图2所示。图中,SD881外引线1脚是第一级低放输入,2脚是信号输入,3脚是检波输出,4脚是地线,5脚是音频输出,6脚是低放发射级,7脚是第二级低放输入,8脚是电源。

由LC1组成调谐回路。改变L的电感量就能改变接收频率。C2为调谐回路为高频通路。由LC1回路接收进来的高频信号,经过SD881中的多级高频放大,检波和低放之后,认输出端送出的即为音频信号,可直接驱动中阻耳机放音。R2是SD881电路AGC的控制电阻。由于集成电路增益略有差别,改变R2可对增益作一定范围的调整。C3是检波级和低放级的耦合电容,C4是滤波电容。R3是低放级发射级电阻,R4是低放级偏置电阻。C5C6为高频负反馈电容,用以消除电路自激。
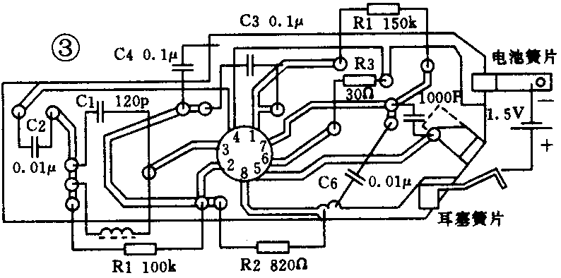
图3是笔型收音机的印刷电路板图(2:1)。

整机的安装与调试:
(1)先将四个电阻,六个电容按印刷板图标注位置焊好。注意焊点高度控制在1.5mm左右,太高了会影响盖盖。
(2)接着将三个弹簧片焊好。其焊接位置正确与否将对可靠性有极大影响。
(3)本机采用调感式调谐,即天线线圈固定不动,改变磁棒位置即可选择电台。磁棒位置的改变是靠齿条带动的。磁棒与齿条相应位置的粘接一定要平行。不得上下左右倾斜,否则会影响磁棒在线圈内的运动。
(4)将粘好的磁棒齿条套上线圈。置于主壳内,套上调谐轮。转动调谐轮使齿条可作前后运动。线圈暂不粘接。
(5)将电池正极开关簧片插进定位柱缝隙间,此簧片不用焊接,用电烙铁将塑料柱烫倒封住簧片。
(6)将焊好元件和簧片的印刷板卡进主壳体的三个定位往内。用低温烙铁将三个塑料柱朝印制板方向烫倒以卡紧印制板,防止松动。注意不要烫得太过份。
(7)将电池负极簧片及音频输出簧片弯曲到位。焊好线圈。
(9)装上电池,插上耳塞,拨动调节轮使齿条刻度指示器对准当地某一个低端或高端电台的位置,然后再拨动天线线圈使该电台的声音最大。线圈的位置便确定下来。调好之后即可用塑料粘接剂将线圈粘牢。注意不要让胶流到齿条运动的部位以免妨碍齿条运动。
(10)最后将圆珠笔芯插紧在笔卡上。套上笔簧,装配到位,盖上后盖,戴好笔帽。此时再去掉电池,装配笔插,再用烙铁通过电池负极簧片导热,烫软笔上的定位柱,笔插即固定完毕。装好电池及电池益。插上耳塞,拨动调节轮,整机装配完毕。一般情况下只要元件合格,无错焊,漏焊,短路,装配正确,均能一次成功。(刘军)