本文介绍的四路红外遥控器核心器件采用一对多路遥控编译码集成电路MC145026和MC145027。
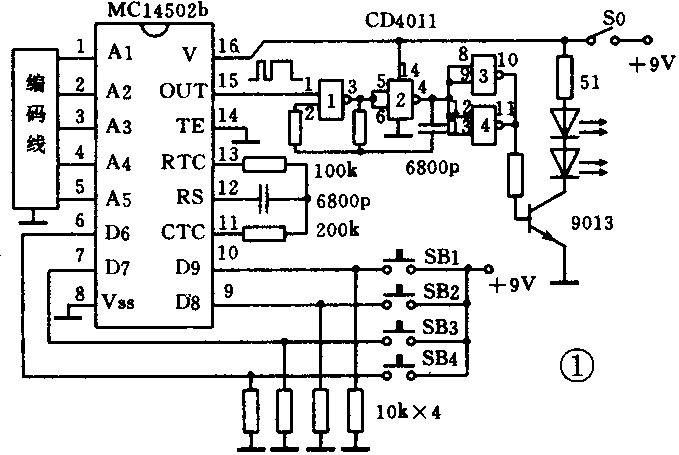
图1是红外发射器电路。MC145026是编码器,它的第11、12、13脚外接的阻容件决定其时钟频率,f\(_{0}\)≈1/2.3RTC·CTC。这里对阻容件有一个限定范围,要求RS≈2RTC、RS≥20kΩ,RTC≥10kΩ,400PF<CTC<15μF。A1~A5是编码地址输入,可以接高电平“1”、低电平“0”或者“开路”这三种状态,这样最多可以编成3\(^{5}\)=243种码型。D6~D9是数据输入,只可以编成“l”、“0”两种状态。编码器是用脉冲的宽窄不同来代表所编的码型,如图2所示:对于编码状态“l”,是连续两个宽脉冲;编码“0”是连续两个窄脉冲;“开路”则是一宽一窄。编码数据流从MC145026的第15脚串行输出,顺序为A1~A5、D6~D9。第14脚TE-是发送控制端,低电平有效。在图1中将TE-直接接地,这样只要给器件加电,它便不停地发送数据流。MC145026第15脚输出的编码数据流去控制由与非门1、2组成的脉冲振荡器。这个振荡器的振荡频率大约为40kHz,经与非门3、4和三极管9013驱动两只红外发光二极管发出40kHz的调制红外光。因为只有当MC145026的第15脚输出高电平时,40kHz振荡器才起振,所以在调制红外光中就已经包含了编码数据信息。微动开关S1~S4完成对D6~D9的编码,按下去是“1”,抬起来是“0”。


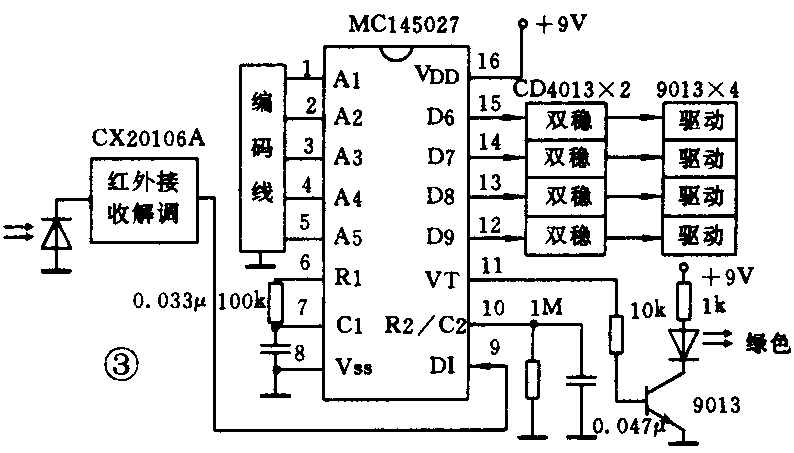
红外接收控制电路原理框图见表图3。红外接收解调部分使用了专用红外前置放大集成电路CX20106A,具体电路见图4。CX20106A内部包含了放大、限幅、带通滤波、积分比较等电路。可以用一名句话来概括一下CX20106的功能:只要接在1脚的红外接收二极管接收到位于其通带之内的调制红外光,其第7脚就由高电平变成低电平。这样,发射器发出的携带有编码数据的调制红外光经CX20106A接收、解调后再经三极管9011反相,就得到了和发射器中编码器第15脚完全相同的编码数据波形。


图3中译码器的型号为MC145027。它的几个外接阻容件要根据发射器中编码器的外接阻穿件的数值来选择。要求R1·C1≈3.95RTC·CTC;R2·C2≈77RTC·CTC。不过对于R1、C1、R2、C2的数值要求并不苛刻,只需取邻近的标称值就可以了。MC145027的A1~A5是译码地址输入,要求和发射器中编码器的地址设置状态完全对应相同。这样,当红外发射器工作时,接收器接收到对应信号时,MC145027的VT端便由低变高,绿色LED点亮,指示出接收有效。D6~D9端随着发射器中开关S1~S4按下而对应出现高电平,这些高电平去触发各自对应的双稳态触发器,并通过驱动电路使继电器吸合或释放,由此完成对各种电器的开关控制。
四个双稳使用两片CMOS双D触发器CD4013,驱动部分使用了四只9013。图5给出一路的具体电路,D触发器接成反转型,每当时钟输入C有一个上升沿变化,其输出Q便改变一次状态,通过9013驱动继电器也改变状态。

红外发射电路使用一节9V迭层电池;接收控制电路电源电压也为9V,可以采用普通的整流、滤波、稳压电路,本文不再赘述。
电路中唯一需要调整的是发射电路中的脉冲振荡器,一般是调整与非门1输出端所接的1.1kΩ电阻使振荡频率为40kHz。编译码器中的地址输入编码线可随其所好,编成任意的码型,但编译双方必须一致。
这套编译码集成电路不仅仅是只能用作红外遥控,它可以很容易的与超声、射频、电力线载波等传输媒体接口,最简单的情况可以是两条线来传递信号。而且也不仅仅是“一对一的使用,可以形成“一发多收”或“多发一收”系统。这只要改变编译码器所输入地址状态便可办到。因此,可以应用在小型无线呼叫系统,多路对讲选呼系统,多路报警系统等方面。(李洪明)