STK4192常见于名牌组合音响中。经过对STK4192常规线路的分析、研究,对其进行了改进设计,提高了STK4192的性能指标。电路如图1所示。

1.取消了自举电路。STK4192内前置级由差分输入和电压放大器构成。常规线路这部分供电电压比后级(电流输出级)低,我们增设了一组比电流输出级电压高的稳压电源±V\(_{1}\)对它供电。这样就拓宽了前置电压放大级的线性工作范围,减小了开环失真,展宽了频响。由于电压放大级输出电压增高,为取消常规线路中引起瞬态失真的自举电路提供了条件。高低压供电和取消自举电路能十分有效地减小谐波失真和瞬态失真。
2.取消负反馈端接地电容器,扩展了低频响应。为稳定直流中点电压,特设由IC2构成的直流电位自校零电路。STK4192输出的直流电压送入IC2的同相端,与反相端的地电位相比较,由IC2输出一个校正电压使STK4192输出直流电位稳定在零伏。
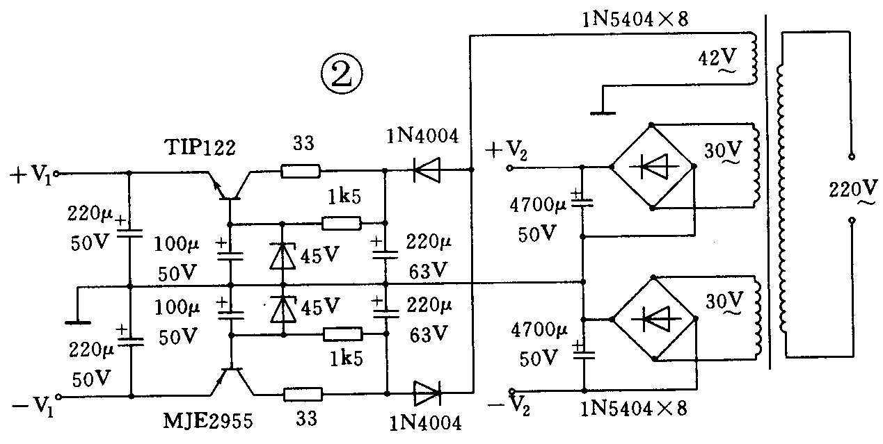
3.采用双桥式整流供电。通常的中心抽头式单桥式整流电路,纹波电流和有用信号电流在同一回路流动,纹波电流会通过电源变压器次级中心拍头泄漏给放大器,增加了“哼”声和互调失真。双桥式整流使纹波电流和信号电流流经各自的回路见图2,有效地消除了100Hz“哼”声和互调失真。

4.增设功能齐全的保护电路。在大功率扩音机中喇叭保护电路和开机防冲击电路是必不可少的。开机冲击对喇叭和集成块都是一种严重的破坏,优质音箱更是重点保护对象。由V1、V2、V3构成短路过流自恢复式保护电路。当出现短路过流时,检流电阻(0.25Ω)上压降增大,V1导通,电容C被充电。V2、V3导通,使V6导通,V7、V8截止。继电器K1跳开,断开负载。V2、V3构成双稳态电路。若电阻R取得较小,则V2、V3导通后有较大的电流流过,大于V2、V3维持导通所需的电流,使之不再恢复为截止状态。若R取得较大,则导通后流过V2、V3的电流就小于最小维持导通电流,当电容C上的电压降低到一定程度后,V2、V3又恢复截止状态,K1吸合。若短路未排除,K1跳开,数秒后又吸合,如此反复。这种间歇性瞬时短路为集成块所允许(STK4192、4191、TM2001A允许连续短路2秒),但如有短路发生也应及时关机排除。本设计考虑到偶尔出现的非正常大信号冲击引起瞬间过流保护后可自行恢复工作,免除人工再开机。
5.严格一点集中接地。通常的接地概念是避免出现交流声,这远远不够。交流声是一个静态指标,一般的印制板设计都可以保证,但印制板设计不良引起的互调失真往往容易被人忽视。不同性质的地例如:输入地和反馈电阻的冷端,绝不能就近连接在一起,而应在2个滤波大电容附近引出一个齿轮状的地线网络到多个不同性质的地端。两条地线即使是紧邻且互相平行地走向同一区域,也绝不应贪方便改成一条走线。这无疑会增加印制板设计的难度,我们采用双面印制板,实现严格一点集中接地。其中一面专用于齿轮状地线网络走线,有效地减少了互调失真。
STK4151、4191内电路和STK4192一样。其改进也按上述方法进行。上述5点改进设计均可灵活应用到其他集成功放电路和分立件功放电路中。(陈启新)