电容器在电视机电路中大致作用如下:耦合、谐振、旁路、滤波以及与电阻形成积分或微分电路等,而电视机所发生的故障中有相当部分与电容器损坏有关。如对它们在电路中的作用不甚了解,或在检修工作中未能予以足够的重视,则可能走弯路甚至造成重大损失。
电容器的损坏不外有以下几种情况;内部开路、短路、漏电或变值等。损坏的原因可能因本身质量欠佳,也可能因使用条件不当所致,长期使用老化变质也是重要因素之一。
工作在高电压、大电流(例如电源、行输出电路)中的电容器损坏后,常出现保险管或限流电阻烧断、厚膜电路或开关管击穿之类的故障、表现为整机无光、无声;在低电压、小电流(如中放、伴音)等电路中,电容器损坏所造成的损失相对小一些,其表现因故障所在部位而异,所以当电源或行输出电路发生器件击穿、烧毁等故障后,在更换零件时一定要认真检查相关的电容器,以免出现新的故障或造成不应有的损失。
由电容器损坏而引起的电视机故障是多种多样的,下面以几个实例来说明。
例1:环宇CPS-182HB彩电(请见图1)。

故障现象:开机后无声、无光。
检查与分析;保险管F901断、电源厚膜电路IC901第①、④脚击穿。更换新品(STR6020)后开机,发现IC①脚的直流电压只有200V左右,马上停电后仔细检查,测出电源滤波电解电容C906(180μF/400V)基本无容量。
分析:由于滤波电容失效,输入的市电电源220V经整流后的平均电压偏低,但其波状峰值电压却很高,这是造成原厚膜电路击穿的主要原因,如不及时关掉电源,新的IC又有被击穿之可能。
例2:夏普1803-DK(请见图2)。

故障现象:开机后无声、无光。
检查与分析:保险管F701断,厚膜电路IC701(IX0323CE或STR4090S)已击穿。更换新品后断开原负载电路,接入假负载(470Ω/30W)开机试验,发现输出电压不对,而且脉冲变压器“吱吱”叫。马上停机,仔细检查,原因是滤波的小电容C711(10μ/100V)已开路失效。本机属于脉冲调宽式开关电源,在IC701第③脚上加有由变压器次级绕组⑥~③送来并由D707整流后的取样电压,当滤波电容C711失效后此电压偏低,致使IC内开关管的导通时间加长、功耗增大,因严重发热耐压降低而损坏。
例3:金凤C47SI(请见图3)。

故障现象:光栅正常、但图像和声音时有时无。
检查与分析:经查本故障系高频头的供电BM(+12V)不稳所致,断开图3中A点,测C55上电压,正常,说明问题在高频头内部。停电后测BM端对地电阻值飘浮不定,说明有短路或漏电。经过用“分区停电法”检查,发现此进线端子(内有穿心电容)漏电。将其破坏后改用一只1000P瓷介电容器接入后,整机恢复正常。这种故障在某些国产高频头中常见,因它内部多采用贴片元器件,线路又很细微,所以修理时一定要细心。
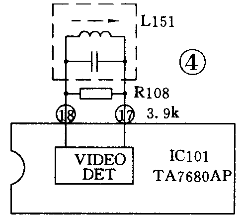
例4:黄河HC47一Ⅲ(请见图4)。

故障现象;图像不清、有时呈负像,插拔一下天线能正常工作,但一会儿又不正常。
检查与分析:这是东芝系列彩电的特有故障,原因就在于中放集成电路的视频解调部分(VIDEODET),它外接的谐振线圈L151内部装有一只管状电容器(约47P),在空气中氧化后其表面银层发黑变值,引起回路失谐,造成本机故障。这在使用TA7607和TA7611的中放电路中也极为常见,由于电路对L151的谐振曲线要求并不太严,一种最简便的方法就是在线圈两端(3.9kΩ电阻上)并联一只100~150Ω的电阻。这种方法已在几十台机上使用,效果不错。
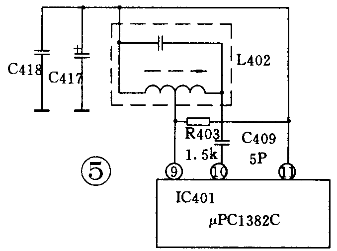
例5:福日HFC一321(请见图5)。

故障现象:伴音声小,而且失真严重。
检查与分析:这是日立系列等采用μPC1382C作伴音中放的彩电特有故障。原因在于伴音中放解调回路的外接线圈L402,它的内部接有一只管形电容器。长时间使用后表面被氧化,银层发黑变质,造成失谐而形成上述故障。处理的方法是:将线圈取下后把里边的电容去掉。焊回线圈,然后在线圈的两端并接一只47P左右的瓷片电容(应选温度系数小的)。最后在开机时用无感改锥仔细调整磁芯,使伴音既洪亮又不失真,再滴上少许石蜡防止松动。(于永军)