日立CPT2125SF/DU21英寸平面方角遥控型彩色电视机,采用NP84C22/24机心,是近几年来我国较流行的高档彩电,现介绍数例常见故障的检修。
例1:开机无光无声,但仔细辨听,机内(开关变压器)有轻微的吱吱叫声。
分析与检修:在日立21遥彩色电视机中,故障率最高的就是行输出变压器短路或断路,其现象就是无光无声。并且机内有吱吱叫声。当然这种故障还可能出自电路其它部分,为此,可按下述方法判断:(1)开关变压器发出吱吱叫声,这说明开关电源电路已经工作,用三用表测量+B电压,发现只有65V,估计是负载电流过大造成电压下降。(2)见图1,测量行输出管发射极电阻R781(6.8Ω、7W)两端压降,当+B为正常电压110V时,应为2.3V左右,此时行电流为350mA左右(随屏幕亮度变化稍有变化),而本例在+B只有65V的情况下,R781压降却为2.7V,说明行电流过大。负载有问题。(3)所开行偏转线圈,测量+B电压仍为65V,说明故障和行偏转线圈无关;停电,拔下高压嘴(注意先放电),再通电,测+B仍为65V,说明行输出变压器的负载也没有问题。(4)+B的负载中最易出故障的是行输出变压器T761和行输出管Q781,因行输出变压器故障不易准确判定,故先要排除行管的故障可能性。因已有行电流,说明行管已经工作,不存在断路或短路之说,只是担心行管在高压工作时会出现软击穿,产生严重漏电,而这种故障尽管出现的几率不大,但确实也曾有过,这时用一般测电压、测电阻的方法是无法判定的,因此,最好是用JT1晶体管特性图示仪测试Q781输出特性曲线,没有条件也可先借一只好管换试。本例经测试行输出管没有问题(5)经以上分析测定最后确认是行输出变压器绕组局部短路,换一只原型号行输出变压器,换后略调聚焦即收到了令人满意的清晰图像。

例2:开机后,屏幕中间出一条约5mm宽的亮带,先呈白色,接着变蓝色,然后转红、绿交替变化,约几分钟后,出现吱吱叫声,然后消失,屏面全黑。
分析与检修:从故障现象来看,是场扫描电路有问题,因此屏幕中间出现亮带,亮度变化与色度电路有关;工作几分钟后屏面全黑,说明保护电路动作,看起来还有过压过流的问题存在。在该机中和场扫描电路有关的有两个集成块:一是IC501色度解码及行场振荡集成块,型号是HA51338SP-3;另一是IC681场输出集成块,型号是μPC 1378H/LA7830。因此查我故障首先应从这两条入手。
(1)见图2,首先测量场输出集成块IC681各脚电位,测得①~⑦脚分别为0V、0V、24.3V、2.7V、0V、25V、0V;其中电源端⑥脚为25V,说明本机电源部分、行输出部分都是正常的,给该块提供了正常的工作电压。但其余各脚电位都不对,特别是输入端④脚,正常值应为0.8V左右,而现在是2.7V,有明显差别;输出端②脚正常值应为13V左右,而现在接近0V,也就是说场扫描没有输出信号。(2)是IC681集成电路本身有故障,还是前级信号没进来,尚需进一步验证。断开R601,在场输出块IC681输入端④⑤两脚间加一个6V左右交流信号,本例用维修彩电的自制电源隔离变压器的6V抽头,串一只2.4kΩ电阻注入交流信号,此时屏面出现一闪一闪的光栅,测量IC681输出端②脚直流电位为12.5V,说明IC681块没有损坏。(3)此时仔细观察光栅,看到光栅先是黑白相间,后转紫蓝,后来又变成一块一块的红色,看来IC501故障可能性大,因它既为场输出提供激励信号,又是色度解码块,颜色变化和它有关。(4)恢复电路,测IC501场励信号输出端脚为3.6V,正常应为0.4~0.9V,看来该块输出不正常。是外围元件参数变化所致?还是块本身的故障?需仔细测试场辐、场振荡的有关元件R623、R625、R613、C613、C622、D621、R611、C611、R604、ZD601、C601、C686等之后,方可确认。经查,外围元件都正常无损,问题在于IC501集成电路本身,购一只同型号集成块换后,彩电立即恢复正常。

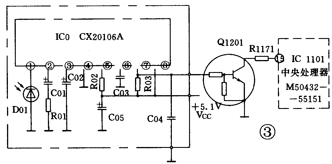
例3:手动控制时各种功能均正常,但是用红外遥控发射器遥控时,只有把发射器贴近电视机时,才能实现控制。
分析与检修:手动控制正常,而遥控不灵,说明问题在红外遥控的发射和接收两个部分电路中,而与其它部分的电路无关。遇到这类故障(1)首先检查发射盒内电池是否有电,如果电池正常,可试一下发射盒有没有问题,最简单的办法是找一台同型号的彩电或带有UC标志的日立牌录像机,试一试发射器是否正常。如果没有这个条件,可用半导体收音机一试,方法是把收音机调到中波910kHz或130kHz附近,把发射器靠近收音机约300毫米左右距离,找正方向,这时按发射器的任一按键,只要发射器正常,收音机就会接收并发出清晰的“得、得、得……”连续响声。因发射器内晶体振荡频率为455kHz,这样其谐波辐射正好在910kHz和130kHz左右。本例用上述方法检查后,没有发现问题。(2)检查接收部分。见图3,红外遥控信号是由光电二极管D01(BPW41N)接收到发射器的红外线信号,将其转换成电信号送入集成块ICO①脚,在块内经放大、整形,从⑦脚输出还原成代码信号的波形,送至中央处理器IC1101进行信息处理,从而实现各种控制功能。在信号整个传递过程中,光电管D01、集成块ICO,外围元件如自动增益控制的辅助电路C01、R01,输出负载电阻R03以及内含基极偏置电阻的三极管Q1201、耦合电阻R1171等都是重点检查部位。本例检查中发现电解电容C01(1μ50V)失效,由此造成ICO块内放大器增益下降,影响了接收灵敏度,换后即恢复正常。(李蒙)
