本文介绍的高性能双变频收信机是用于接收业余频段CW(等幅)信号的多波段接收机,图1是原理图。本机接收80米波段(3.5~4.0MHz)信号时,采用单变频超外差工作方式。信号经80米段预选滤波器进入80米段混频器,与VFO的振荡信号混频,变成9MHz的中频信号,中频信号经放大后进入晶体滤波器,再经放大进入乘积检波器(实际上也是一种混频器)与BFO差拍,产生约800Hz的音频信号,音频信号经RC滤波器滤去其它不必要的高、低频成份,进入音频放大器。接收高频段信号时(如:40米段),信号经40米段滤波器进入第一混频器,与3.3MHz晶体振荡器的信号混频,将7.0~7.30MHz的信号转换成3.5~4.0MHz范围内的信号,之后的工作原理同80米段。

电路原理
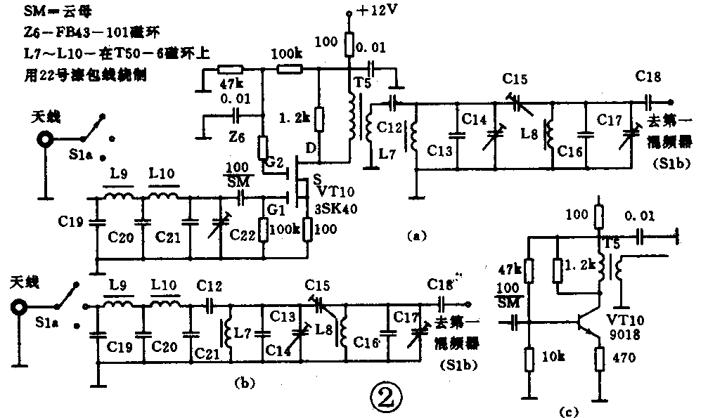
滤波器 第一混频器前面的40米段和20米段滤波器电路见图2。图2a是带RF放大器的20米段滤波器,图2b是没有RF放大器的40米段滤波器(20米段滤波器也可采用图2b的形式。不要RF放大器,把图2b中的电容量、电感量都减少一半即可)。这两个滤波器都由两部分组成。第一部分是5阶低通滤波器,这对防止VHF电视和FM广播信号引起的假信号反应是十分必要的;第二部分是L7、L8等组成的双调谐电路,对滤波器的选择性起主要作用。RF放大器由双栅场效应管VT10和低通滤波器组成。由L10等组成的低通滤波器的“π”型电路,可以起到阻抗转换作用。VT10的负载是宽带变压器T5,它把输出阻抗变成50Ω,因为T5后面的双调谐电路的输入阻抗是50Ω。如果没有双栅管,也可用9018,但电路要稍加改动(见图2c)。

混频器 混频器的电路见图3a。第一混频器和80米混频器的电路完全相同。从图中可以看到,混频器由双平衡式混频器U2(虚线内电路)和中频放大器VT9组成。这个放大器的输入、输出阻抗是50Ω。宽带变压器T4后面由3个电阻组成的衰减电路是为了阻抗匹配。VT9在较大的电流状态下工作,能减少失真。

整个混频器(U2和VT9等)都装在一小块印刷电路板上(最好使用双面板,只腐蚀一面,另一面起屏蔽作用)。这样的混频电路板共需两块,一块作为第一混频器,另一块作为80米混频器。电路不需要调整,一般均能正常工作。(赵辉)(未完待续)