经过十几年的努力,国产光耦合器不但提高了质量,而且价格也从二十几元降到了几元钱一个,品种也发展了许多,因此它在电子线路中得到了广泛的应用。
普通光耦合器
光耦合器的工作原理是电信号输给发光管(通常是红外发光管),使之发光,光敏器件(如光敏二、三极管、光敏电阻、光控晶闸管等)受光后,又输出电信号,这个电→光→电的过程,就实现了输入电信号与输出电信号间既用光来传输,又通过光隔离,从而提高了线路的搞干扰能力。
图1是典型的光耦合器——光敏三极管型光耦合器的内部结构,1~6分别为引出端的序号。

光敏三级管一般无基极引线,因为它的基极接收光信号。即使引出基极引线,使用中也不一定用到。在这种情况下,光耦合器相当于一个普通三级管,即三级管的发射级、集电极相当于光耦合器中光敏管的发射级、集电极,光耦合器中的发光管就相当于普通三级管的基极,见图2。懂得了这个道理,就可以用晶体管特性图示仪来测试光耦合器的许多参数。

线性光耦合器的特点
由于普通光耦合器输入、输出间传输特性的线性不好,所以不能用于模拟量的转换,只能用作光开关。
有了线性光耦合器,可以实现信号的线性传输,即:输出信号是随输入信号的变化而成比例地变化的。
有了高线性度的红外发光二级管及光敏器件才能制作线性光耦合器。图3是上海电器电子元件厂研制成功的双路输出线性光耦合器的外形及内部结构、管脚排列。

线性光耦合器的工作原理与一般的光耦合器是一样的。在脚号第3、4端,通以几毫安~几十毫安(不大于50毫安)电流时,红外发光管发光,第1、2端及第5、6端各为一光敏器件,它受光后即可输出几十微安的电流,而其输出与输入之间是呈线性关系的。
输入端(第3、4端)与输出端(第1、2端或第5、6端)之间的绝缘电压高达2.5千伏。由于线性光耦合器一般都是用在仪器仪表、计算机等方面,因此这个绝缘电压值已足够高了。
线性光耦合器为什么采用双路输出呢?如图4所示,第1、2输出端与第3、4输入端一起接入控制回路,其中第1、2端光敏器件起反馈作用:它受光产生的输出电流再反馈到第3、4端的发光管,对输入信号进行反馈控制。所以,实际上接入主回路的还只是第5、6端这一路输出。(当然,由于印刷板设计的缘故,如果把第1、2端接入主回路,也是一样的。)如果放弃一路输出,即输入端不接入反馈信号,器件可用为单路输出线性光耦合器使用。

线性光耦合器的主要参数
附表列出了线性光耦合器的主要参数。

下面将各参数的定义作一介绍:
1.正向电压V\(_{F}\)——发光二极管通过的正向电流IF为规定值时,正负极之间所产生的电压降。V\(_{F}\)以小者为好。
2.暗电流I\(_{D}\)——在发光二极管无输入、光敏管两端加规定的反向电压时,光敏管中流过的电流。要求ID越小越好。
3.反向击穿电压V\(_{BR}\)——光敏管中流过的反向电流IR为规定值时,在其两极间产生的电压降。V\(_{BR}\)大者为好。
4. 输出电流I\(_{L1}\)(IL2)——发光二极管的输入电流I\(_{F}\)和光敏管的反向电压为规定值时,光敏管第1、2端(或第5、6端)中流过的电流。
光耦合器中的输出电流,就是光敏器件受光照后流过的电流(光电流),当然是大者为好。但是,I\(_{L}\)太大会使器件的温度稳定性差,故也不宜太大。一般的光耦合器不用输出电流表示,而是用电流传输比CTR表示:
CTR=光敏管输出电流I\(_{C}\)/发光管输入电流IF。
5.输出电流比(I\(_{L1}\)/IL2)——发光二极管的输入电流I\(_{F}\)为规定范围时,两个光敏管的输出电流之比。
因为该器件是“双路输出”,所以有此参数,它表征了两路输出电流对称性。一般光耦合器均无此参数。
6.线性度δ\(_{f}\)——发光二极管的输入电流IF为规定范围时,在该区域内实际响应曲线接近于拟合直线的程度。在数值上可用下式表示:
δ\(_{f}\)=\(\frac{实际曲线与拟合直线的最大偏差}{该响应区的满度值}\)
这个参数表征了器件的直线性,既然是线性光耦合器,它当然是个重要参数。
7.入出端绝缘耐压V\(_{ISO}\)——输入端和输出端间的绝缘耐压值。
在一般的仪器仪表及计算机中,能有几百伏绝缘耐压已足够了,但是,如系医疗仪器,则为确保病人的安全,要求V\(_{ISO}\)达几千伏或更高。在电力系统中亦如此。
典型的应用线路
图5是双路输出线性光耦合器的线路基本接法。在输入端加正向电压E\(_{C}\),如前所述,EC=I\(_{F}\)R1+V\(_{F}\),R1=\(\frac{E}{_{C}}\)-VFI\(_{F}\)。其中VF由器件的材料及工艺决定,一般在1.1~1.3伏之间;正向电流I\(_{F}\)的值自取,一般取在10~20毫安范围内;EC是电路的电源电压。所以R\(_{1}\)的取值决定于所需的正向电流IF而定。

电阻R\(_{2}\)、R3一般取几百欧姆,V\(_{CC}\)取值5~15伏。
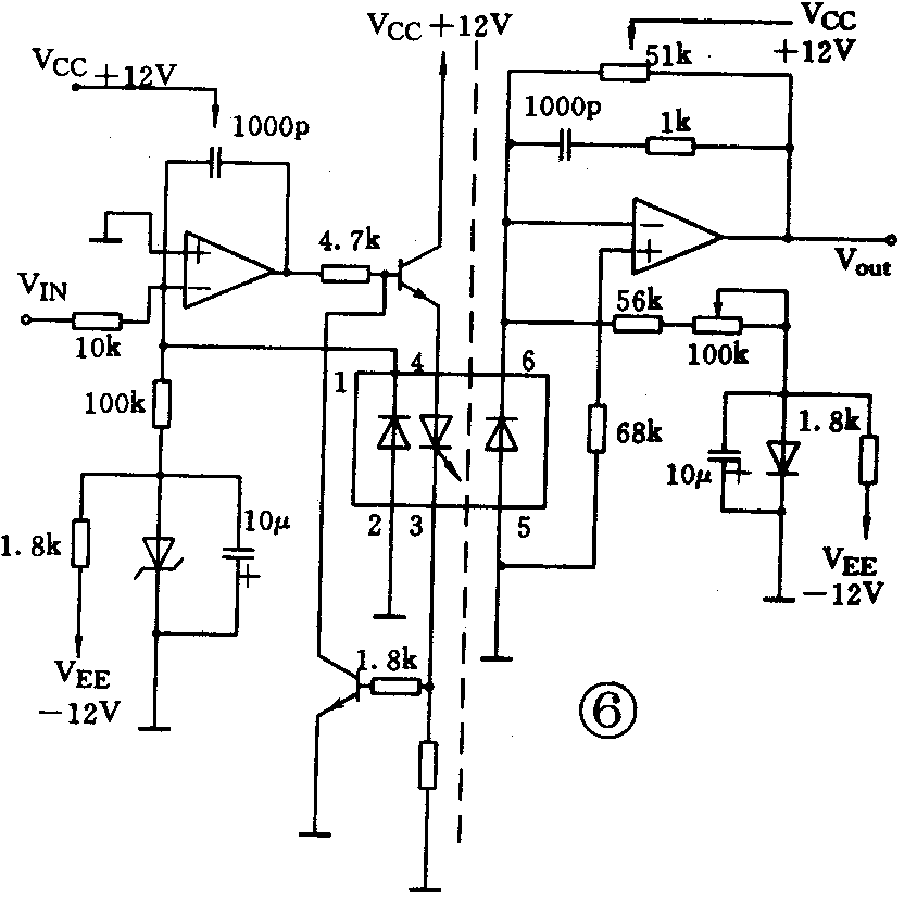
双路输出线性光耦合器已在心电图仪上应用较普遍,图6就是它的典型应用线路(图中所列数值仅供参考)。这里需要注意的是,光敏器件是要加反向电压才能使用,所以,图中的第1、6端应该接正;第2、5端才是接负,这在使用中应特别注意,不要搞错。

从图6中可以看到,虚线的左侧是控制回路,信号输入给第3、4端的发光管,第1、2端的光敏管受光后,输出信号与V\(_{IN}\)一起输入到运算放大器,这个反馈信号对线性光耦合器的线性及减小温漂均有帮助。虚线的右侧是电路的主回路,发光管发出的光信号既被第1、2端接收,也被第5、6端接收。第5、6端的输出信号经运算放大器放大后输出,它足可控制后级电路。
线性光耦合器已在心电图仪中得到成功的应用,并且还在变换器等仪表中逐步推广应用。(姚仁梧)