在收音机、扩音机、电视机以及电子设备中,我们常会看到用各种漆包线或纱包线绕制的线圈,这种线圈就是电感器。
电感器按工作原理不同可分为线圈和变压器两大类。
线圈的种类和用途
1.空芯线圈。用导线绕制在纸筒、胶木筒、塑料筒上组成的线圈或绕制后脱胎而成的线圈,由于此线圈中间不另加介质材料,因此称为空心线圈。它用图1(a)所示符号表示。英文字母L表示电感线圈。空心线圈的绕制方法有多种,如密绕法、间绕法、脱胎法以及蜂房式等,详见图1(b)所示。

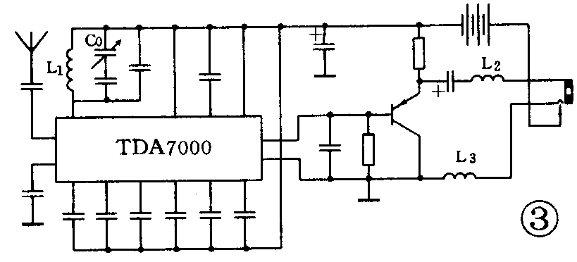
图2所示的扩音机音频输出端用的分频线圈L\(_{1}\)、L2就是采用图1(b)所示密绕法绕制的,它与电容器组成分频网络,对高、低音进行分频,以提高放音效果。图3所示调频收音机调谐回路的本振线圈L\(_{1}\)就是用0.7mm漆包线在直径为5mm骨架上绕制后脱胎而成的,它与可变电容器C0组成调谐回路,调节可变电容器C\(_{0}\),即可选择广播电台。


线圈产生感应电动势大小的能力称为线圈的电感量,用L表示,单位为亨利,用英文字母H表示。在实际使用中还用毫亨(mH)、微亨(μH)作单位,三者间换算关系:
1亨利(H)=10\(^{3}\)毫亨(mH)=106微亨(μH)
2.磁芯线圈。用导线在磁芯、磁环上绕制成线圈或者在空芯线圈中插入磁芯组成的线圈匀称为磁芯线圈,它的符号和实物外形如图4所示。图5所示的单管收音机电路中的高频扼流圈(GZL),就是选用了磁芯线圈、它的作用是阻止高频信号通过,而让音频信号和直流电通过,使耳机发出声音。


3.可调磁芯线圈。在空芯线圈中旋入可调的磁芯组成可调磁芯线圈,它的符号和实物外形如图6所示。在电视机中频调谐电路中就采用这种可调磁心线圈。当旋动磁芯可微调线圈的电感量,用以调整电视机的中频的频率范围。

4.铁芯线圈。在空芯线圈中插入硅钢片组成铁芯线圈,符号和实物外形如图7所示。图8所示电子管收音机、扩音机电源电路中的L\(_{1}\)就是选用了铁芯线圈,称它为低频扼流圈。它的作用是用来阻止残余交流电通过,而让直流电通过。


变压器的种类符号和用途
1.空芯空压器。它由两个空芯线圈互相靠近,而又彼此绝缘固定在纸筒、胶木筒上组成的,它的符号和实物外形如图9所示。空芯变压器的两个线圈分别称初级线圈和次级线圈。图10所示电子管收音机电路中的T\(_{1}\)就采用这种空芯变压器。通过它,可以把天线中接收到的信号耦合到变频级进行变频和放大。


2.磁芯变压器。它由两个线圈与固定磁芯所组成。符号和实物外形如图11所示。图12所示晶体管收音机电路中的天线线圈T\(_{1}\)就是这种磁芯变压器。


3.可调磁芯变压器。它的构造和符号见图13所示,即用两组导线绕制在同一磁芯上,并在上面加一个磁帽,当旋动磁帽时,可微调线圈的电感量。图12所示晶体管收音机电路中的振荡线圈LTF—2和中频变压器TTF—2就是这种变压器。

4.铁芯变压器。两组或多组线圈中间插入硅钢片就组成铁芯变压器,它的符号和实物外形如图14所示。图15所示收音机功放电路中的T\(_{1}\)和T2就是采用这种变压器。其中T\(_{1}\)称输入变压器,T2称输出变压器。它们的作用是变换阻抗和传输信号。


在收录机、稳压电源及仪器设备中用的小功率电源变压器也是用铁芯变压器,因此电符号与图14a相同,但外形不相同,而且体积较大。(周根发)