在娱乐场所或电子玩具中,常需要一种有流动变化感觉的彩灯。本电路能产生正方向循环,反方向循环和正、反两个方向同时循环流动的效果,而且有常态和闪烁两种工作方式,非常有趣。
工作原理如下:整机电路由振荡器、计数器和多路转换器等构成。振荡电路由7400组成带RC的环形多谐振荡器,见图1,振荡频率由RC决定。按本文给出的RC数值,调节RP时,频率可在0.5Hz~25Hz;范围内连续变化。

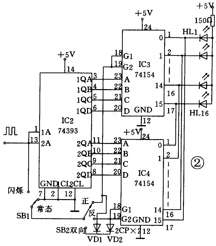
计数器和多路转换器如图2所示。计数器选用74393双4位二进制计数器。振荡器产生的一系列连续矩形脉冲同时送到74393两个计数器的输入端A,使它们同步工作。QA~QD为二进制计数输出端,分别接到多路转换器74154的输入端A~D。两个计数器的清除端CL均接地。74154是16取1译码器/多路转换器,其16条输出线按计数器加在A~D端二进制数依次变为低电平,点亮发光二极管HL1~HL16。G1和G2为允许输出控制端,高电平时禁止所有输出端变低。两块74154的输出线按相反的顺序连接,即IC3的0、1……15分别接IC4的15、14……0。

SB1为“闪烁”和“常态”控制开关,SB2为循环方向控制开关。当SB1置“常态”(即接地),SB2置“正”时,IC3的控制端G1和G2变为低电平使其工作,此时由于IC4的G1和G2悬空,是高电平,IC4停止工作,这时HL管发光顺序是按1→2→3……→16→1……进行循环;同理,当SB2置“反”时,IC3停止工作,IC4控制HL管按16→15→14……→1→16……的顺序反循环发光;当SB2置“双向”位置时,IC3和IC4的G1和G2按制端分别通过隔离二极管VD1和VD2接低电平,IC3和IC4同时工作,HL管一路从1开始正循环发光,另一路从16开始反循环发光,两路同时进行。因为不论何时,最多有两只发光管同时点亮。所以只用一只限流电阻即可。调整振荡器中的R,可改变循环发光的速度。SB1和SB2选用小型拨动开关。
当 SB1置于“闪烁”位置时,SB1与矩形脉冲输入端相连。当脉冲为低电平时,74154的G1和G2允许其工作,发光管点亮;当脉冲为高电平时,G1和G2不允许74154工作,发光管熄灭。这样,在脉冲的一个周期内,发光管就有一亮一灭的闪烁。发光顺序仍由SB2控制。
电路安装完毕,检查无误后,接通电源电路更能正常工作。发光管的颜色和位置可按自己需要编排,以组成各式各样的闪烁群。例如把16只发光管排成一行,电路工作时,就有一种互相追逐,好象水流一样的感觉。
若将本电路用于舞台或娱乐场所,因74154负载能力有限,必须在正电源和输出脚之间各增加一级晶体管驱动器,或使用固态继电器代替发光二极管直接驱动彩灯。(瞿贵荣)