本文介绍的定时提醒器有两个特点:①采用晶体振荡加数字分频,所以定时十分准确;②利用面板上的8个拨动开关的不同组合可以完成最小1.25分钟至最大320分钟之间任意时刻的定时,步进间隔为1.25分钟,因此这个定时器具有简单的可编程功能。定时时间一到,发出“嘀、嘀…”呼叫声,以提醒使用者。
①整机电路见图1。可以将整个电路分成四个部分:①2Hz信号产生部分;②1.25分钟信号产生部分;③定时编程控制部分;④音响产生部分。

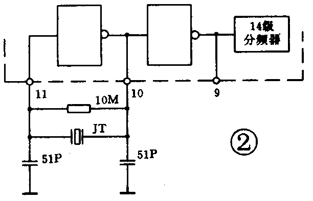
集成电路N1与外接32768Hz晶体等组成2Hz信号产生部分。N1的型号是CD4060,它是一片CMOS14级二进制串行计数器。它的第9、10、11脚内部电路如图2所示。这里利用其10、11脚内部电路中的反相器组成一个晶体振荡器。R1是偏置电阻,为反相器提供静态工作点,两个51PF电容器和晶体组成π型反馈网络。当然,如果把其中的一个电容器换成可变电容,可以使振荡频率准确地调谐到32768Hz上。我们这里使用固定电容,对一般应用来说,精度也足够高了。32768Hz的脉冲振荡信号经过14级2分频,即32768÷2\(^{14}\)=32768÷16384=2Hz。所以在N1的第3脚Q14端输出的便是2Hz脉冲信号。

集成电路N2、H1、H2以及外围元件组成1.25分钟信号形成电路。N2是一片CMOS12级串行计数器CD4040,从Q1~Q12这12个输出端都有引脚输出。第11脚cr是清零端,当在cr端加正脉冲或高电平时,各级计数器均清零。这里我们要特别说明一下:CD4040各级计数器都是输入脉冲的下降沿触发。如果我们想得到一个周期为2的整数次方的脉冲信号,则只需从对应的输出端直接引出就行了。例如:从N2的Q1输出的是1Hz信号,从Q2输出的便是0.5Hz信号,依此类推,一直到Q12,输出的应是周期为2\(^{11}\)=2048秒的脉冲信号。但如果要想得到一个任意周期的信号,比如我们这里要想得到的是以1.25分钟为周期的信号,就不可能从某一个输出端直接得到,因为1.25分钟=75秒,它不是一个2的整数次方数。这时就需要增加一些二极管与门电路来完成这种功能。

图3是CD4040的工作波形图。为简单起见,只画到Q4。首先我们看如何得到一个周期为5秒的信号。假设输入时钟1Hz,不妨这样想,如果每输入5个时钟脉冲,就给出一个清零脉冲将计数器清零,那么这个清零脉冲实际上就是一个周期为5秒的脉冲信号。而第5个脉冲到来之后,Q1=1、Q2=0、Q3=1,Q4~Q12=0,将Q12作为最高位、Q1作为最低位,写成二进制数为“101”,正好是5的二进制数。我们再来看第11个脉冲到来之后各计数器的状态,此时Q1=Q2=1、Q3=0、Q4=1、Q5~Q12=0,写成二进制数为“1011”,也正好是11的二进制数。如果我们将这些计数器的状态通过一个与门,就可以形成清零脉冲,而清零脉冲便是我们所需要的周期信号。由于1.25分钟=75秒,而75的二进制数为“1001011”,这个二进制数的第1、2、4、7位为1,即如果CD4040输入时钟为1Hz信号,则经过75秒后,它的输出端中有Q1、Q2、Q4、Q7为高电平,其余为低也平。而这些为高电平的输出端就是与门二极管的连接端。注意到在N1输出给N2的时钟是2Hz,所以实际的输出应后移一位,即与门二极管应接在Q2、Q3、Q5、Q8端。这样,只有在75秒时,Q2、Q3、Q8、Q8才全部输出高电平,使H1的输入变高,从而使H2输出一个高电平,通过二极管D5使N2清零,N2又重新开始计数。每过75秒,H2便输出一个清零脉冲,这个脉冲一方面将N2清零,一方面又作为定时编程控制的时钟脉冲加到N3的时钟输入端CP。
定时编程控制部分的工作原理与1.25分钟信号形成原理很相似,也是通过若干二极管形成一个与门电路,不同的是各个二极管是通过开关来形成不同的组合,从而完成不同时间的定时。因为N3的时钟脉冲周期是1.25分钟,那么Q1由低变高就需要1.25分钟;Q2由低变高需2.5分钟;Q3需5分钟,依此类推,它仍都是乘2的关系。图1中已经将各个输出端由低变高的时间标在了对应的开关上方。由上面1.25分钟信号形成的原理我们很容易算出,如果开关S1、S2、S3合上的话,则三极管VT1的基极由低到高要经过1.25+2.5+5=8.75分钟。由此看来,各个开关所标定的时间随着开关的闭合是一个简单的加法关系。反过来,如果需要定时60分钟,则只需将S6、S7合上即可;需定时75分钟,就把S7、S6、S4、S3都合上。这样当定时时间到时,三极管VT1基极变成高电平,VT1导通,推动音响产生部分发出声音提示。
集成电路H3、H4组成一个音频振荡器,通过三极管VT2驱动微型蜂鸣器发出声响。但H3、H4振荡受VT1的控制。只有当VT1的集电极为低电平时,这个振荡器才起振,而VT1集电极为低电平,亦即VT1导通正是定时时间到所形成的条件。而平时由于VT1截止,H3、H4是停振的。H4的一个输入接到N1的Q12端,由Q12输出的8Hz信号对音频振荡进行调制,使发出的声音断续,更能引起人们注意。
N3的第11脚所接1μF电容和100kΩ电阻是开机复位电路,保证定时准确。
整个电路按图安装无误,无需调试便可成功。如果发现工作不正常,应重点检查各个二极管极性是否焊反。电源使用5号电池,3节、4节都可以。
上述这种定时器的设计方法可以推而广之,比如N3的12个输出端可以全部接上开关以形成更宽的定时范围;又比如可以设计成定时几天、几个月、甚至几年的定时器,而所要做的不过是多串联几级计数器而已。而且,这种定时器也不仅仅是用作提醒,增加一些驱动控制电路,如可控硅、继电器等就可以很容易地形成定时控制,在许多场合都能派上用场。(李洪明)