这里我们给大家介绍一种线路简单、可靠性高的声控电路,它只对突发性的声音(拍掌)有反应,而对大声说话和音乐却无反应。
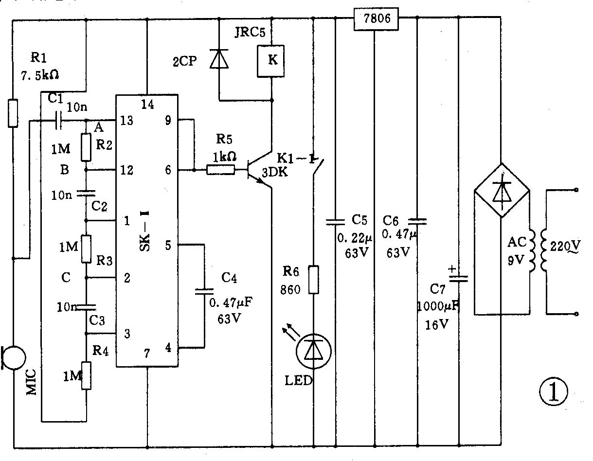
工作原理:该电路由一块SK系列CMOS集成电路和其它元件组成见图1。SK-Ⅱ是一种可靠性非常高功能也很完善的声控专用IC,它的内部结构如图2所示。图1中的R2~R4是放大器的反馈环电阻,它们的阻值越大,则内部放大器的增益越高。C1~C3是耦合电容器、C4是输入频率调整电容器,可控制电路对信号的反应时间,调整它可改变两次有效击掌的时间差,7与14脚分别接电源负极与正极。9、6脚是输出端,它随输入的信号同时呈现高电平或低电平,这里它们可以混合使用,也可以单独使用。单独使用时要注意,在高电平和低电平情况下,9端与6端的拉电流负载值与灌电流负载值有些不同。


晶体三极管是用来驱动继电器的,设计上我们让它工作在开关状态即可。小型灵敏继电器选用JRC5M,R6和LED是利用了继电器的触点JH显示继电器吸会状态的。电源部分用一只9V变压器经全桥过7806三端稳压器输出6V电压。电压的高低对改变整个电路的灵敏度和带载能力都有影响。一般的说电压高,灵敏度及带载能力强,但电压也不能提的太高,一般可选与5~10伏范围之内,电路以耗电200mA计,变压器选2W。
调试组装:图中话筒(MIC)选用灵敏度较高的驻极体话筒芯,由R1调整其两端电压略大于6V即可。R2~R4选在1MQ,C4根据实际需要在0.47μF~lμF之间做调整。晶体三极管选用I\(_{ceo}\)小的NPN系列开关管。
为保证电路有一定的灵敏度和可靠性,电源我们选用了三端稳压器,如果用其它方式稳压要尽量减少直流中的纹波含量。
如果照图1装好后电路不动作,应检查晶体管I\(_{ceo}\)是否过大、极性是否接反、NPN、PNP是否错用以及在焊接过程中是否损坏了IC块。
如果发现电路不断翻转,原因之一就是电路过于灵敏,可把话筒引入线由A点改接到B点,甚致C点以减少放大级数,也可换用β较低的管子。如果话筒输入线太长,最好选用屏蔽线以减少杂波的干扰。采用了上述措施,电路定会可靠动作。
功能扩展:我们知道SK系列产控IC的电路花样也很多,比如输出端可呈三态,即高电平——悬浮——低电平,也可以使它拍三声掌之后再动作等,读者可根据自己需要选择电路。现举一用SK接成触摸开关的电路,如图3所示。当手摸金属圆片时,由于人体感应IC电路翻转,继电器吸合,再摸金属圆片时,电路又会翻转,继电器释放。如果继电器用双向可控硅代替,则可直接控制220V电压的家用电器和某些工业电器。

图中9脚与6脚并用在电压为3~18V时,可直接驱动继电器。(马连生)