这台游戏机以音乐集成电路为核心,由数字电路来实现点唱控制,它的外形见图1。在游戏机的面板上布置有十个发光二极管,其中三个采用醒目的红色高亮度发光二极管,分别代表三个“点唱台”,相应的有三个点唱钮。游戏开始后,10个发光管轮流点亮形成一个追逐的光环。当其中一个发光二极管点亮的瞬间,如果不失时机地按下与其对应的按钮,则活动亮点暂时停留在这只发光二极管上。同时,扬声器立即播放一首优美的乐曲,表示点唱成功。当乐曲结束后,发光二极管又恢复循环点亮。如果想听另外两首歌,就要等到与乐曲对应的高亮度发光二极管点亮时,按动与其对应的点唱钮。如果游戏者的反应稍慢或时机掌握不好,点唱台将不理会点唱要求,扬声器既不发声,亮点也不停留,表示点唱失败。

本机电路原理如图2所示,从电路的结构来看它是由四部分组成。与非门1~6与周围的阻客元件组成点唱比较判别电路,这是电路的关键部分。IC1~IC3是音乐集成电路,点唱成功时,由其中一片集成电路播放乐曲。门7、8和相应的阻容元件组成一个频率可调的时钟发生器,用以产生CD4017所需的时序脉冲。V2是电子开关,用以控制CD4017的计数脉冲输入。

接通电源时,由于IC1~IC3均无音乐信号输出,V2截止(基极为低电平),CD4017的CP端14脚呈高电位。此时,脉冲发生器的脉冲进入CD4017的13脚EN端(时钟控制端)。CD4017开始计数,其十个输出端轮流跃升为高电平,使发光管LED1~LED10轮流点亮。当电路中的Q3、Q6、Q9对应的发光二极管点亮时,例如LED4点亮时,CD4017的Q3端是高电平,它通过C2、R3组成的微分电路,使门2的右边输入端出现一个正脉冲。此时,若立即按下按钮SB1,则门2的左边输入端也出现一个正脉冲。如果按下SB1的时机准确及时,使门2两个输入端的正脉冲出现的时间重合,则门2翻转,其输出端变为低电平.门1的输出端立即出现一个正脉冲,加至IC1的触发端。IC1被触发,其3脚输出音乐信号,通过V1推动扬声器发声。同时,音乐信号向C7充电使V2饱和导通,CD4017的CP端于是变为低电平。CD4017停止计数,高电平停留在Q3输出端。乐曲结束后,V2截止。CD4017的CP端又恢复为高电平,开始计数,光环重新旋转,等待下一次点唱。
游戏机中选用了一块十进制计数器/时序分配器CD4017及两块CD4011,它们均为双列直插塑封。V1选用CS90B,CS8050或国产3DG12等。其余的三极管均可选用 CS9014或3DG201等小功率硅管。电阻采用1/8W碳膜电阻即可。
CD4017, CD4011均为CMOS工艺的通用数字集成电路,音乐集成电路也是一种CMOS大规模集成路。它们的内部都有可靠的抗静电保护,使用20W烙铁焊接时,只要绝缘良好。可不必按地。注意焊接时间不要过长,以免过热损坏IC。
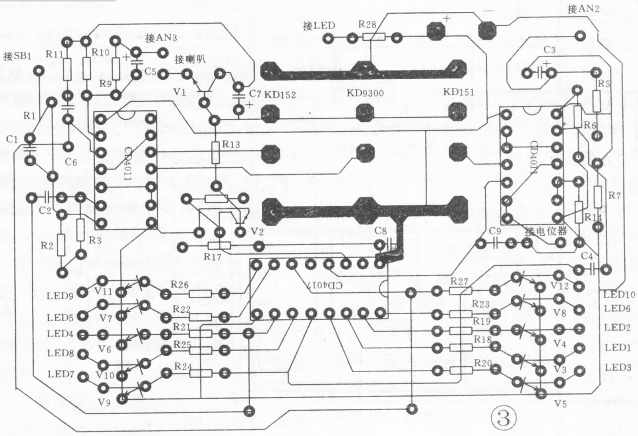
图3是本机的印制板图。IC1~IC3型号如图中所示,可以根据自己的喜爱来选择,直接焊接在铜箔面。十个发光二极管先焊在图4所示的印板上,尽量保持发光管同样的高度。再将它固定在面板下方,在面板上钻出10个圆孔,让10只发光管露出面板。

本游戏机一般无需调试。需要说明一点,当微分电容器C2、C4、C6的取值不同,游戏的难易程度也不同。如当把C2、C4、C6的容量取大一些,送到与非门2、4、6右输入端的脉冲宽度会适当增大。此时,按下SB比较容易使这些与非门的两个输入端脉冲出现的时间重合,即点唱较易成功。如果把这些电容的容量取较小时,游戏难度增大,点唱命中率降低。实验表明,C2、C4、C6的容量可在0 01μF~1μF之间选取。另外,音乐IC中的振荡电阻的阻值与音乐的节奏有关,读者也可根据自己对音乐节奏的要求重新调整。可变频率振荡器中的RP,用以改变CD4017的计数频率。频率增高后,使发光管点亮时间间隔缩短,增加游戏难度。(张国鹏)