最近,我修复了一台CEC-I型中华学习机。该机故障现象为主机各种功能及使用磁带均正常,但无法使用软盘驱动器,带软盘驱动器加电启动后延时数秒又回到无软盘机启动情况,用PR#60动也无效。
检查软盘驱动器,主电机运转不停,步进电机有复位动作,启动时有反应,但无0道寻地址动作,未发现有机械故障存在,因此怀疑中华学习机软盘驱动器接口电路工作状态不对。
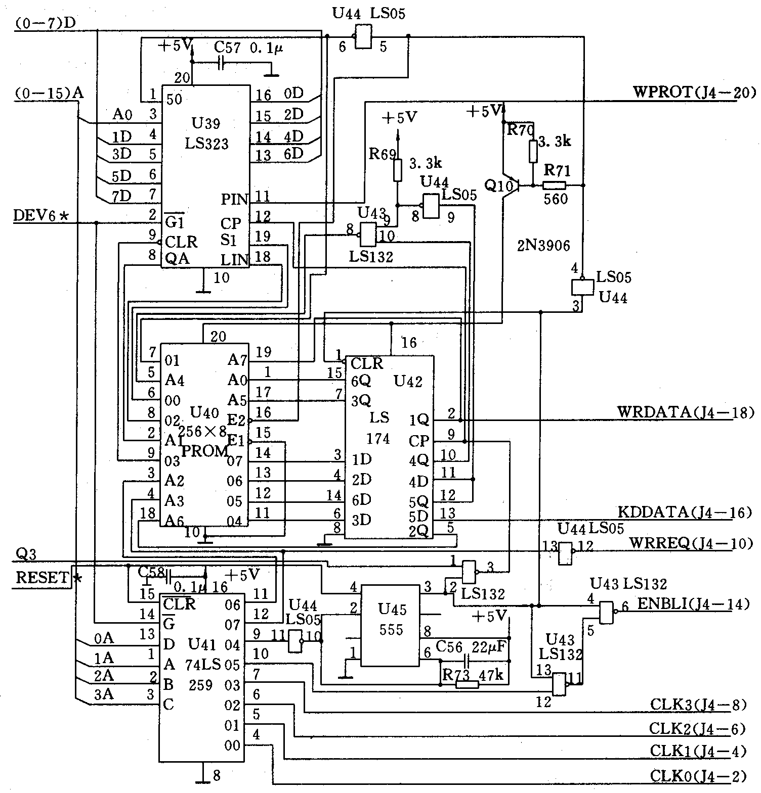
接口电路如附图所示,在加电启动的延时数秒钟时间内,检查接口电路部分U43、U42等集成电路接口端的工作电平,发现U43输入与非门74LS132的输入输出电平逻辑关系不对,拔下该集成块测直流电阻,第二组(6脚)输出与电源端、接地端都已短路。给该片集成电路加电检查逻辑关系,进一步发现第一组、第三组与非门也都失效。更换新片后,故障排除,中华学习机带软盘驱动器运行正常。

分析该故障产生的原因,为中华学习机与收盘驱动器连接的20芯扁平电缆插反,由于中华学习机的驱动器接口电路是通过一普通20芯弯脚插座输出,该插座无定位卡,而扁平电缆的20芯插头上也无任何标志,正插反插都能很容易地插上,稍不注意就会插反。一旦插反,且接上软盘驱动器时,U43第6脚输出(驱动器选择口:ENBLI)将通过软盘驱动器电路与U42六锁存器74LS174的1Ω(即写数据输出口WRDA-TA)直接相连,而且,由于包括电源在内的其它各输入输出都不正确,使软盘驱动器无法工作。当加电启动延时数秒结束后,ENBLI将回升到高电平,而WR-DATA仍保持低电平,相当于接地,于是,产生大的短路电流,将U43第二组与非门烧坏,同时也使用一片集成电路上的其它两组与非门逻辑功能失效,从而导致中华学习机软盘驱动器接口电路无法正常工作。(黄晓舟)