LASER310微机内存RAM容量较小(为18k,地址从7000H到B7FFH),本文介绍两个扩展电路,所用元件较少,可扩展RAM容量一倍,使微机总RAM容量可达34到36k。
两种常用的SRAM芯片
1.HM-6264、D4364等是8k×8bit SRAM,引线见图1。其中数据线0D至7D和地址线0A至—12A直接接到微机的系统总线上,控制线有4条,WE写控制—线,它为低且片选有效时对RAM进行写入操作—。OE读控制线,为低且片选有效—时从RAM读出。CS是负片选线,CS是正片选线,CS为低、CS为高时RAM被选中。实用中一般只提供一个动态片选信号—即可,也就是—或者CS固定为高电平而提供负有效CS信号,或者CS固定接地而提供正有效CS信号。

2.HM62256、D43256等是32k×8bit SRAM芯片,引线定义见图2。与6264比较,增加了两条地址线A13和A14,取消了CS线。62256的容量是6264的四倍,而价格是它的两倍多,所以62256具有更高的性能价格比。

上述芯片的尾码10、12、15是表示工作速度的,数越小,速度越快,价格亦高,制作中选15档即可。
扩展存储器接口
LASER主机机体后部有两个外设接口,其中44线的是扩展存储器用的,见图3。图中NC未使用,GND为地线,+5V及+9V是电源线。此外其它各线均直接与CPUZ80相连,所以可看成Z80引出线,意义与作用在多种微机教材中都有介绍。扩展RAM卡通过44线插座插入主机扩展接口。

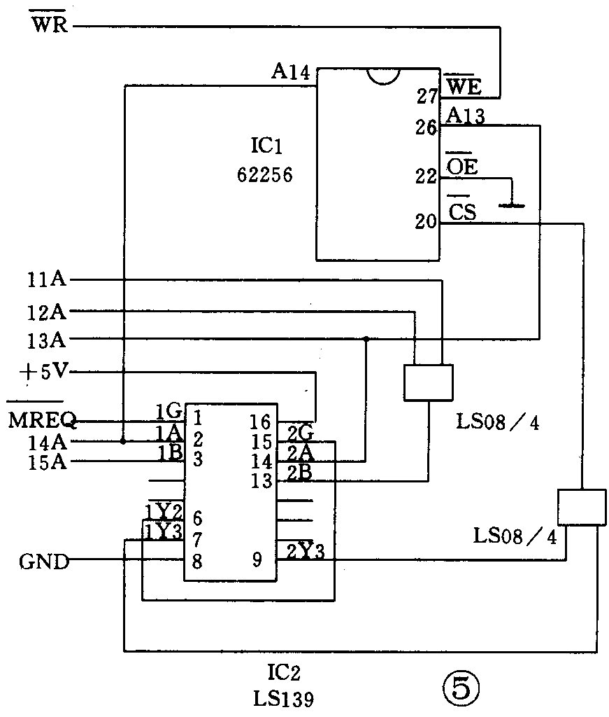
扩展RAM电路
在图4、图5电路中有一部分接线的接法是固定的,即RAM的0D到7D和0A至12A分别接系统总线的0D到7D和0A至—12A。RAM的—WE按总线—WR,RAM的OE和GND接地,RAM的V\(_{CC}\)接+5V电源。为使图面清晰这些固定接线均不再画出。

图4是310机扩展16kRAM电路图。310机主机RAM的高地址是B7FFH,扩展地址从B800H起,由此地址扩展使用大容量RAM芯片时,译码电路比较复杂,图中除用了三八译码器LS138外还使用了四与非门LS00和四或门LS32各一片。IC1的选通地址是连续的从C000H到DFFFH;而IC2选通地址为两段,一段从B800H到BFFFH的2k地址,另一段从E000H至F7FFFH共6k。图3总扩展地址是B800H到F7FFH合计16kRAM。

图5是用一片62256为310机扩展18k RAM的电路,扩展部分使用的地址是从B800H至FFFFH。图5所用元器件的数量少于图4,而扩展容量反而大。另请注意:62256是32k片子,而图中只使用了18k,尚余14k没有使用。这是因为Z80 CPU的寻址能力为64k,主机内已占用到B7FFH,这样留给扩展RAM的可用逻辑地址只剩B800H到FFFFH这18k,图5中占用的正是这一空间。另一方面采用所谓“虚拟”空间技术也完全可以根据需要扩充更大容量的存储体,如LASER原配64k卡和更大容量(128k以上)的QZL多用途卡。大容量卡除硬件扩展外还必须由必要的软件支持管理其分配使用,如QZL卡在软件支持下可以作“电子磁盘机”使用,还可将LASER与任天堂类游戏机结合起来,即通过LASER把大型游戏节目调入QZL卡,再拿到游戏机上运行。支持软件一般是由专业人员编制的复杂系统,本文就不详述了。(张保田)