1.故障现象:UHFc、VHFa波段图声接收正常,波段选择开关打在VHFb(6~12频道),荧光屏上虽有噪声点和随调谐可来回移动的绿色选台线,但图声均接收不到。
分析检修:因超高频和甚高频低波段接收正常,说明扫描、解码、中放电路和调谐电压33伏都没问题,故障部位可能在高频调谐器和波段切换电路。用万用表测高频调谐器UV4ll3脚(见图1)对地电压约1伏,再测插座4M3,有12伏电压。焊下电阻C33109,其阻值已由10Ω增大到4kΩ以上,更换后故障排除。

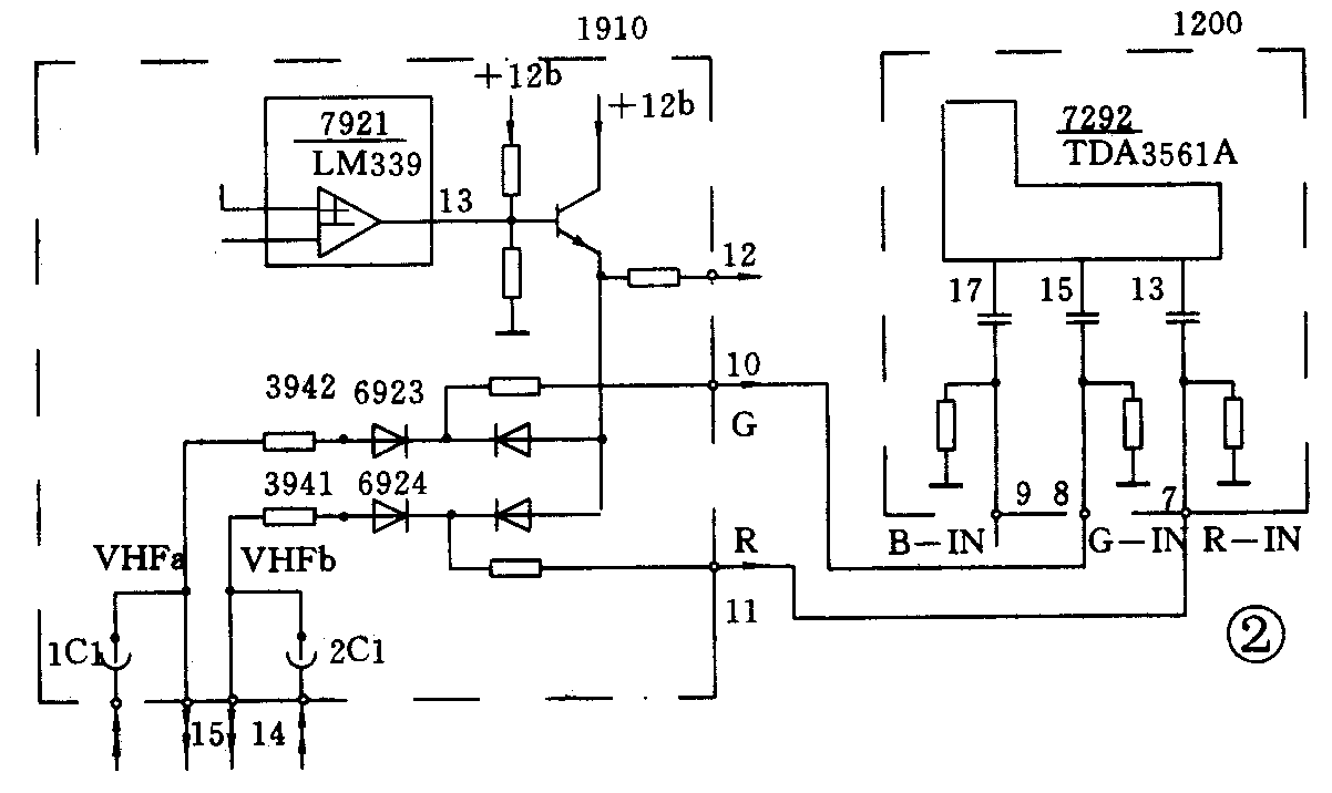
2.故障现象:接收VHFa波段(1~5频道),收到信号时伴音正常,无图像。收到信号与收不到信号荧光屏上反映是均无噪声点,光栅正常,有红色选台线且随着调谐可来回移动。
分析检修:根据现象判断高频调谐器、中放、扫描电路不会有问题,应查调谐板1910和色信号解码及亮度板1200。将波段选择开关打到VHFa时,电源电压12伏加到插头IC1上,这时用万用表测几点对地电压(见图2),无信号时集成电路7921(LM339)13脚0.8伏,有信号时降为0.5伏。集成电路7292(TDA3561A)在有信号时各脚电压偏离正常值较多,比如17、15、13脚在正常时应为1伏,而现测得为5.4伏。检查结果表明调谐板良好,集成电路7292内部基色矩阵和控制放大器可能有部分电路损坏。因该集成电路难买,做为应急本人采用断切换电路供给1910板电源电压方法,即将1910板上的电阻3942与二极管6923的连接点焊开,这样使得波段选择开关打到VHFa时6923仍截止。开机试看,图像恢复正常。需说明的是,此时VHFa的选台线颜色由原来的红色变成了现在的黄色,和UHFC选台线颜色一样了,不过不影响图像的色调。(张永生)
