国内组装生产的康艺MPF5398型平面直角遥控彩电确有图象清晰、外型美观等优点,更为人称道的是它的AV通道具备PAL和NTSC双制式,因而颇为畅销。不过经实际使用和线路分析,就会发现该机在遥控开关机功能方面存在一个不小的缺陷。以下对这种缺陷的改进作一介绍。
各种牌号的遥控彩电在开关机控制方式上不尽相同。从基本结构来看,主要有以下两类。第一类,微处理器MPU系统通过驱动小型继电器,来控制交流电源输入端的通断,这类方式占遥控彩电的大多数。遥控关机之后,整机便处于暂停状态,主电源完全断电,只有MPU系统仍由单独的电源供电,随时“待命”。新型彩电的MPU和存储器等集成电路大都属于CMOS器件,静态功耗很小。例如佳丽牌EC2113尺型彩电在暂停状态时,其耗电量尚不足以使电度表转动。对于这类彩电来讲,长时间使用暂停固然也不宜提倡,但偶尔使暂停持续几十小时甚至几昼夜是不会有什么损害的。不过个别牌号和旧式遥控彩电在暂停状态耗电大些,应当除外。第二类,其MPU系统也用单独的电源供电,所不同的是省去了继电器,而采用光电耦合器之类的元件来控制开关电源的工作。在暂停状态使电源停振,无输出电压。这时MPU系统的静态耗电与第一类相同,但开关电源虽然停振却仍处于整流滤波所产生的300多伏直流电压之下,严格来说时间过长对元器件无益,但一般影响不大。
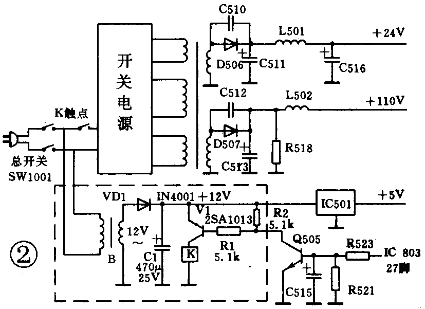
康艺MPF5398型彩电的开关机控制部分却不属于上述两类,参见图1。其开关式稳压电源产生110V和24V两个输出电压。MPU系统没有单独的电源,而是由24V经三端稳压器IC501(L7805)降压至5V作为其电源。110V电压通过由Q505、Q506、Q507构成的电子开关,受MPU(IC803)第27脚电位的控制。在正常收看时,该脚的电位为4.5V,使Q505、Q506、Q507均饱和导通,由Q506的E极输出110V电压,给机内大部分电路供电。当用遥控器关机后,第27脚电位为0V,3只晶体管均被截止,无电压输出,整机处于暂停状态。但是它的这种暂停与其它机型具有明显的不同,即开关电源继续保持着振荡状态,虽然由于110V输出端被截止而使负载减轻了,但此时电源本身的损耗仍不容忽视。另外,24V电压保持未变,故伴音功放AN5265仍然通电(没有声音信号),存在一定功耗。所以,该机绝对不应长时间处于暂停状态,否则不仅白白耗电(约15W至20W)而且会因电源、伴音功放等部分的元件持续工作而有损寿命,甚至造成过热损坏。

该机电路之所以如此设计,显然是出于降低成本的考虑。那么能否对电路进行一些改动来消除上述缺陷呢?实践证明,只需按图2所示的方法增加少量元器件就可以解决这一问题,使它成为上述第一种类型。主要是给MPU系统增加一个简单的独立电源,并采用一只继电器控制交流电输入端的通断。图2中的虚线框内即为所要增加的部分。其中,小型电源变压器B经VD1和C1的整流滤波之后,形成约12V直流电压,再通过三端稳压器(仍用原机上的IC501)得到5V电压给MPU系统作电源。IC803的27脚由Q505和V1驱动继电器K,其常开触点接交流电的输入端。对于附加部分与原机线路的联接,主要有如下注意事项:①将IC501的输入端与原机24V的联接处切断,改接到附加电路的12V电源上。②拆除原机的Q506、Q507、R519、R520、R522,把原来Q506的E极和C极的焊点处直接联通。拆下的Q507(2SC1013)正好作附加电路中的V1使用。③把附加电路的R1和R2用导线与原机Q505的集电极焊点处相联接。附加的线路板体积不大,易于固定在机内的空处。

采用的(电源)变压器和继电器应有较好的质量。继电器的触点电流容量应不小于2A,最好采用遥控彩电专用型,以确保整机的可靠性。(许连生)