为了保障财产安全,限制某些电器的使用,杜绝不必要的人为干扰。采用电子技术,在门铃、门锁、保险箱、电视机、以及一些电器的电源开关上安装密码控制器是必要的。采用密码控制的电路很多,本文向读者介绍两种实用电路,供读者参考。
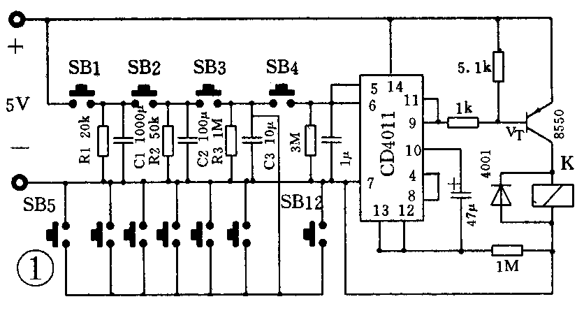
图1是普通型密码开关,这种电路只有在短时间内次序地按SB1-SB4,继电器才开启。它的工作原理是当SB1按下后,+5V向C1充满电。但是,由于R1的存在,C1所储存的电能将很快被释放。如果,当SB1按下后即按S2,C1所储的电能将转移给C2。以此类推,直至C3已被充电,但未经R3放电前。按SB4可把C3的电能送入CD4011使门电路打开。

改变C1-C3及R1-R3可增加或减少开通SB1-SB4的时间。SB5-SB12为错键,与SB1-SB4配合,增加保密度。
制作时SB1-12安装在线路板上,其各引脚采用导线联接,这样便于更改密码键。
整个电路采用一只CD4011门电路,安装极为简便,只要接线无误即可工作。此电路的优点是电路简单,成本低,缺点是修改密码需改接键盘联线。
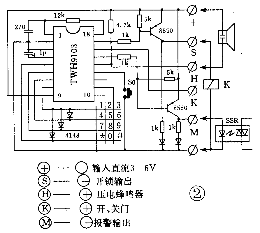
图2是专用密码控制器,采用国外近期推出的密码控制专用电路——TWH9103,并与标准12位键盘组成一种密码控制组件,这种组件能方便地与外围执行机构联接,有效密码高达10\(^{12}\)组,很难破译。

TWH9103既有“开锁”功能,又有错码短时报警及60秒的报警控制。按键时能发出声音,输出还有常开及常闭状态。静态耗电为微安级,使用电压3-6V均能正常工作,制作极为简单,是目前较完善的密码控制电路。
TWH9103是一种大规模CMOS电路。
图2中SO为存储密码开关,一般安放在隐蔽位置或用屏蔽线引至总控制台,如酒店的客房门锁、客房保险箱、银行的用户保险柜,由控制台对客户启用新密码时操作使用。
专业型的密码位数是任意和允许重复同码的,初次使用或更换密码时合上存储开关,输入密码,最后按“*”字键,关闭存储开关,密码已存入电路并锁定。
正确输入密码后,按“#”键,开锁端将有2秒的电压输出,以便控制各种执行电路。
当键盘输入错码,第一及第二次将发出0.2秒的蜂鸣响声,以示警告,但第三次出现错码时,报警输出端则输出60秒的电压,以便控制各种报警系统。
专用密码控制组件可根据实际需要直接推动各种执行器件,如继电器、固态继电器、单双向可控硅等。
TWH9103密码组件的功能已满足目前人们的需要,其缺点是目前芯片需进口且价格较高。
读者可根据实际需要,选择不同类型的密码控制电路。(蔡凡弟)