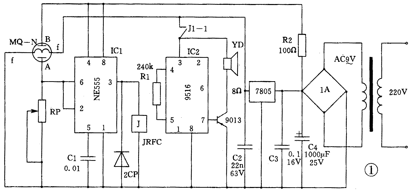
图1是一个简单易行的可燃气体报警装置。MQ-N是一种半导体类的可燃气体传感头,它是把可燃气体转变成控制信号的关键元件,其符号如图2所示。6个引脚中,f-f是加热电极通电后使传感器内部保持一定温度。当有可燃气与它接触时,其A,B两端导电率就会改变,如果负载等相关条件确定时,随可燃气的化学成份及浓度的不同,负载两端的电压变化也是不同的,如图3所示。当可燃气浓度越大时,负载两端的电压变化也越大,而且不同种类的可燃气体其电压变化大小也是不同的(管道煤气的主要化学成份是氢气H\(_{2}\)、甲烷CH4,罐装液化石油气的主要化学成份是丙烷C\(_{3}\)H8和丁烷C\(_{4}\)H10)。图中IC1选用了555电路,把它接成触发器的方式,当有可燃气体在传感器周围存在时,AB两端的电压就会发生变化从而使555触发翻转3端的电位就会发生变化,便继电器动做并通过继电器的接点JH启动由IC2组成的报警电路使之发出响声。



这里执行机构选用继电器的目的主要就是想通过它的触点控制其它电器,例如:排风扇等。
由于传感器采用的是旁热式,因此电源上需要两种不同电压即5V和12V,其中5V是通过三端稳压器7805获得,主要提供给传感器加热极和报警电路,这个电压要求精度控制在±0.5范围内,电流选在大于80mA为宜,如果电流太小了会造成灵敏度下降。12V是供给传感器A、B两端和IC1的,这里我们选用了一只3W变压器,次级9V经全桥整流后在C4上获得近12V的电压。
图1中RP是灵敏度调节电位器,最好选用多圈电位器,这样可以比较精确的调整灵敏度。二极管选2CP、1N系列均可,继电器选用灵敏度较高的JRFC-19微型继电器。三端稳压器要加装散热片。
按图1电路装好后即可通电调试。电路在初次通电时可能误动作,这是由于传感器开始加电没有遇到可燃气时,其电导率也会增加,需经过大约2—3分钟才能下降到一个稳定值,这时整个电路才能正常。在调整灵敏度时,如果有条件的话可以准备一瓶可燃气气样(报警浓度自定)耐心调整。如果不具备条件,可准备一只气体打火机在距传感头一定距离时一边放气一边调整W,调整到只要有少量气体飘过电路立刻报警即可。如果觉得灵敏度仍不够,可在IC1之前加一级放大。
最后提请大家注意的是:MQ系列传感器在初加电时有个稳定时间,这时可能误动作,同时报警器在每次检测可燃气时还有响应时间、恢复时间两个参数,一般响应时间在10秒之内,恢复时间不大于30秒。另外,使用中要尽量避免油垢和灰尘堵塞传感器的防爆钢网,同时要及时清洗此钢网,以免发生报警不准和失灵现象。(马连生)