大家知道,做电子实验和一些“小家电”产品,如小型录音机、收音机、电子琴等都离不开直流电源,为了使它们较好的工作,应该选用直流稳压电源。用分立元件组装的稳压电源,调试,维修比较麻烦。这里向大家介绍的稳压电源是以集成稳压电路为主要器件,因此电路具有过流,过热和外电路短路保护等功能。电路简单,稳压性能很好。
图1是直流稳压电源的电路图。我们可以看到整个电路分三部分。第一部分由变压器组成,用于将220V交流电进行降压。第二部分由整流全桥QL对交流电进行全波整流将交流电变为脉动直流电。第三部分由集成稳压器,C1和C2组成稳压电路以保证输出电压的稳定。

为使读者能制作出适合自己需要的直流稳压电源,现将各部分元件参数的确定作如下介绍。
1.变压器:变压器初级接220V交流市电用U1表示。为了防止由电网串入的外界干扰,要求电源变压器的初级和次级间必须设有屏蔽层,屏蔽层引线应与公共端有可靠的联接。变压器次级电压U2的确定和要求输出的直流电压有关系。业余制作可按U2的数值比U\(_{0}\)大2V来确定U2,例如要发输出电压U0为6V,U2便可确定为8V。变压器的次级电流等于最大输出的直流电流,当要求最大输出电流为1A时,变压器次级电流也是1A。变压器的功率可近似取次级功率的1.2倍。例如输出电压6V、电流为1A的稳压电源,它的变压器次级电压取8V,电流1A,变压器的次级功率为8V×1A=8W,变压器总功率取8W×1.2=9.6W(实际取10W)。
2.集成稳压器:这里介绍的稳压电源是正极性固定输出电压的,因此采用的是78××系列的集成稳压器。78××系列稳压器投输出电压分7805、7806、7808、7809、7810、7812、7815、7818、7824共9种,其中78后面的数字代表稳压器输出的正电压数值,以伏为单位。例如7806表示稳压输出为6V,7812表示稳压输出为12V。78××系列集成稳压器最大输出电流为1.5A,78M××系列集成稳压器的最大输出电流为0.5A,78L××系列集成稳压器的最大输出电流为0.1A。一般选取稳压器的最大输出电流应稍大于实际输出的最大电流为宜。在实际制做时应注意。
1.使用固定式三端集成稳压器时,引出脚不能接措,公共端不得悬空。图2是引出脚位置。

2.为防止集成稳压器过热,在使用时应安装散热器。
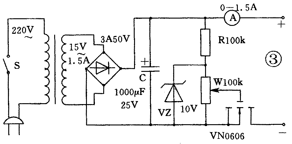
下面给大家介绍一种恒流充电机,它适合给摩托车,电动自行车用的电瓶和各种规格的可充电电池进行充电。其特点是采用VMOS功率场效应管做恒流元件,因此输出电流稳定;根据被充电池的要求,输出电流可由0-1.5A进行连续可调;由于是恒流输出,因此输出端不怕短路,使用非常安全。本充电机可对0-12V之间的各种电压的电池直接进行充电,使用非常方便。
图3是这个充电机的电路图。工作时充电机将220V的交流电通过变压器降压到15V,经整流全桥进行全波整流,后经大容量电容C1滤波。由于大电容的充电作用使电压大约可上升到19V左右(空载)。输出电流的大小由VMOS管的栅源电压的大小来决定。R和W构成分压电路,调整W可控制输出电流的大小。一经调准后,由于VMOS管有很好的恒流特性,输出电流便不随负载的变化而改变。VZ为限压保护二极管,防止栅源之间电压过高而损坏VMOS管。

为保证安全整流全桥选用3A50V的,VMOS管选源漏耐压V\(_{DS}\)≥60V、漏极电流I0≥6A、 P\(_{D}\)≥60W、导通电阻Ron小于1Ω的。
安装时,为安全起见焊接VMOS管时,烙铁外皮必须有良好的接地。不要带电安装或拆卸VMOS管。VMOS管要安装在散热板上,对散热板的要求与普通功率管一样。
调试时,将输出端正负极短路,调整W中心头至最上端,电流表指示数应在1.5A-2A之间。若电流偏小,应将R阻值调小,如电流偏大,应将R阻值调大。W中心头至最下端输出电流应为0,若仍有电流输出,说明VMOS管已损坏。(张 军)