伺服电路原理简介
426E录像机的伺服系统可分为磁鼓伺服、主导伺服和张力伺服3部分,其中张力伺服由机械完成,本文主要介绍伺服电路。
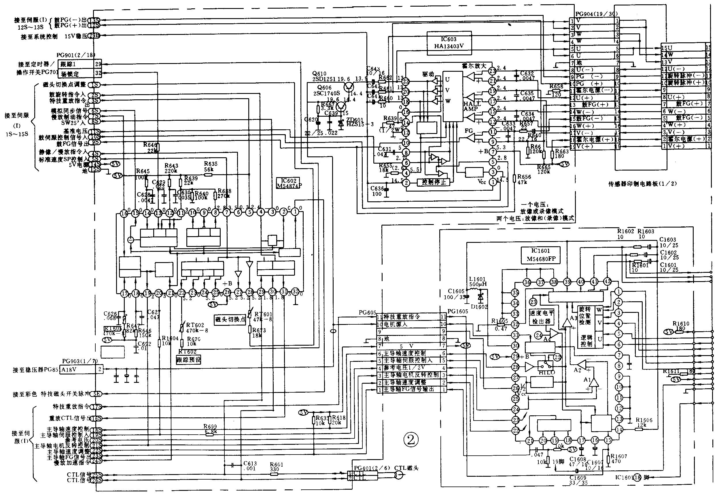
1.磁鼓伺服电路
磁鼓伺服电路主要由集成电路IC601(HD49716NT)、IC603(HA13403V)和鼓电机等组成。IC601是数字化集成电路(见图1),鼓电机和主导电机的速度和相位控制主要由它来完成;IC603的主要功能是驱动鼓电机(见图2)。鼓电机的旋转速度受控于3个连成星形接法的定子线圈(U、V、W)中的驱动电流大小,旋转方向则由3个线圈中的电流顺序决定;电机转子位置的检测用3个霍尔(磁敏)IC来完成。当录像机工作于录、放等状态时,IC6011出的鼓伺服信号送到IC603⑤内的转矩控制电路,经差分放大器和驱动电路放大后,从IC6030出3组驱动电流加到U、V、W3个定子线圈中,使鼓电机转动。霍尔IC在电机转动后产生3个转子位置信号,分别从IC603、到霍尔放大器,然后经转子位置检测器处理和差放器放大后,去控制IC6030动电流的顺序,使鼓电机按规定正常运转。


鼓电机的运行误差由其内部的FG(转速脉冲发生器)和PG(相位脉冲发生器)输出信号来反应。FG信号经C640、R657等加到IC603⑨内的FG放大器,被整形放大后从IC603⑩送出,再加到IC6018进一步整形,然后送到鼓速误差检测器。该检测器由计数器构成,其时钟信号采用4.43MHz晶振信号经16分频产生的277kHz脉冲。
鼓速误差检测器输出的数字误差信号由17kHzPWM(脉宽调制器)变换为占空比和幅度随鼓速差而变的脉冲信号,然后通过R1和IC601部RC元件组成的低通滤波器,取出相应的鼓速直流校正电压,再送到鼓伺服相加器。相加器将鼓速和鼓相位校正电压相加后从IC6011出,再通过IC603去控制(校正)鼓电机的速度和相位。如果鼓速不准,FG信号频率出现相应变化,经IC601内上述电路使IC6011出的伺服控制电压改变,故IC603输出的鼓电机驱动电流也发生相应改变,鼓速便被调整至额定转速,这就是鼓速伺服过程。
鼓PG信号经PG143等接插件直接送至IC6005经整形、放大、正负脉冲选择(SP模式选择负PG脉冲)和CH1/CH2磁迹检测后,产生25Hz信号。然后由PG移相单稳电路对25Hz信号移相后分3路送出:两路经25Hz开关脉冲发生器处理成25Hz切换脉冲后分别从IC60147出,其中4冲加到磁头放大器等电路作磁头切换等用,7冲送到IC602处理产生模拟场同步信号。另一路移相25HZ信号输入鼓相位误差检测器作为比较信号,与同时加到该检测器的鼓相位基准信号进行比较。比较后输出的鼓相位误差信号由35kHzPWM和IC6018部的低通滤波器变换为鼓相位直流校正电压,再送到鼓伺服相加器,从而实现鼓相位伺服。由于鼓伺服相加器施加了鼓速(见上述)和鼓相位两种校正电压,因而就同时实现了鼓速和鼓相位的控制锁定。
应该注意,鼓相位误差检测器的基准信号在录、放状态是不同的。为了保证记录时的视频磁头相位与视频信号相位同步,必须锁定场同步信号与鼓PG信号的相位,因此记录状态下的鼓相位基准信号应源自场同步脉冲,即:从IC6019入的视频复合同步信号中分离出场同步信号,再经2分频后获得25Hz基准信号。重放时,因记录在磁带上的信号已存在时基误差和信号失落,所以不能从视频信号中取出场同步脉冲作为基准,而是采用从IC601⑧进入的、来自色度电路的锁相4.43MHz晶振信号,再经25/21脉冲发生器分频产生的25Hz脉冲作为基准信号,这样就能使视频磁头准确跟踪磁迹,重放良好图像。
记录时,IC6019入的复合同步信号经分离出场同步脉冲后,就加到CTL(控制脉冲)发生器,经处理后从送出CTL脉冲,再通过CTL磁头将控制磁迹记录在磁带上。426E和427E机均有检索(INDEX)功能,检索依据是记录在磁带上的27.5%占空度CTL信号。该信号每当记录开始时仅出现约2秒钟,是由微处理器IC901送出高电平指令给IC6013令3的占空度转换器将CTL信号占空度变为27.5%而实现的。2秒后,IC901为低电平,CTL信号即恢复为一般状态下的60%占空度。重放时自动检索节目,即判别CTL信号占空度的过程由IC901和检索处理集成电路IC905(HES8026D)共同完成。限于篇幅,其过程说明从略。
IC601中的鼓速(PG)移相单稳电路有一外引端5,该脚外接的RT601(和R673)可调整单稳电路的延迟量,即可改变25Hz信号相位。检修时RT601作磁头切换点调整用,应调至切换点超前场同步信号6.5H,否则可能出现图像场抖及行扭等切换不良故障。
2.主导(轴)伺服电路
主导伺服电路由IC601、IC1601(M54680FP)和主导电机等组成,其中IC1601的主要功能是驱动主导电机,它内含的主要电路框已示明在图2中。分析时注意以下几点。
(1)主导电机FG发生器送出的脉冲由IC16012电路放大、整形后从输出,然后加到IC601内的FG分频器,分频输出的1515HzFG信号作为主导速度误差检测器的比较信号。该检测器也是采用4.43MHz晶振经分频后的信号作时钟,并对PG信号的周期进行计数而产生数字误差信号。误差信号由69kHzPWM和低通滤波器(由IC601、外接RC组成)变换为直流速度误差校正电压,再经主导伺服相加器,与主导相位误差校正电压相加后从IC601出主导伺服电压给主导驱动电路。
(2)主导相位误差检测器的比较和基准信号频率在记录时为21Hz,重放时为25Hz。基准信号均来自IC601⑧进入的4.43MHz晶振信号,它在录、放状态下分别被25/21脉冲发生器分频21Hz、25Hz信号。录、放时的比较信号来源则不同。记录时比较信号取至主导21Hz发生器,该发生器是将IC601输入的1515Hz主导PG信号作72分频而送出21Hz脉冲,重放时比较信号采用CTL分频器输出的25Hz脉冲,分频器输入信号来源于CTL磁头抬取的CTL信号,期间经过了IC6028电路的30dB放大,并由IC601接CTLAGC电路放大稳幅。
(3)主导相位误差检测器将比较和基准倍号两者比较后,由8.7kHzPWM和IC601接RC低通滤波器变换为直流相位误差校正信号,再加到主导伺服相加器。IC601外接的D608、D609等起限幅作用,使输入信号电压限制在1.7~3.3V间。
(4)放像时IC601中的基准25/21发生器输出信号是经跟踪单稳电路(图1中没画出)移相后才加到主导相位误差检测器的,IC6016接的RT602及RV703可调整移相量,即可作不同磁带的磁迹跟踪调整,以适应磁带互换放像的需要。
(5)主导驱动集成电路IC1601的电机电源输入端为,但该脚电源还要经50kHzPWM稳压器和IC1601接的滤波器(L1601、C1605等)处理后才通过IC1601到驱动电路作电源。50kHzPWM输出电压随录像机的状态(录放除外)不同而变,是由微处理器IC901出电平(代码)控制的,这样做的主要目的是为了减少驱动电路的功耗,提高可靠性。
(6)在快进快倒及装卸盒等非录放相关状态下,IC1601不受IC601伺服输出的控制,此时IC901出高电平封闭IC601伺服输出,主导电机的转速直接受控于IC901至IC1601电平。主导电机的转向由IC1601输入电平控制,该电平来自IC901⑩,低电平会主导电机正转,高电平时反转。
(7)在录、放状态时,整个伺服电路的启动过程主要如下:按压录或放键,IC901④或⑤输出“鼓通”高电平指令加到QR602使其导通,故IC601⑦(鼓通控制端)为低电平,于是IC601内鼓伺服加法器工作,磁鼓启动旋转。当鼓速达标准速度的70%时,IC601内的鼓速误差检测器便输出控制信号使鼓相位伺服电路工作,同时还令主导伺服电路“接通”,主导电机旋转。此后鼓速和主导轴速度很快达到标准值,启动便告约束。
3.特技重放控制电路
特技重放时因磁带带速不同于标准重放,故为了保持磁带和视频磁头间的相对速度不变,以获得良好的特技重放效果,就应对鼓速作些调整。这些鼓速修正指令从IC901发出而加入IC601,通过IC610内的鼓速误差检测器而使鼓速相应改变。其中:IC601⑥输入静像/慢放指令时鼓速修正为1494转/分;IC601②输入反向寻像指令时鼓速为1458转;IC601输入正向寻像指令时鼓速为1530转;它们对应的鼓FG检测信号频率分别变为299Hz、292Hz和306Hz。
在特技重放状态下,因磁带运行速度及方向发生变化,容易使拾取磁迹信号中的场同步脉冲丢失而导致场同步不良,因此需另设模拟场同步电路。426E机的模拟场同步电路由IC601和特技重放集成块IC602的相关部分组成。当IC901②输出的静像/慢放指令或输出的寻像指令加到IC602⑥或⑤时,IC602③内的边沿检出器和相控单稳电路便将来自IC6017开关25Hz脉冲转换为CH1、CH3两个磁道的模拟场同步信号,从IC602输出,经D910等送至视频系统,取代原信号中的场同步脉冲。IC602外接的R644和RV702用于特技重放场同步调整。IC602外接的RT605(及R647、C626等)可调整慢放时的磁迹跟踪(预设);IC6011经R628、D627)外接的RT606用于慢放稳定调整(预设)。RT605和RT606仅用于装配或维修中调整,426E机平时使用中需通过遥控发射器来调整慢放跟踪。
伺服电路常见故障检修
1.磁鼓不转这种故障是指按下重放或记录键时,磁鼓不旋转或转动后迅即停止,且往往可见上、退带动作。检修时,可先用手轻拨上磁鼓,看其转动是否很灵便,以排除因机件受阻等非电气因素引起故障的可能性,然后可按下述步骤进行检查:(1)测量IC601⑦是否低电平(0.5V以下,按压重放键后测量)。若是高电平,应查QR602、D908、D909及IC601⑦至IC901④⑤间的电路。(2)测量IC6030否有驱动电压输出。若无,应分别检查IC603①电源电压(14V左右)、R659(0.47Ω,可断电在路测量其好坏)和IC603⑤伺服电压(2.6V)。此步检查应注意:A.电源电压由Q610等组成的稳压器供给,它同时向上带电路供电,因此若该稳压器损坏而无输出时,不仅鼓不会转,没有上、退带动作,而且盒带也不能正常装载,此时要解决的首要问题就不是“鼓不转”了。所以本故障若查IC601①无电压,一般是①脚脱焊或相应印线断路所致。B、若无条件测量IC603驱动输出电压,可在查R659和IC603⑤电压后转入下步[(3)]检查。C、若C603⑤电压不正常,应查IC6011IC603⑤间的电路;若无问题,故障在IC601,IC601的可能性较大。(3)测量IC603各脚电压(除④⑤脚外,均可在停止状态下测量,并对照图2中所示正常值)。若明显偏离正常值,且查相应外围元件及电路无问题(尤其需注意R663、R658和接插件),可判定IC603损坏。(4)检查鼓电机FG输出是否正常,无输出一般是FG发生器开路。(5)查鼓电机。
2.重放时行同步不良这种故障的表现为重放图像不断飘动或变成斜影条状,通常是鼓速不准而造成的,检查步骤如下:(1)测量IC6018300Hz(4.4V\(_{PP}\))鼓FG信号是否正常。若不正常,再查IC603⑨的FG信号,正常时故障一般在IC603或它的⑩脚线路上,不正常时问题多在鼓电机FG发生器、插件或C640等元件上。(2)查IC601的PG信号是否正常(应有30~40mVPP、40ms正负尖脉冲),若不正常,一般是鼓PG发生器及相应插件出故障。(3)测量IC60121压均应为稳定的2.8V左右,否则查IC601821围元件及电路,若无问题则大都是IC601内的鼓相位伺服电路出故障。
3.带盒插不进这种故障在较早生产的426E机中比较多见,一般是IC1601损坏所致。发生此故障时,测量IC1601PG605⑩电源电压正常(20~24V),但IC1601压很低(或听电后在路测量IC1601地电阻远大于7kΩ,黑笔接地)。此时主导电机无法转动,故带盒不能装入,但显示屏和指示灯能正常点亮。导致IC1601损坏的主要原因是其电源电压不稳定,市电升高时IC1601易被烧坏。后期426E机和427E机均增设了稳压电路,读者检修时若发现没有此电路(PG670,装在上带电机上部),应按427E电路增设,如图3所示。如经以上检查没发现问题,则故障通常在主导电机及机械传动部分,或者接插件接触不良;少数是IC16018外电路有问题。

4.按重放或记录键,主导电机不转这是带盒能正常插入但录放时主导电机不转的故障,与第3条有区别,一般是IC601主导伺服电路的问题,重点应查IC601⑧是否有4.43MHz信号,及IC601压(3V左右)和IC1601的电路。
5.重放图像有干扰条,伴音走调对此故障应先排除机械出问题之可能性,然后重点检查IC601、IC16012的主导FG信号是否正常,以及IC6012.5V)和3V)电压是否正常。
6.重放图像周期性出现噪扰条或场跳动(1)重点检查CTL磁头及其IC602、IC601相应引脚电路。(2)查RV703、RT602及其电路。(3)查IC60号电压或外围元器件。(王德沅)