新型录像机多数具有慢速LP录放功能。随着带有LP功能录像机的增多,必然使LP方式录制的磁带增加。为了使原不具备LP功能的录像机增加LP录放功能,给录像机加上本文介绍的附加器就可以达到这个目的。
家用录像机的主导电机大都采用数字伺服电路达到对转速的控制,基本方框图如图1所示。当反映主导电机转速的FG脉冲信号的频率提高一倍(经倍频器)时,主导电机的速度恰是正常的1/2,即为11.695mm/s,达到LP方式录放像的目的。

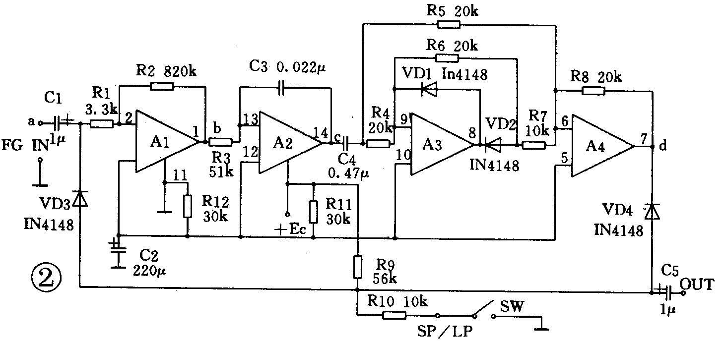
LP附加器电路如图2所示,由一块四运放LM324及一些外围元件构成。A1和R2构成反相放大器,FG信号经A1变成同频方波。A2、C3和R3构成赛勒积分器,R3、C3决定积分时间常数,A1输出的方波经A2积分后变成同频率三角波。A3和VD1、VD2及A4等构成一个全波整流器,使A2输出的三角波经整流后变成一个带直流分量的倍频三角波,各点波形如图3所示。VD3、VD4及R9、R10、开关SW等构成一个互锁电子开关,用作SP/LP转换。当SW断开时,+5V电压经R9使VD3正偏而VD4反偏,FG信号由VD3经C5输出,录像机工作于SP方式。当SW闭合时,R10接地,使VD4导通而VD3截止。FG信号经由LP附加器处理后由A4输出FG信号2倍频率的三角波信号,经VD4、C4输出。使录像机工作于LP方式。


图4是印刷电路板图,IC选用LM324四运放,C3选择容量准确的涤纶电容器,其余电容漏电要小;R4~R8选择误差小的;VD1~VD4选择1N4148小型二极管。

把元件焊到印制板上,检查无误后接上5V电源,量C2两端电压应为电源电压一半。SW置于LP状态时,A1~A4输出端对地电压应为电源电压一半。为了使全波整流器对正负半周都有同样的响应,有条件的可作如下调整:先断开R7,从R4和R5输入(EC/2+0.5)V的直流电压,测VD2正端电压应为(EC/2-0.5)V,否则可调R6;测A4的输出端电压也应为(EC/2-0.5)V,否则可调R8;接上R7以后,A4的输出端电压应为(EC/2+0.5)V,否则再微调R8。
安装时,首先找出录像机主导电机旁的FG磁头,断开其一条引出线,找到录像机+5V电源和地,然后按图5将LP附加器接入录像机。在适当位置安装SW开关用作SP/ LP转换。

这个LP附加器在多台东芝、乐声及日立等机型上安装使用,重放别的录像机录制的LP录像带,清晰度比SP方式稍有下降,色彩不如SP方式鲜艳,声音高音差些。这是由于对原机的录放通道以及伺服电路未加改进和调整,且还是使用原机的宽幅磁头(LP方式应用窄幅磁头),所以用LP方式自录自放时,在电视屏幕中间有一垂直的宽约10cm的彩色串拢带,调整录像机跟踪旋钮可使其基本消除。在进行特殊放像及快速搜索画面时,会出现噪声带,图像不够稳定,作为家庭一般使用还是可以的。(郑毅清)