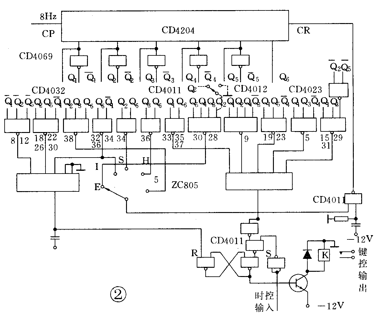
编码电路的电原理见图2。只要在规定时间给触发器S端置零电平,触发器Q端便输出高电平。这个电平经放大驱动继电器或其它控制电路,控制发射机发出电波。由图1可知,在5、9、15、19、23、29、31、33、35、39周期时,S端应为零。在第5周期Q\(_{1}\)Q3Q-\(_{4}\)=Q,在第9周期Q1Q\(_{4}\)Q-2Q-\(_{3}\)=0,在15、29、31周期Q-2Q-\(_{5}\)Q1Q\(_{3}\)=0,在19、23周期Q1Q\(_{5}\)Q-4=0,在33、35、37周期Q\(_{1}\)Q6-=0。按上述逻辑式便可以组成S端的译码电路(见图2)。在8、12、18、22、26、30、32、34、36周期R端应为零,触发器输出低电平,发射机无电波输出。在8、12周期时,Q-\(_{1}\)Q-2Q-\(_{5}\)=0,在18、22、26、30周期时,Q-1Q\(_{2}\)Q5=0,在32、34、36周期时,Q\(_{6}\)Q-1=0,按上述逻辑式组成R端的译码电路。
发MOH、MOS、MOI、MOE时,只需分别在第30(Q\(_{2}\)Q3Q\(_{4}\)Q5-)、32(Q\(_{6}\)Q-1)、34(Q\(_{2}\)Q6-)、36(Q-3Q-6)周期,由波段开关控制使计数器置零便可达到要求。老式信号源没有发信标(MO)的功能,要增加信标功能只需增加一个单刀二位开关。这个开关将Q\(_{2}\)Q3Q\(_{4}\)Q5-电路中的Q\(_{2}\)断开并将四与非门电路原Q2的输入端接高电平即可(见图2中虚线部分)。

国内生产的信号源还有采用MCS-48系列单片机作自控器和采用可控占空比脉冲振荡器产生电码的。国内普及活动中还使用160米信号源。它的工作频率为1.8~2兆赫,输出功率为0.5~1瓦。采用不同频率连发A(·—)、U(··—)、V(···—)调幅电报信号。由于篇幅所限,这里不作详细介绍。(完)(张光坦)