电脑电风扇集成电路LC901是一种新型风扇控制电路,可以用来取代传统电风扇上的机械式开关和定时器。由于采用了电子式触键开关和电子定时控制电路,风扇外形能有更多的变化,可以设计成流线型或更高雅新潮的外形,此电路还能应用于台扇和落地扇上。
LC901电路采用标准16线双列直插式塑料封装,管脚排列见图1。各管脚的功能如下:SS-为速度控制选择输入,MO为风类输出指示,CLK为时钟信号输入端,V\(_{DD}\)为正电源端,OFF-为复位输入端,NC为空脚,⑦~⑩脚0.5~4H为定时输出指示,S为强风输出端,M为中风输出端,L为弱风输出端,T-为定时选择输入,MS-为风类选择输入,VSS为负电源端。

LC901的特点
一、具有两种风类选择:常风和模拟自然风,每一种风类又有强、中、弱三种风速选择。
二、具有四档定时选择:0.5小时、1小时、2小时和4小时。
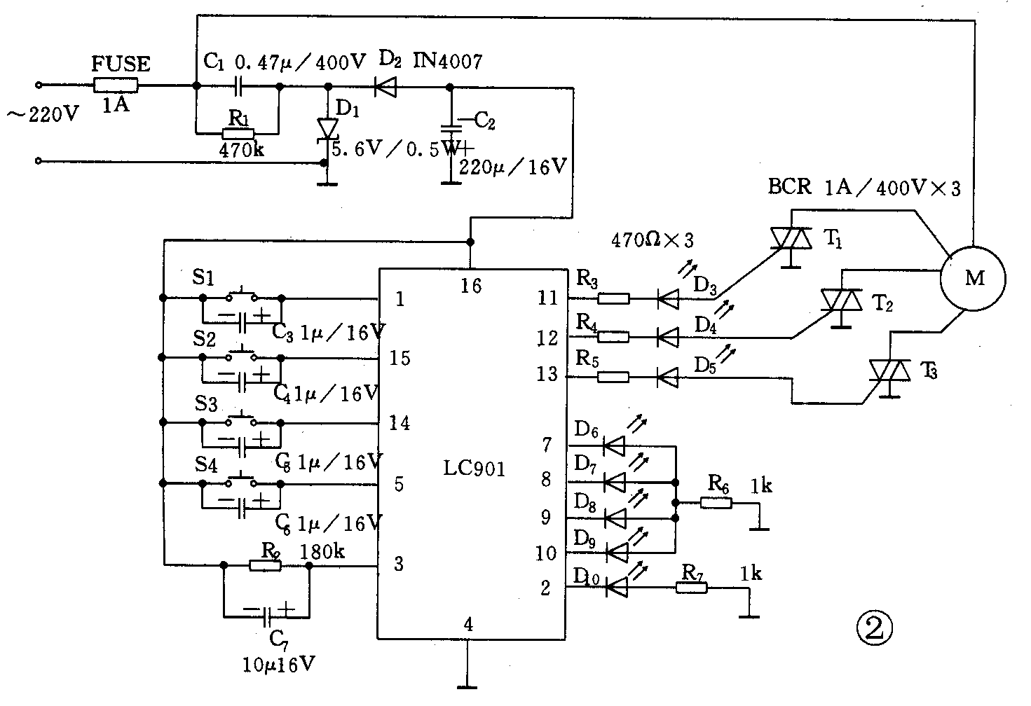
图2为利用LC901电路设计的电脑电风扇控制电路,下面介绍使用方法。

1.启动风扇:按下风扇触键S1即可选择所要的风速,风速按弱风→中风→强风→弱风→……循环,同时相应的风速指示LED发光指示。
2.定时选择:由S3键选择,共4档,依次按下,定时选择按如下循环:0.5→1→2→4→0→0.5→……。其中0状态表示不定时。选择不定时状态时,4个定时的LED均不亮,但风扇不会停止。选择某一定时档时,该档定时LED点亮并开始计时,定时时间到,则切断电扇电源,同时全部LED熄灭。
3.风类选择:有两种,由S2选择,循环方式是常风→模拟自然风→常风→……,选择常风方式时风类指示LED(由D\(_{1}\)0显示)熄灭,选择模拟自然风方式时风类指示LED闪烁。
4.切断键:切断键S4的功能是切断电扇电源,按一下该键则电扇电源被切断,全部LED熄灭。
综上可知:通过3种风速和两种风类的设计组合,可以得到6种不同风型,其中弱模拟自然风效果相当于微风。
应用及调试
参照图2所示的应用线路并焊接无误,一般均可成功。可以把机械式台扇、落地扇改装成电脑电风扇。
电阻R1和C1,D1,D2,C2构成直流稳压电源,稳压电压由D1决定,电压在4.5~6V均属正常范围,超过或低于该范围应检查和调整。当确认C2两端电压正常后,焊上电脑集成块配合4只开关进行功能检查,看D3~D10是否按功能进行点亮和熄灭。然后再接上风扇电机进行试验。电阻R2和电容C7为电路基准信号发生器,频率在0.5~2Hz属正常。该功能检查可按S2键点亮D10,看D10的闪烁频率即可,若有误差可适当调整R2和C7的数值。
改装时,电脑风扇的外观设计可采用最新款式,如图3所示。面板采用4个轻触开关和8个LED指示,读者可自行设计。

最后说明两点:①该电路采用电容降压,调试安装时注意安全;②由于电路中没有设计总电源开关,电源插头插入市电后,虽然电扇不工作,但集成块是一直通电的,所以长期不用时需将插头拨下。(马希公 王建民)