这里向大家介绍的袖珍逻辑分析笔其外形与普通逻辑笔相似见图1,但在功能上却集逻辑测试笔、脉冲信号发生器、频率计、计数器和脉宽测试仪于一身,并能由其自身构成一个闭环测量系统,对电路进行测试和分析。测量信号由4位微型LED数码管显示,使用非常方便。

一、基本原理
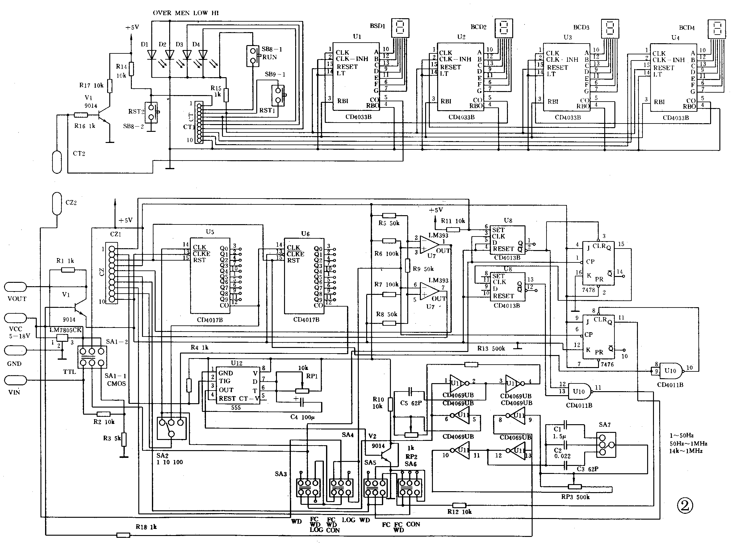
电路原理图见图2。U5、U6为10进制计数器/分配器CD4017。该两片集成电路构成对输入信号100分频的分频电路,由SA2进行控制,从而可选择对输入信号的100分频、10分频或不分频。

显示部分采用微型LED数码管MD30。这4位LED数码管BCD1、BCD2、BCD3、BCD4由4片集成电路CD4033进行驱动。由这一部分电路可完成对输入信号的自动计数、进位和显示。
U12为555时基电路,以它为核心组成了一个1秒定时器。这个定时器提供秒信号作为门限触发脉冲,当按下SB8-1时,555的2脚输入一个低于1/3V\(_{c}\)c的负脉冲,3脚输出高电平,7脚为高电平,向电容器C4充电,当电容电压大于2/3Vcc时,3脚变为低电平,定时结束。由图可知调节可使定时器走时周期为1秒。由这一秒信号控制计数器计数时间。这样,通过显示一秒钟内计数器的计数值,便可知道被测输入信号的频率。
集成电路U11为6反相器DC4096。其中每3个门组成一个脉冲振荡器。由精密电位器RP3控制的是可调脉冲信号发生器的信号源。由SA7切换为3档:1~50Hz、50~20kHz、14kHz~1MHz。另一组脉冲振荡器输出1MHz的固定频率,用来作脉宽测试的基本单位。显而易见,这里脉宽测试的基本单位为1μS、当用开关SA3切换到脉宽测量位置时,由输入信号控制计数器门限的开启和关闭时间,由计数器对分频器而来的1MHz脉冲振荡器信号进行计数,将数码管显示的计数值乘以分频器的分频值,便可直接读出被测信号的脉冲宽度(单位μS)。
U7为双电压比较器LM393输入信号由SA5切换进入比较电路,如为低电平则指示灯D3(LOW)亮;如为高电平则指示灯D4(HI)亮;如果输入为高阻态则D3、D4均不亮;如果输入为脉冲序列或交流,则D3、D4均亮。这样便完成了对基本逻辑状态的测试。另外还可通过SA4选择脉冲捕捉功能,这一功能是由U9集成电路7476构成的触发器实现的。7476的另一个触器用来作为溢出指示,以防止测量出错。
SA1为TTL/CMOS电平选择开关。袖珍逻辑分析笔内部采用5V电源,当将共用于电源电压高于6V的场合应将SA1置于CMOS档,从而使内部7805稳压器接入。
二、制作与调试
由于本电路使用了集成电路,使得安装和调试都非常方便。电路板采用印刷线路板,分为上下两片,两片间以单排插针联接(见图2中CT1、CZ1)。由于体积上的要求,所有元器件均采用小型的或微型的,因此焊接时应格外仔细、迅速,力争一次焊好。
安装完毕后首先应进行1秒钟门限信号的调整。调整时,用一台高精度的频率计,测量U12第3脚的频率,按动SB8,并调整RP1使频率计指示为1Hz即可。接下来调整1MHz基准振荡器,可将频率计接U11的第6脚,调节RP2使频率计指示为1MHz即可。调好后最好用止动漆封一下电位器。电路其它部分只要安装正确无需调整即可正常工作。
三、应用举例:
通过上面的介绍可知袖珍逻辑分析笔不仅能对电路中任一点进行逻辑状态、频率及脉冲宽度的测试,也能对电路中的任意输入点注入频率可调的脉冲信号,而且更重要的是能够同时测量电路对于该脉冲信号激励的响应,这就是所谓由其自身构成闭环测试系统。下面举一个简单的例子来说明这方面的应用。
如图3所示,某未知线路的一个输出端A与3个输入端B、C、D相关联,试找出输出端A与3个输入端B、C、D之间的逻辑关系。

①先将B、C、D瑞均接高电平,用袖珍逻辑分析笔的普通逻辑状态档测试A端,得A为高阻态。进一步将B、C端接低电平时,A仍为高阻态,只有当D端接低电平时,无论B、C为何电平,A均不为高阻态、于是得D端为输出瑞A的低有效使能端。
②将D接低电平,将B、C轮流接高低电平测得A端电平无规则变化。用袖珍逻辑分析笔的输出端对B端注入脉冲序列,同时用袖珍逻辑分析笔测试A端逻辑状态,发现无论C端接高电平还是接低电平,A端均无脉冲序列出现,当B端接高电平时向C端注入脉冲序列可观察到A端有脉冲序列输出,可知B端为C端的高有效选通端。
②将袖珍逻辑分析笔的输出端与输入探针短接,在频率测试档对其自身的脉冲输出信号测频,调整输出频率控制电位器RP3使测得的输出频率为10kHz。将这-10kHz脉冲信号注入C端,将D端接低电平B端接高电平同时对A端用袖珍逻辑分析笔测频,测得A端10kHz信号激励下的响应信号频率为1kHz。
④将袖珍逻辑分析笔改为脉冲宽度测试档仍按上面的接法测量端的脉冲宽度,得A端输出信号的脉冲宽度为2μs。
⑤改变袖珍逻辑分析笔的输出频率后,按③、④中方法反复测量得A端输出频率是C端注入频率的1/10,且输出脉冲宽度总为2μs。

通过以上用袖珍逻辑分析笔对未知电路的测试和分析可知该未知电路输出端A与三个输入端的逻辑关系如图4所示。(黄安 李周)