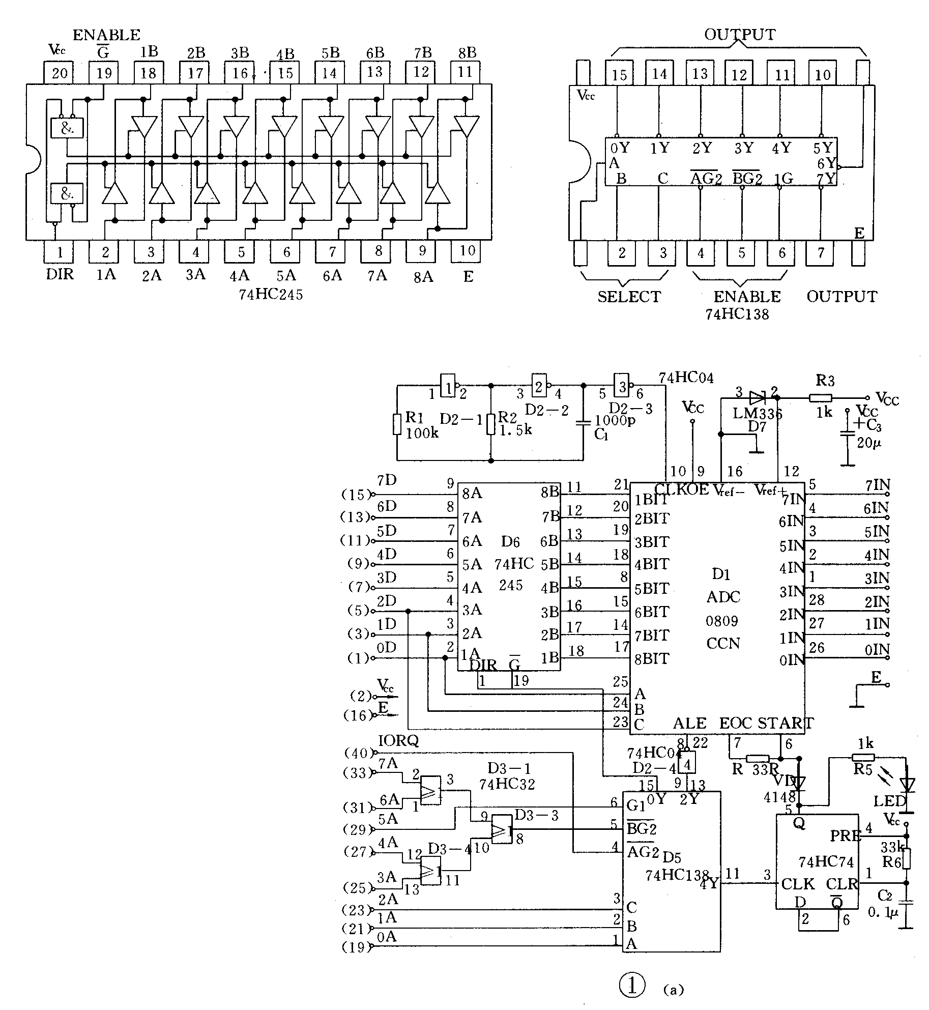
夏普MZ-731个人电脑数据采集卡采用ADC0809作A/D转换器,量程为2.5V,精度±10mV。若要采样电压更低的模拟量,输入端应另加放大器。该卡每秒采样四千余次,如果改变R2、C1的参数,可提高至一万次。
本卡按标准外设设计,占用了20H、22H、24H三个地址,电路见图1(a)、(b)。地址24H设置成一个开关,通电时,D触发器74HC74的1脚电容使D触发器清零,5脚输出低电平。ADC0809的6脚也是低电平,ADC0809不工作,LED不亮。当计算机执行OUT #36,0后,D触发器状态翻转,0809的转换结束信号EOC(7脚)不断发给6脚以启动信号,ADC0809将全速运行,这是本电路与其它采集卡的重要区别之处,它可使计算机对A/D转换器的管理工作变得非常简单,计算机可在任何时刻从采集卡上得到数据。当计算机再执行一次OUT #36,0后,D触发器状态又一次翻转,LED熄灭,ADC0809停止运行。这与刚通电的状态一致。现在我们知道了OUT #36,0是采集卡的开关语句。


地址22H是置模拟输入信道用的。ADC0809有八个模拟输入信道,即IN0~IN7,对应地址为0~7。当计算机执行了OUT #34,5后,计算机就对5号信道(即D1的3脚)输入的模拟量进行采样。这个语句可以在任何时刻执行,不考虑ADC0809是否正在工作。
地址20H是本卡的关键,通过它将A/D转换结果传回数据总线。本卡在ADC0809的数据总线和计算机数据总线之间装置一片八位总线收发电路74HC245。D1的9脚始终接高电平,这使D1始终输出数据。它的优点是:首先可使本卡与其它设备共享A/D转换结果;其次可使计算无需管理A/D转换器的启动便可随取随存数据;还有的是将电路关闭后数据仍保留在74HC245的输入端上,相当于数据寄存器,计算机仍可随时取到这个数。
当计算机执行语句INP #32,D时74HC138(地址译码器)的20H地址端输出低电平,74HC245B端的数据便随之送到了A端。A/D转换结果便代入变量D。计算机再运行PRINT/PD即可将它打印在打印纸上。现在我们又知道了本卡最重要的语句INP#32,D,它传回A/D转换结果。
本卡用途十分广泛,例如可用作数字电压表或多用表,还可测量光、热等信号,并通过计算机进行记录、绘图或者进行自动控制。
CMOS电路在焊接时容易被击穿,望读者在安装时注意。
为便于安装、改制,文中给出了ADC809、74HC04、74HC32、74HC74、74HC138、74HC245及LM336的电路框图。(张银花 乜云峰)