录音录时系统在记录语音信号的同时能将时间信号一同记录在磁带上,并能在重放磁带记录信息的同时,将记录的时间显示出来。该系统能为分析突发事故、数据存贮、试验参数的测量等活动提供准确的时间依据。采用单片计算机和普通的盒式磁带录音机配合即可实现这种实用的录音录时系统。
录音录时系统的构成
录音录时系统是由单片机、时钟电路、LED显示电路、录音机接口电路和磁带录音机组成的。组成框图见图1。

时钟电路可产生年、月、日及时、分、秒等时标信号。平时可由LED显示器显示当前时间。时钟电路设有后备电源,可在系统掉电后保持时标信号。单片机则协调控制整个系统。时钟电路产生的时标信号经单片机运算处理后,在其串行输出口输出速率为300比特的符合堪萨斯城(KANSAS CITY)标准的时标数据,经录音机接口电路送入磁带录音机的某一声道的线路输入端。我们假定在录音机的左声道线路输入端输入时标信号,录音机在右声道录下语音信号的同时,就可在左声道录下时标信号。在磁带上就会同时留下语声磁迹和时标磁迹。对于双声道四磁迹录音带来说,可记录一组声音信息和一组时间信号。(周洁波)
当需要查询磁带录制的时间时,可通过录音机的左声道线路输出孔,将时标信号取出,经录音机接口电路送到单片机的串行输入口,即可显示录音的时间。
硬件配置
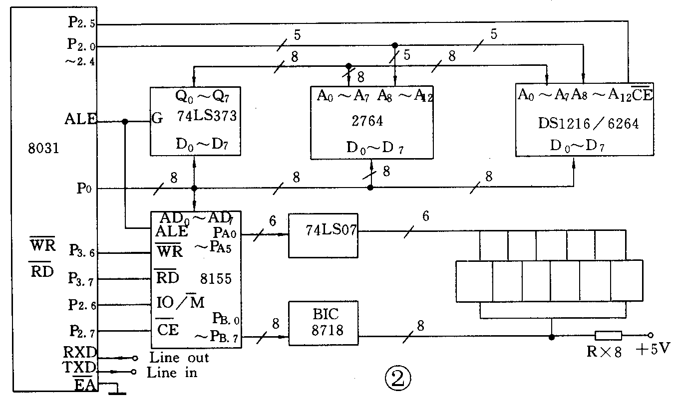
该系统整个硬件结构如图2所示。单片机8031需另外配置程序存贮器,我们用2764存放用户程序。由8031的P\(_{0}\)口的P0.0~P\(_{0}\).7通过74LS373传送低8位地址,P2口的P\(_{2}\).0~P2.4传送地址的高5位。8031通过8155扩展后,控制六位LED显示器。LED采用动态显示,软件译码。8155的P\(_{B}\)口输出段选码,PA口输出位选码。BIC8718和74LS07为段、位显示驱动器。

该系统的时钟部分是由DS1216提供的。DS1216是一个28管脚,具有日历时钟功能的CMOS集成器件。它能提供百分之一秒、秒、分、时、星期、月和年等信号。在年、月信号控制下,它能自动对每月天数进行调整,包括闰年的调整。时钟电路可以运行于24小时制或带上、下午指示的12小时制。它上面还带有一个28脚集成电路插座,可以插入一片2k×8或8k×8(6264)的CMOS静态RAM,可以保证RAM中的数据停电也不丢失。由于DS1216与RAM共同使用一个插座,因此,对日历时钟进行读写操作时,必须严格按照一定的步骤进行。(周洁波)