流行于七、八十年代的中低档收录机,如三洋4500、夏普6060/8585、康艺、康佳等,其频响范围比较窄,一般在70~10kHz,略好一些的也只有50~12kHz左右,很难胜任高品质放音。整机的改进,应本着在原机电路板上进行,利用原机元器件,保持原录音电平,简单易行、经济实用的原则。下面以夏普SHARP6060为例,介绍改进方法。
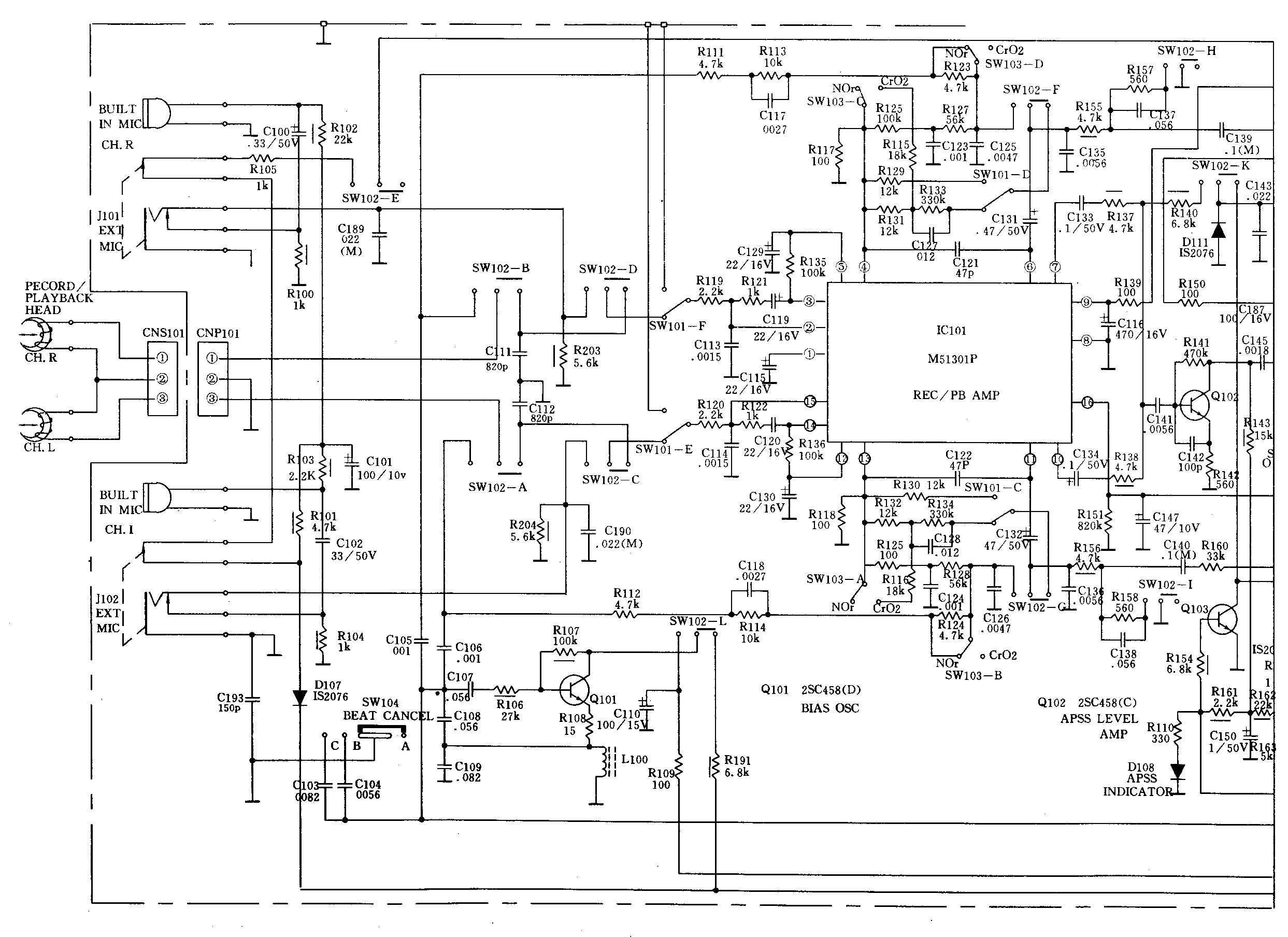
下图是夏普6060收录机线路图(录放部分)。首先从扩展低频端入手。用2只1~2μF/50V的电容,以无极性或钽电容为好,替代原电路中的C131和C132。从电路板上将C131、C132焊下,并将2只1~2μF/50V电容分别焊至C131、C132位置。再从电路板中找到电容C139和C140(容量为0.1μF)并焊下,把刚替换下来的C131、C132电容(容量为 0.47μF/50V)焊至C139、C140位置。按照同样方法,将放音通道的以后各级耦合电容以加大一倍的容量予以逐级更换(替换前4只电容后,低音效果已有很大改善)。

高音部分的改进较为复杂,除更换优质磁头外,还要适当降低磁头的谐振电容容量。但由于优质磁头市场上不易买到且价格较高,也不经济。所以,在坚持在原电路板上进行和利用原机元件的原则前提下,做如下改进:将电阻R131、R132(阻值为12kΩ)焊下,再将电阻R115、R116(阻值为18kΩ)焊下,把电阻R131、R132焊至R115、R116位置后,再把R115、R116焊至R131、R132位置即可。
经过以上改进,整机频响已有非常明显改善。但如果还用原机扬声器试听的话,则听音效果变化不大,原因是受扬声器口径及机体空间等因素影响。简易方法可用原机功率输出插孔直接驳接音箱,但由于该机功率储备不大(原机功率5W+5W),放音效果只能满足一般听音者的要求。有条件的音响爱好者可以利用改进后的录放部分作为声源,加上前置放大、音调均衡和H\(_{i}\)—Fi功率放大器,使听音效果更趋完美。改进后听音感觉,低音浑厚有力,有震撼感,32Hz、64Hz处都有很强的音乐再现,大鼓、电贝司发音厚实而有力度。高音区变化也很明显,16kHz处电平指示起伏频繁且幅度较大,是改进前所没有的;碰铃、三角铁等乐器声音纤细清晰,给听音者以明快的感觉。(邸丰元)