本刊1991年第9期介绍了参数固态继电器的特点,本文将介绍参数固态继电器(PSSR)的具体应用电路,以供读者使用时参考。
一、基本使用方法
图2(a)电路是正功率驱动的应用。当低压CMOS逻辑电路(1.5~3V供电)的输出端为低电平时,没有电流送入PSSR的有源驱动端1脚,因此输出端“触头” 5、6脚闭合。当为高电平时,有一个大于2μA的电流送入PSSR的有源驱动端1脚,输出端“触头”5、6脚断开。
图2(b)电路是无源驱动功能外接微电接点型传感器的应用。当微电接点S断开时有一个无穷大的电阻跨接在PSSR的无源驱动端3脚和公共端4脚上,输出端“触头”5、6脚闭合,当微电接点S闭合时有一个很小的电阻跨接在PSSR的无源驱动端3脚和公共端4脚上,输出端“触头”5、6脚断开。如果微电接点S的接触电阻较大时(大于数千欧)则应选用PSSR的高无源电阻驱动端2脚才能正常工作。
图2(c)电路是无源驱动端外接变电阻型敏感元件的应用。当光照较强时光敏电阻的阻值很小,PSSR的输出端“触头” 5、6脚断开。当光照很弱时,光敏电阻的阻值很大,PSSR的输出端“触头” 5、6脚闭合。由于光照从强到弱的变化过程中,光敏电阻的阻值是逐渐变大的,当该阻值越过高无源电阻驱动门限值R\(_{0}\)时,“触头”5、6脚从断开到闭合是缓慢变化的,从而具有“软”的过渡特性。
图2(d)电路是负功率驱动的应用。PSSR的2、4脚向KD01X闪烁电路提供3V、静态电流为2μA左右的工作电流。当闪烁电路的输出端P为高电平时,没有电流流过负载电阻R,PSSR的2脚输出电流很小,输出端“触头”5、6脚闭合。当闪烁电路的输出端P为低电平时,流过负载电阻R的电流有几百微安,PSSR2脚总输出电流很大,输出端“触头”5、6脚断开。
通常在不使用PSSR的正功率驱动功能时,应将1脚与公共端4脚短接。
二、无源驱动功能应用举例
1.自动液位控制器
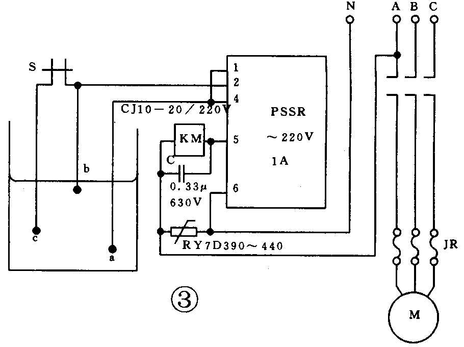
图3是由PSSR与一个电容C组成的自动液位控制器电路图。当液位低于C点时,PSSR的高无源电阻驱动端2脚与公共端4脚断开,其间的电阻趋于无穷大且远远大于高无源电阻驱动门限值R\(_{0}\),输出端“触头” 5、6脚闭合,接触器KM吸合,常闭触点S断开,水泵转动向容器加注液体。由于常闭触点S的断开,虽然液位超过了C点,但不会通过液体连通PSSR的2、4脚,从而维持电机的转动。如果液位上升到了b点,a、b两点之间的液体电阻跨接在PSSR的2、4脚之间,只要这一液体电阻小于高无源电阻驱动门限值(20kΩ),输出端“触头” 5、6脚断开,接触器KM失电,水泵停止向容器加注液体,同时接触器KM的常闭触头S闭合,从而保证当液体从b点降到c点时,仍有液体电阻通过a、c两点加在PSSR的2、4脚上维持电机停转的状态。周而复始,把液体控制在给定位置b、c之间。

为了电路更加安全可靠,可以在PSSR的5、6脚之间加一个压敏电阻RY7D,其标称电压在390~440V的都可以。 PSSR应与接触器KM安装在一起,连接探极的引线最好使用双绞铜芯线。三根探极a、b、c的材料可自行选定,但要保证a、b或a、c之间在液体断开时,其间电阻应大于500kΩ。
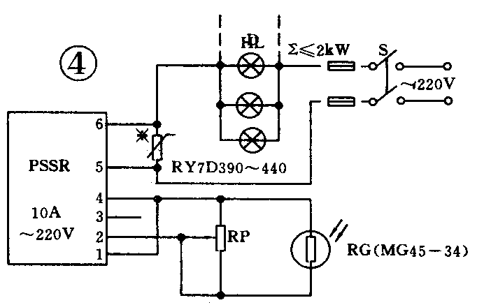
2.路灯自动群控器
图4是路灯自动群控器电路图。

当PSSR的工作电流较大时,应加装散热器。通常PSSR的底板与内部电路是电隔离的,可以直接压在铝质散热器上。压接时要涂上一层导热硅脂或硅橡胶。图5给出了PSSR工作在10A电流时散热器的尺寸及安装示意图。

3.感应继电器
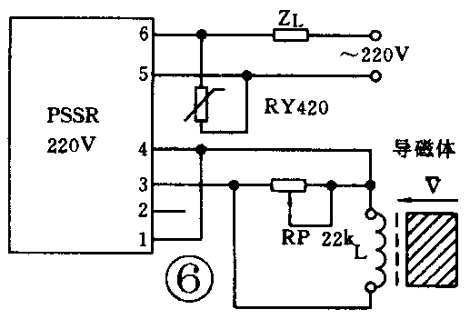
图6是感应继电器的电原理图。传感元件L跨接在PSSR的低无源阻抗驱动端3脚与公共端4脚上。当导磁体离传感元件L较远时,传感元件L的感抗Z\(_{1}\)亦很小,并远小于低无源阻抗驱动门限值Z0,这时PSSR的输出端“触头” 5、6脚断开。当导磁体接近传感元件L时,Z\(_{1}\)亦大为增大,并远大于低无源阻抗驱动门限值Z0,这时PSSR的输出端“触头”5、6脚闭合。

传感元件L是绕在MX2000磁罐的半边上,约30~60匝,RP是用来微调门限值Z\(_{0}\)的,调整后可用固定电阻代替RP。PSSR的3、4脚引线不要太长,否则感抗参数不能集中在磁罐里的线圈L上,影响PSSR输出端的切换。
4.恒温控制器:
利用PSSR和一个电阻组成的恒温控制器电路,已在本刊今年第2期35页上介绍,这里不再叙述。
三、有源驱动功能的应用
图7是利用PSSR的液晶石英钟制作的钟控定时器电路原理图。由于用μPC833制作的电子钟一般都是成品,因此在图7中只画出与石英钟控制输出1脚CNT相关的部分电路。

四、负功率驱动应用举例
JCG型参数固态继电器的邮售消息见本期第48页配文广告。(伍占禧)



