近年来,家用电器的遥控装置得到了广泛的应用。电视机、录象机、音响、电风扇等家用电器的遥控给人们的生活带来很多方便,深受欢迎。但是由于多数遥控系统的电路复杂,制作相当困难从而影响了遥控电路的推广。本文向大家介绍一种遥控系统,它采用了新型集成电路,所以外接线路极其简单。
这个遥控系统共有7个控制通道,采用红外遥控方式。
SHM808组成的7路红外遥控发射电路很简单,外接元件只有红外发射管和控制开关。
SHM8088是红外接收电路,在其7个输出端中D1~D6是单态输出,D7是双稳态输出。15、16脚是为控制元件提供电源的。
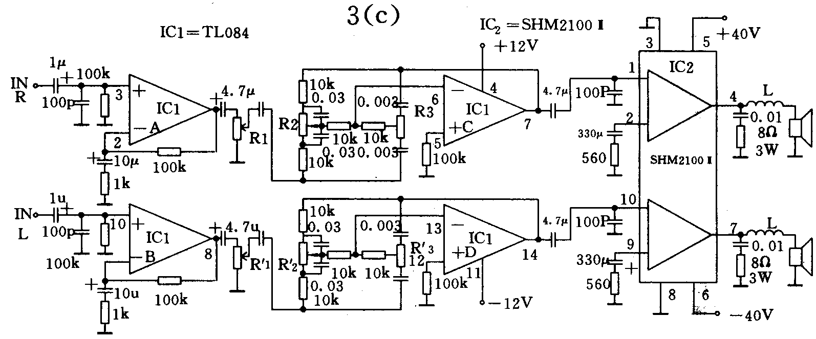
本文向大家介绍一种SHM808和SHM8088的应用电路。电路如图3(C)所示,这是一个功率放大器,电路中R1、R1'、R2、R2'、R3、 R3'分别是音量、低音控制和高音控制电位器。值得一提的是电路中使用了一种广泛应用在控制系统中的电调节双连电位器,这种电位器由微电机传动齿轮和双连电位器组成,传动机构中有打滑装置,当电位器调到上、下定位点时,便自动打滑,这时即使给微电机通电,也不会损坏电位器,电机仍按常速旋转不产生“堵转”现象。这种电位器也可手动控制,使用非常方便。在遥控仪器、音响设备中应用很广。

图3(C)电路中由于使用了这种电位器,所以能很方便地对音量、高音、低音的调节实现遥控。图3(a)、3(b)分别是遥控发射和接收部分的电路。(钟伟波)



