本文介绍一种适用于6安时以下的多种规格的镉镍电池充电器,由于采用恒流定时充电方式,安全可靠,可对1~10节任一组合的镉镍电池组充电。
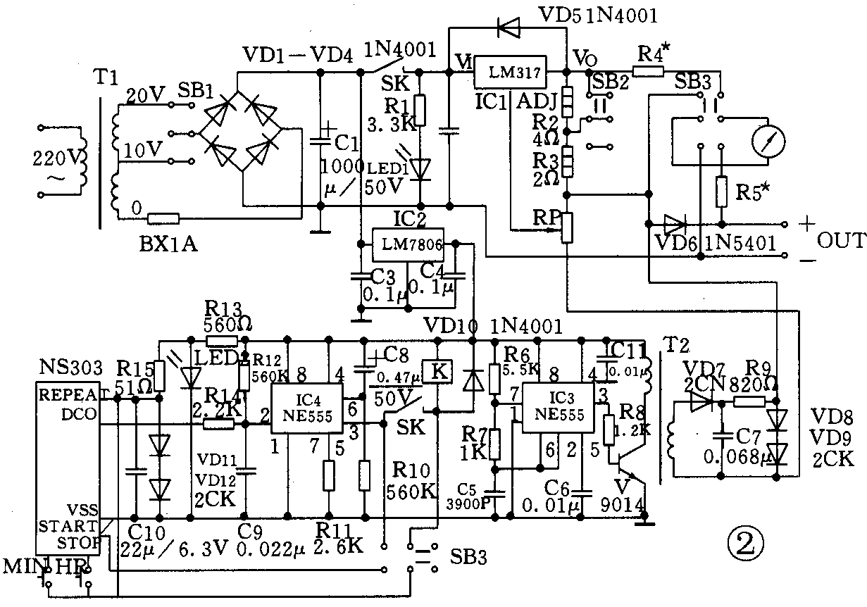
工作原理:见图1,由LM317三端可调稳压集成电路组成可调恒流电源。R是取样电阻,RP为电流调节电位器,E是辅助电源。输出电流I\(_{C}\)为:
I\(_{0}\)=(1.25-Uab)/R

当取样电阻R一定时,输出电流I\(_{0}\)取决于Uab的大小。式中1.25V为LM317基准电压。当V\(_{0}\)、ADJ间电压大于或小于此值时,内部电路作相应的调节,使V0、ADJ间电压重新稳定到1.25V,这是输出电流I\(_{0}\)稳定的关键。当电位器RP滑向a点时,Uab减小,输出电流I\(_{0}\)增大。当RP滑向C点时,Uab增大, I\(_{O}\)减小。若因某种原因造成输出电流I0增大或减小时,取样电阻R上的电压也随着增大或减小,这一变化通过V\(_{0}\)、ADJ端,内部电路作相应调节,使输出电流达到稳定。
实际应用电路见图2。R2、R3是取样电阻,当SB2断开时,取样电阻等于R2+R3=6Ω,电流调节范围为。0~200mA(实际受LM317最小负载电流限制,最小恒流值约3.5mA左右)。当SB2闭合时,取样电阻是2Ω,相应的电流调节范围为0~600mA。取样电阻两端并有电流表,调节电阻R4使表头显示与输出电流一致。通过SB3(无锁推键开关)切换表头可测量被充电池电压,调节R5使表头显示电压与电池电压一致,表头电压测量范围为0~20V。VD6可以防止充电结束时电池通过充电器放电。LED1是充电指示。

定时控制由NS303定时器、IC4及继电器K等组成。有关NS303定时器,请参考《无线电》 1990年第1期。 DCO是NS303的直流控制端,此端平时为高电平,当定时时刻到,蜂鸣器鸣叫的同时变为低电平,直至一分钟后芯片复位为止,又变为高电平。IC4是一块时基电路,当电源接通时,由于C8接在IC4的阈值输入端6脚,输出端3脚输出低电平。这时按下SB4(无锁推键开关)继电器K吸合,并通过自身一组常开触点自锁。同时NS303也被启动开始计时,充电开始。当定时时刻到时,DCO输出一低电平到IC4的触发端2脚,输出端3脚变为高电平,K释放,充电停止。由于R10的存在,阈值输入端被下拉到低电平。这时无论DCO再次输出低电平或高电平,都不能改变3脚输出状态,只有切断电源才能复位。利用这一点,我们可以判断在充电期间是否停过电,如果在取电池之前再按动一次SB4,充电指示灯亮,表示在充电期间停过电,电池没有被充足,使用时就应注意。如果充电指示灯不亮,说明没停过电,电池被充足。LED2作电源指示。VD11、VD12、R15组成1.4V电源,为NS303供电。
元件选用及安装调试:变压器T1功率不小于15W,次级电压为20V,带中心抽头。T2用GZ14×8罐形磁芯,用φ0.15mm高强度漆包线,初次级各绕50匝,要求绝缘良好。表头用85C1等型号表头。取样电阻R2、R3用温度系数小的电阻丝自制,线径不小于φ0.5mm,以减少自身发热,提高稳定性,阻值误差为1%,以便于调试。SB1、SB2用2×2小型拨动开关,两组触头并联使用。SB3、SB4用小型无锁推键开关。继电器K用6V双组触头的小型继电器。
印板见图3、图4。为了使图形清晰,图中线条画得较细,制做印板时应把线条加宽。小心打开NS303定时器,从START/STOP端、DCO端、REPEAT端、V\(_{ss}\)端各引出一根线,以便与控制电路联接。IC1应加足够的散热片。需要说明的是,如果自制的取样电阻误差较大,可先调节R4,调整好600mA档。然后通过调节R2的阻值,使200mA档与表头显示一致。(吕军省)

