本人采用CMOS数字集成电路设计、制作了一台声光显示的自动裁判陆战棋。整机由棋子、自动裁判器和棋盘组成,装入一个机壳。机壳尺寸为130×100×43(mm)。外型见图1。电路方框图见图2。


通常陆战棋只有十二种不同的棋子名称,因此可以采用四位二进制码给每个棋子一个代码,按陆战棋游戏规则中规定的大小分配代码如下:
军棋0000、工兵0001、排长0010、连长0011、
营长0100、团长0101、旅长0110、师长0111、
军长1000、司令1001、地雷1010、炸弹1100。
1.取样电路:由棋子和编码开关组成,红、黑方相同。棋子底部有一字排列的深浅不同的四个孔,浅孔代表“1”,深孔代表“0”。按照每只棋子各自的代码制孔。编码开关由四只按钮开关组成,开关接通,代表“1”,开关断开,代表“0”。平时开关都处于断开状态,当棋子放入棋孔并按下时,对应浅孔位置的开关接通,对应深孔位置的开关仍断开。这样,每只棋子通过编码开关就可以输出代码。
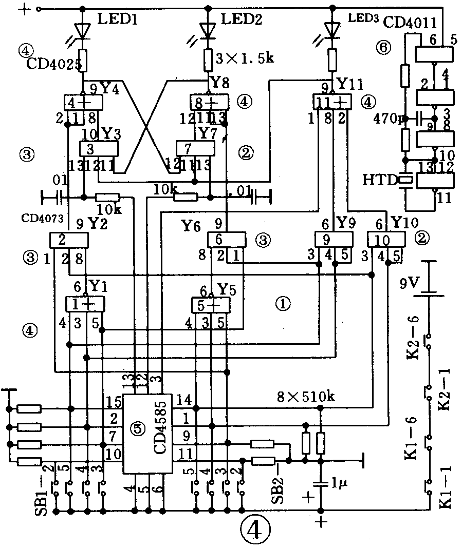
2.比较裁判电路:由一块四位数字比较器CD4585、两块或非门CD4025、两块与门CD4073等组成。CD4585各脚功能见图3。A端接红方编码开关,B端接黑方编码开关。级联输入端不用。除去炸弹遇任何子,地雷遇工兵外,其它棋子都可以通过CD4585得到正确的比较输出信号。

3.显示电路:由三只发光二极管和蜂鸣电路等构成。LED1亮,表示A方胜;LED2亮,表示B方胜;LED3亮,表示同归于尽。灯亮同时,蜂鸣器发声,表示已有比较结果。
工作原理
陆战棋游戏规则规定,棋子的胜负是以军职高低来判别,以高胜低;地雷威力最大,谁碰到它都要阵亡,但它也有克星——工兵可以胜它;炸弹遇到任何棋子都同归于尽。按规则设计的电原理图见图4。

从电原理图可知,电路中各IC的输出Y分别为:
Y1=A3+A2+A1-=A3-·A2-·A1-
Y2=A3-·A2-·A1-·B3·B1
Y5=B3+B2+B1=B3·B2·B1
Y6=B3-·B2-·B1-·A3·A1
Y9=A3·A2
Y10=B3·B2
Y4=Y2+Y3-=Y2-·Y3-
Y8=Y6+Y7-=Y6-·Y7-
Y11=Y9+Y10+(A=B)-=Y9-·Y19-·(A=B)-
Y3=Y11· Y8·(A>B)\(_{d}\)
Y7=Y11· Y4·(A<B)\(_{d}\)。
式中(A=B)为比较器3脚的输出信号。
(A<B)\(_{d}\)、(A>B)d分别为比较器12脚、13脚输出经RC延时电路后的信号。
现分三种情况进行分析:1.工兵遇地雷。工兵、地雷的代码分别为0001和1010;如A为工兵,代码A3A2A1A0=0001,B为地雷,代码是B3B2B1B0=1010,将输入的代码代入各Y方程得:Y1=1;Y2=1;Y5=0;Y6=0;Y9=0;Y10=0;Y4=Y2·Y3=0;因为此时比较器12脚输出(A<B)=1,3脚输出(A=B)=0,Y11=Y9·Y10·(A=B)=1,Y7=Y11·Y4·(A<B)=0;Y8=Y6·Y7=1;所以LED1亮,LED2、LED3不亮,表示A方工兵胜B方地雷。反之,B为工兵,A为地雷,分析方法同。但结果是Y8=0,Y4=1,Y11=1;LED2亮,LED1、LED3不亮。2.炸弹遇任何子。炸弹的编码为1100,由输入的代码和Y方程可知,无论A或B为炸弹,Y9、Y10必有一个为“1”,所以Y11=0,LED3亮,表示同归于尽。这时Y2、Y6、Y3、Y7均为“0”,Y4、Y8均为“1”,LED1、LED2不亮。3.除上述两种特殊情况外,其余各子都通过比较器输出信号。若A大于B,将输入代码代入方程可得出:Y2、Y6、Y9、Y10均为“0”;因为,比较器3脚输出信号(A=B)=0,12脚输出信号(A<B)=0,13脚输出信号(A>B)=1,代入方程得:Y11=Y9·Y10·(A=B)=1;Y7=Y11·Y4·(A>B)=0,Y8=Y6·Y7=1,Y3=Y11·Y8·(A>B)=1,Y4=Y2·Y3=0。所以LED1亮,LED2、LED3不亮,表示A方胜。若A小于B,分析方法同,但结果是LED2亮,LED1,LED3不亮,表示B方胜。若A等于B,则比较器3脚输出信号(A=B)=1,12脚输出信号(A<B)=0,13脚输出信号(A>B)=0,代入方程得:Y11=Y9-·Y10-·(A=B)-=0;Y7=Y11·Y4(A>B)=0,Y8=Y6-·Y7-=1;Y3=Y11·Y8·(A<B)=0,Y4=Y2-·Y3-=1。所以LED3亮,LED1、LED2不亮,表示同归于尽。
制作要点
1.棋子用塑料制成,外形尺寸为25×17×8.5(mm),要求一致。棋子底部有一字排列四个平底孔,浅孔深2mm,深孔深5mm,孔径为4mm,孔距为5mm,按中心线对称分布。每只棋子按代码制孔。2.编码开关组件是该棋判断不失误的关健器件,需要自制。A、B方各一只。每只编码开关组件由六只按钮开关组成,边上两只为电源开关,中间四只为编码开关。要求棋子在棋孔中用手按下时,编码开关先动作,再接通电源开关。(黄金木)