本文介绍几种现代化照明灯具中常用的电路。
一、卤钨灯用的电子变压器
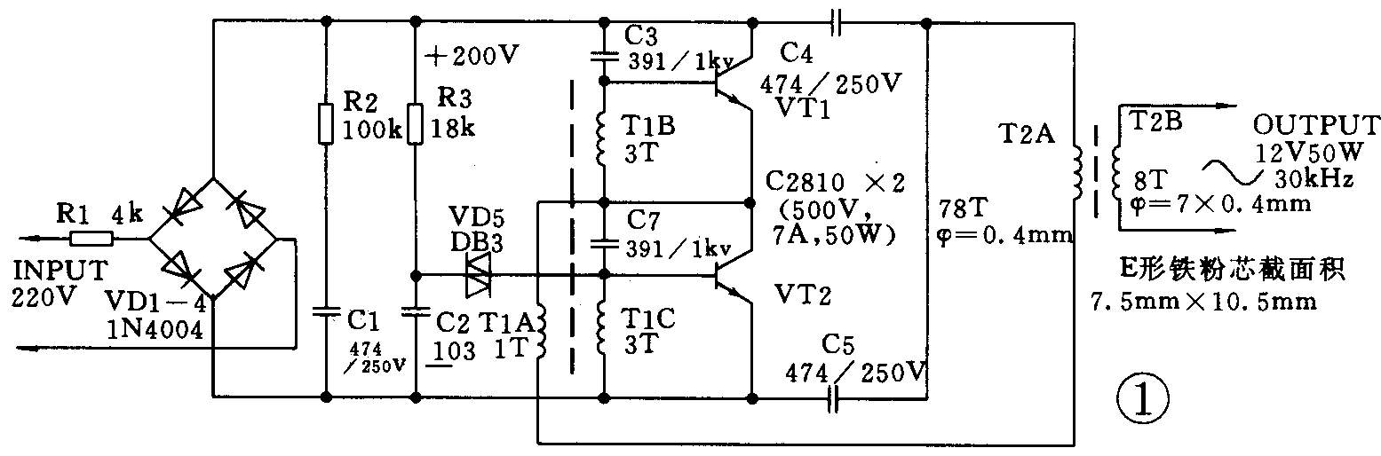
卤钨灯与白炽灯相比,功率大5倍,体积缩小到白炽灯的十分之一,发光效率高2~3倍,色温高,寿命延长1.5~2倍,光通稳定。因此被广泛用于舞厅、家庭。其中又以12V/50W的带石英聚光罩的卤钨灯(俗称石英灯)用得最多。12V/50W卤钨灯(石英灯)专用电子变压器的电路见图1。由VD1~VD4把220V的交流电源整流后,通过R3向C2充电,当C2两端的电压充到一定数值时,VT2导通,形成电路的第一个工作周期。本电路的工作频率约30kHz,由于工作频率受反射阻抗的影响,故空载时工作频率会低于30kHz这个额定值。主要元件包括变压器、功率管的参数均已标在电路图中。其中输出变压器的次级采用7股0.4mm的漆包线绞合绕制。输入变压器采用Ф7×2mm的磁环用细花线穿绕而成。R1为限流降压电阻,用2W功率的合成电阻。C1、R2为输入阻容吸收回路,C3、C7为防高频振荡及自激电容。VD1~VD4为整流桥堆。使用过程中VT1、VT2应带 8cm×3cm×3mm的散热片,可以两管合用一块,但应加绝缘云母片。整机体积约为50×30×20(mm)。

二、手动、轻触调光电路
室内某特定地点的光线应随需要改变,这就依赖于调光电路。
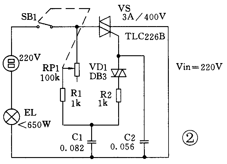
图2为一个手动无级调光电路,它广泛用在台灯上。工作原理如下:合上SB1(与RP1联动),220V交流电通过RP1、R1给C1充电,当C1上的电压大于VD1的击穿电压时,VD1被击穿导通,C1通过VD1、R2、双向可控硅放电,可控硅导通,使EL发光。调节RP1的数值就可以调节移相角,改变VS的导通角从而达到改变输出到灯泡的电压。C1大时,移相角亦大,输出电压低,故取大一点的C1值可加宽输出电压的调节范围。一般输出电压U\(_{out}\)从70~80伏起调较合适。本电路的负载可达650W,也可用于铬铁的调温及电机调速电路中。

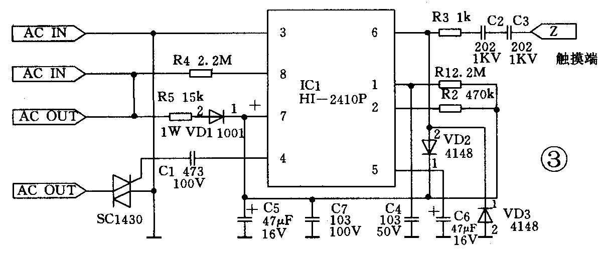
由于手动式调光电路具有机械开关及机械磨损,用久了会带来接触不良的故障,故完全无触点及无机械磨损的轻触式调光电路也就应运而生。轻触式调光电路大致有两代,第一代是无级调光电路,由于靠触摸时间的长短来调节灯泡的亮度,接触时间不好控制,县靠眼睛注视灯光容易眩目,为调节某一亮度有时要反复调节(触摸)好几次,使用起来反觉不便。第二代为专用集成电路控制的触摸有级调光电路。图3为一个五级触摸式调光电路。交流电源输入通过双向可控硅加于负载两端。双向可控硅的导通角受IC1的控制。IC1为新一代专门用于触摸式调光电路的集成电路。IC1的各脚功能如下:第3脚公共极、电源负;第8脚同步信号入;第7脚电源正;第4脚触发脉冲出;第6脚触发(摸)脉冲入;第1、2脚接移相阻容元件;第5脚为内部降压电路的滤波电容引入脚。工作原理如下:公共电源加于IC第3脚。交流电通过R5(1W)降压,VD1整流,C5、C7滤波后加于第7脚,当有触摸脉冲从Z端输入时,内部振荡电路与R1、R2、C4构成阻容移相电路,由第4脚输出触发信号使双向可控硅导通。触摸脉冲与内部计数器构成五档步进循环电路,当输入五个触摸脉冲1.0V;2.75V;3.135V;4.175V;5.219V时,电路状态循环一次。改变R1、R2、C4的数值可以改变移相角,亦即改变双向可控硅的导通角,故也可以改变五个状态下的中间三个的输出电压。其中0V及219V两状态不能改变。C1、C2及R3、VD2、VD3均是触摸端的输入保护元件。VD2、VD3把IC1第6脚的电位箝定于电源电压上下,它同时有保护IC1第6脚免受损坏的作用。本电路体积很小,可以方便地加装于台灯的底座内,改装时只需露出触摸端Z即可。工作时,人体甚至不必直接触及Z端。如果有灯罩,Z端焊于灯罩的金属框架部分,人体隔住绝缘层接触灯罩便可使灯泡工作调光,由于五档是已由内部电路设定,故使用时较无级调光方便得多。

三、荧光灯管逆变电路及应急照明灯
荧光灯通常采用电子变换器,先把交流变直流再由振荡电路产生高频交流电去点燃灯管。这样就省去了镇流器及启动器,并使灯管不再产生低频闪烁现象。图4是典型电路,它包括降压、整流、滤波、逆变及充电的电路,并由蓄电池提供应急照明。当开关SB1闭合时,电路由交流电源供电并向电池充电。此时LED1亮,表示有交流电源并正在充电。从VD6来的直流还送往VT1,VT1与变压器T1构成自激式振荡电路,振荡频率约40kHz,高频电压经变压器T1升压,由输出电压(空载105V,灯管点燃时约60V)直接启动灯管。本电路的另一特点是灯管灯丝断了仍可使用。当拨去交流电源插头或停电时,VD6的正极没有电压,电路自动改由蓄电池供电,达到停电应急的照明作用。使用过程中应注意交流电源整流后的输出值应高于电池的额定值,才能保证有交流电时由交流供电及向电池充电。

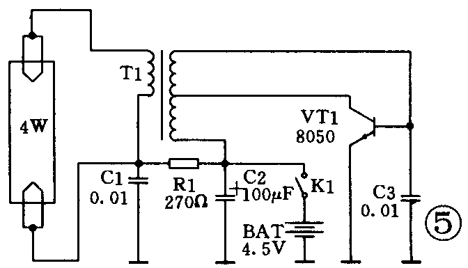
图5为另一个纯直流供电的逆变电路,它可采用干电池作电源,用以点燃4W荧光灯管。本电路在无交流电源的地方使用尤其合适。(王辉)
