蒸发器的全面覆盖法
将一台电冰箱的蒸发器在充气状态下浸在水中观察,发现漏气点竟多达九处,另用放大镜观察又发现十几处将要出现漏气的隐患处,但这些漏气点都是出现在蒸发器的外面,分析其原因是保温层长期受潮而腐蚀铝面所致。在这种情况下,我们怀着试试看的想法, 把蒸发器外面的腐蚀层用细砂纸轻轻擦掉,然后用配好的环氧树脂薄薄地覆盖一层,待24小时后又涂一层,这样共涂了三层。最后又对砂眼处作了个别加厚处理,待干燥固化后,与系统重新焊好,经打压、试漏后充氟,使用至今正常运转一年多。这证明使用此法对漏点太多的蒸发器进行补漏是可行的。(李书祥)
冰箱铝蒸发器的补漏
目前多种电冰箱都采用吹胀式铝蒸发器,这种蒸发器在使用中出现的内漏较多,处理这种故障采用磨擦焊或胶粘法的较多。由于压力和强度的变化容易降低强度,以至使问题不易得到彻底解决。
我采用的是镀铜法焊接,先把铝件漏气处用细砂纸轻轻打磨干净,然后滴上几滴稀盐酸,几分钟后再滴上几滴浓硫酸铜溶液。当焊面上镶上一层均匀的铜膜时,用水冲去残液,然后再用200W以上的电烙铁配松香助焊进行焊接,焊接面尽可能大一些。经过这样修补的蒸发器一般不会产生二次泄漏。(李书祥)
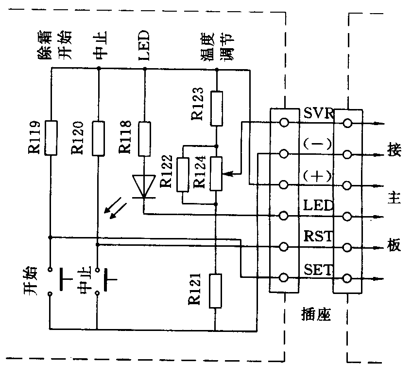
东芝电冰箱反复除霜
东芝GR-205E电冰箱因反复除霜而使制冷无法进行。当切断除霜电路后,在制冷时,其继电器无规律的频繁通断,压缩机不能正常启动。
在维修时,首先切断除霜电路,检查制冷故障。当用万用表检查到温度调节信号SVR时,发现电压有突变现象,无法稳定在规定值内。其原因是操作板的插座因长期受挤变形使连线接触不良所致。操作板电路见附图,由图可见。在制冷时若电源(-)端不通,则SVR由规定值变为7V,这将会使电路中的R-S触发器处于不定状态,引起误动作,造成压缩机电源频繁断电,无法制冷。由于操作板插座无法修复,故去掉插座将连线直接焊在插座板上。这样通电后制冷恢复正常状态。随着插座故障的排除,除霜也进入正常状态。(韩斌)
