一般的收录机特别是进口的绝大多数中低档收录机均未设交流电源开关。尽管收录机的全自停功能可以在磁带放到尽头时切断直流电源,但用户在使用机器完毕后,仍需拔掉电源插头。而这举手之劳却往往被人忘记,由此造成一是浪费电能,二是容易烧毁电源变压器。笔者设计了一种外接式收录机自动断电开关,特点是无需改动收录机内部电路,便可以在收录机“自停”后延时一段时间自动切断交流电源。
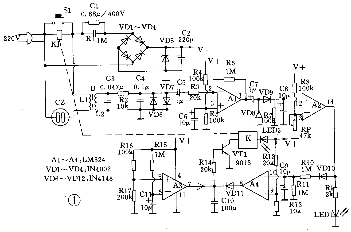
电路见图1。运放A1组成反相放大器,放大倍数为50倍;A2组成一个比较器,当正输入端电压高于负输入端电压时,A2输出高电平,反之输出低电平;A4也是一个比较器,但它还具有延迟作用,当A2输出的高电平消失后,电容C9通过电阻R11放电。因时间常数较大,故A4输出的高电平仍能保持一段时间;A3组成加电延迟电路,由于C11上的电压不能突变,故加电时A3输出高电平。当电源V+通过R15给C11充电使其上电压超过R17两端电压时,A3输出由高变低。

使用收录机时,按一下开关S1,电路加电,A3输出高电平,VT1导通,继电器K吸合形成自保,LED2点亮指示工作状态。收录机在执行录、放、收音时,因耗电较大,因此由互感器B次级L2感应出的电压较高,经运放A1放大,VD8、VD9检波后输出较高的直流电压,使比较器A2输出高电平,运放A4也输出高电平。因此,即使A3输出由高变低后,A4输出的高电平仍能使VT1导通,继电器保持吸合。当收录机“全自停”后,互感器B次级感应电压变小,经放大检波后输出的直流电压较小,故A2输出由高变低,经A4延迟一段时间后输出低电平,使VT1截止,继电器断开,从而完全切断了交流电源。如果在A4的延迟时间内执行录、放、收音等操作,则A4输出始终为高。这段延迟时间主要是为用户完成换带、倒带等操作而设计的。
电路中二极管VD6、VD7起限幅作用。供电采用电容降压、全波整流方式。电路中的关键器件是互感器B,需自制。采用20×10×5mm铁氧体磁环,先绕次级L2,后绕初级L1。L2使用直径为0.2~0.5mm的单股塑包线绕50圈;L1使用φ0.8mmQZ漆包线绕6~8圈,绕制时注意要均匀对称、相互绝缘。稳压管VD5选用功率为1W、稳压值为9~11V的。继电器选用JRC—4098型,工作电压为9V。其它元件值如图标注。A\(_{1}\)4为LM324,其引脚功能见图2。

调整方法:按图焊接无误。将收录机电源插入CZ插座,按动S\(_{1}\),使收录机处于收音状态,调RP1使LED1刚好点亮。然后关掉录音机,延时一段时间后,继电器应该断开。(李洪明)