故障现象:接通电源开关,装入一盒录像带,除出盒键(EJECT)能正常操作外,其余功能键均不起作用。
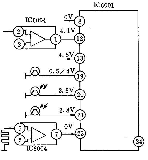
分析与检修:录像机能够装取带盒,说明带仓机构工作正常。按各功能键,机器不动作,而且多功能显示屏也没有操作显示,有可能是键控输入电路或检测保护电路工作失常。进一步检查,先用示波器(或万用表)检查IC6001脚的输入信号(按键指令信号),用手按压各功能键,示波器上均能显示正常的方式指令信号的波形(用万用表检查时,未按功能健,脚电位为4.1V,按压功能键,电位应下降0.2V左右),这说明按键输入信号经IC6004整形、变换后的方式指令信号是正常的。接着用万用表检查IC6001⑧的电位(加载指令输出),此电位为低电平,按压重放键(PLAY),此脚仍为低电平,说明⑧脚无加载指令输出。再检查IC6001的脚电位(串行时钟输出),此电位为高电平,按压功能键,也仍为高电平,说明脚没有串行时钟信号输出。上述检查表明,IC6001已处在停机保护状态中。NV-370录像机内设有结露停机保护电路、卷带盘停转检测电路、磁鼓停转检测电路及带头带尾检测电路等,有关电路见附图。如果机器工作不正常,检测传感器就会将检测到的信号送到系统控制IC6001,控制中心立即发出停机指令,以保护磁带和走带机构。由该机故障现象看,卷带盘停转检测电路和磁鼓停转检测电路可能没有问题。因此,上述故障可能在带头带尾检测电路中。用万用表检查IC6001的电位(带尾检测信号输入),发现该脚的电位只有2V,而且表针指示又极不稳定,焊下光敏半导体管,用万用表R×1kΩ档测量其正反向电阻,发现光敏管已损坏,将该更换后,故障排除。

如果一时找不到该型号管,可将光敏管从电路板上焊下来。这种应急处理办法虽然失去自动停机倒带功能但机器却能正常。(黄福森)