近年来,在彩色电视机各种信号中又出现一种“沙堡脉冲”信号,它同色同步选通脉冲信号一样,是由电视机内部产生的。“沙堡脉冲”信号的名称来由是因为其脉冲的形状很像一个沙堡,它的英文名称是SAND CASTLE。沙堡脉冲信号在欧洲生产的彩色电视机中应用最为广泛。如国内常见的飞利浦、德律风根、根德等彩色电视机。近年来国内流行的夏普C-1805、松下M15机芯等日本机型及国产化的TDA两片机芯的彩色电视机中也应用了沙堡脉冲信号。
沙堡脉冲是一个三电平脉冲信号,它是由三个作用不同的脉冲信号组合而成,它产生于行场振荡集成电路中的沙堡脉冲发生器,送往彩色解码和亮度信号处理集成电路中。如图1所示,沙堡脉冲中电平最高的(大于10V,典型值11V)为色同步选通脉冲,是由行振荡电路产生的,它的相对位置处于行同步信号的后肩,图1实际是行同步信号与沙堡脉冲的时间关系图。中间电平的(4.2~5V,典型值4.5V)为行消隐脉冲,由行逆程脉冲产生。低电平的(2~3V,典型值2.5V)为场消隐脉冲,它是由场振荡电路中的场消隐脉冲发生器产生。图2为沙堡脉冲在电路图中的符号,沙堡脉冲送入彩色解码和亮度信号处理集成电路,首先由门脉冲分离电路对沙堡脉冲按不同电平进行幅度分离,然后送往所需要的电路。分离出的色同步选通脉冲主要有以下作用:(1)送往色同步选通电路,选出色同步信号。(2)用于亮度信号黑电平箝位,进行直流分量恢复。(3)用作双稳态振荡器的触发脉冲。由门控脉冲分离电路分离出的行、场消隐脉冲送往解码IC内的R、G、B输出级进行行、场消隐。以上几项在所有的彩色电视机中都是必不可少的,只不过使用的不是沙堡脉冲罢了。这方面的电路原理大家都很熟悉,所以由此引起的故障也比较容易判断。但沙堡脉冲信号还可以有另外一个作用,即场保护或称显像管保护。这一作用是使用沙堡脉冲信号的彩电所特有的,如果不熟悉这一点,对由此引起的彩电故障就会感到无从下手,或在修理时走弯路。下面我们通过分析飞利浦彩电中的一例常见故障来说明沙堡脉冲信号的这一作用。


故障现象:飞利浦20CT6050彩电有伴音,无光栅,关机瞬间荧光屏有光斑。
故障检查:无光栅有伴音,而供给通道的12V电源电压是由行输出变压器取得,由此可判断整机电源和行输出电路均工作正常,因此检查显像管阴极电路。查3只视放输出管各集电极电位,均由正常时的约120V上升至150V,彩色解码块TDA3561A的R、G、B输出端由正常值时的5V左右降至1.8V。初步证实无光栅现象是因为3只视放输出管截止,使显像管阴极电位升高,显像管不工作而造成的。按图3所示简化电路,查彩色解码块各脚电位,发现8脚电位由正常值的1.6V上升到2.7V,追查至行场振荡块TDA2577A,发现2脚电位由正常值4.4V变为0.15V,再查至场输出块TDA3651,发现场输出块损坏,换场输出块,故障排除。

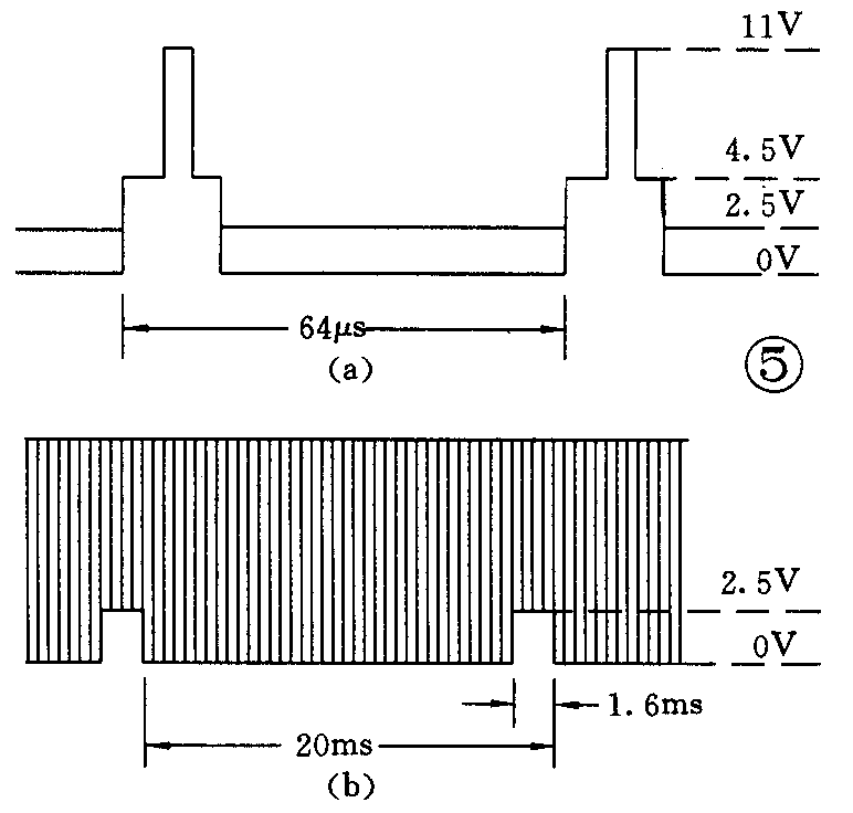
故障分析:为什么场输出块损坏造成的故障现象是无光栅而不是一条水平亮线?究其原因,是由于在行场振荡集成电路TDA2577A中设置了利用沙堡脉冲的消隐作用来完成显像管保护功能。当场输出块损坏后,显像管保护电路动作,使得由TDA2577A产生的沙堡脉冲中的场消隐脉冲的持续时间发生变化,从而造成此故障现象。参见图3,沙堡脉冲由TDA2577A第17脚输出,波形如图4(a)所示,对应于色同步脉冲出现期间,沙堡脉冲电平为11V,在行消隐期间,沙堡脉冲电平为4.5V,在场消隐期间沙堡脉冲电平为2.5V,而在其它期间,17脚输出为0V。TDA2577A17脚输出的沙堡脉冲送入彩色解码集成电路TDA3561的第8脚,经门脉冲分离器进行幅度分离,由此得到的行场消隐脉冲送R、G、B输出级进行行场消隐。仍参考图3,从场输出电路A点取出的锯齿波反馈信号由行场振荡TDA2577A的2脚送到场振荡电路进行场锯齿波线性校正,2脚的场反馈信号还同时送入显像管保护电路。如果场输出电路发生异常,即送往TDA2577A第2脚的场反馈信号电平小于3V或大于5.8V(正常值应为4.4V),TDA2577A中的显像管保护电路就动作,在沙堡脉冲中插入一个连续的2.5V直流电压(这也是故障时TDA2577A第17脚沙堡脉冲输出端直流电压上升的原因),这时17脚输出的沙堡脉冲如图4(b)所示。这样的沙堡脉冲送入彩色解码块后,实际上在整个扫描期间都有场消隐电压作用于R、G、B输出级,因此彩色解码块R、G、B输出端的电压由5V下降到1.8V,使视放输出管截止,显像管阴极电压升高,显像管截止而无光栅,即避免了场扫描电路出故障时一条水平光对显像管荧光粉的损害。

通过以上分析我们可以得到一条经验,如果碰到了一台由于显像管阴极电压升高引起的无光栅故障的彩色电视机,而在这台彩电中又使用了沙堡脉冲信号,就应该想到检查一下沙堡脉冲和场扫描电路。在不同的彩色电视机中,沙堡脉冲产生的方式可能不一样,例如本文介绍的飞利浦彩色电视机,行场振荡采用一块集成电路,沙堡脉冲也是在此IC中产生,而德律风格415机芯彩电行场振荡各使用一块IC,需要将在场振荡IC中产生的场消隐脉冲送到行振荡IC中的沙堡脉冲发生器,才能产生完整的沙堡脉冲。另外需要说明的是,图4所示波形是为了便于理解而画出的示意图,在实际测量中不能同时显示出完整的行场消隐波形,若示波器扫描时间放在便于观察行扫描周期波形的20μs/格档时,所测沙堡脉冲如图5(a)所示,此时不能看到完整的场消隐脉冲,而只能看到代表场消隐脉冲电平的一直线波形。如要观察场消隐脉冲部分,应把示波器扫描时间置于5ms/格这一档上,此时观察到的沙堡脉冲如图5(b)所示。(刘午平)
