STK7308是日本三洋公司近期推出的开关电源专用厚膜电路。该电路集成块具有如下特点:(1)采用STK7308电路的开关电源,可以在85伏~280伏交流市电工作,稳压精度为±1伏,其输入交流电压允许变化范围很宽;(2)电路集成度高,它将大功率开关调整管、稳压调整电路,振荡电路等封装在一起,因此,外围电路简单;(3)采用绝缘金属衬底封装,既保证了开关管的散热,又能使电源部分绝缘可靠,使用安全。这种集成块已经用于多种计算机的显示器、电视监视器的开关电源电路内。下面介绍STK7308的工作原理及典型的应用电路,以帮助读者排除这种开关电源的常见故障。
电路原理
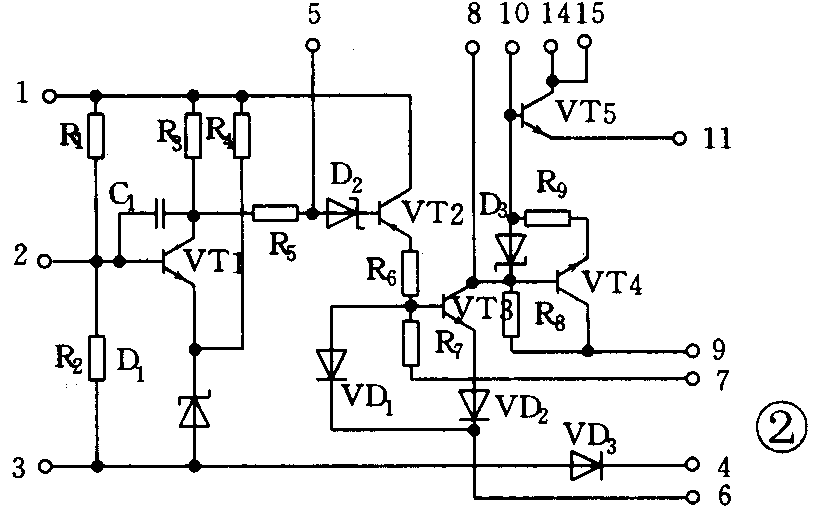
STK7308外形见图1,它采用金属衬底厚膜绝缘封装。金属衬底与开关管集电极相连,以保证功率管的散热。图2是STK7308的内部电路图。电路由振荡级、调整级、驱动级和开关管等部分组成。VT1构成振荡级,采用自激振荡形式,振荡频率受工作电压影响,对输出电压有自动调整的功能。VT2组成整形电路。VT3为调整级,当采样电压由7、8两脚输入后,调节脉冲的占空比,从而保证输出电压在±1伏内变化。VT4构成驱动级,给大功率开关管VT5提供足够的驱动电流。当输入交流为150伏~280伏时,输出功率大于100瓦;当输入电压为85伏~280伏范围内变化时,输出功率亦可达80瓦。集成块工作温度为-10℃~+65℃,其温漂为7mV/℃。电路中D\(_{1}\)、D2、D\(_{3}\)为内部稳压管,提供基准电压,以保证集成块工作可靠稳定。


典型应用电路
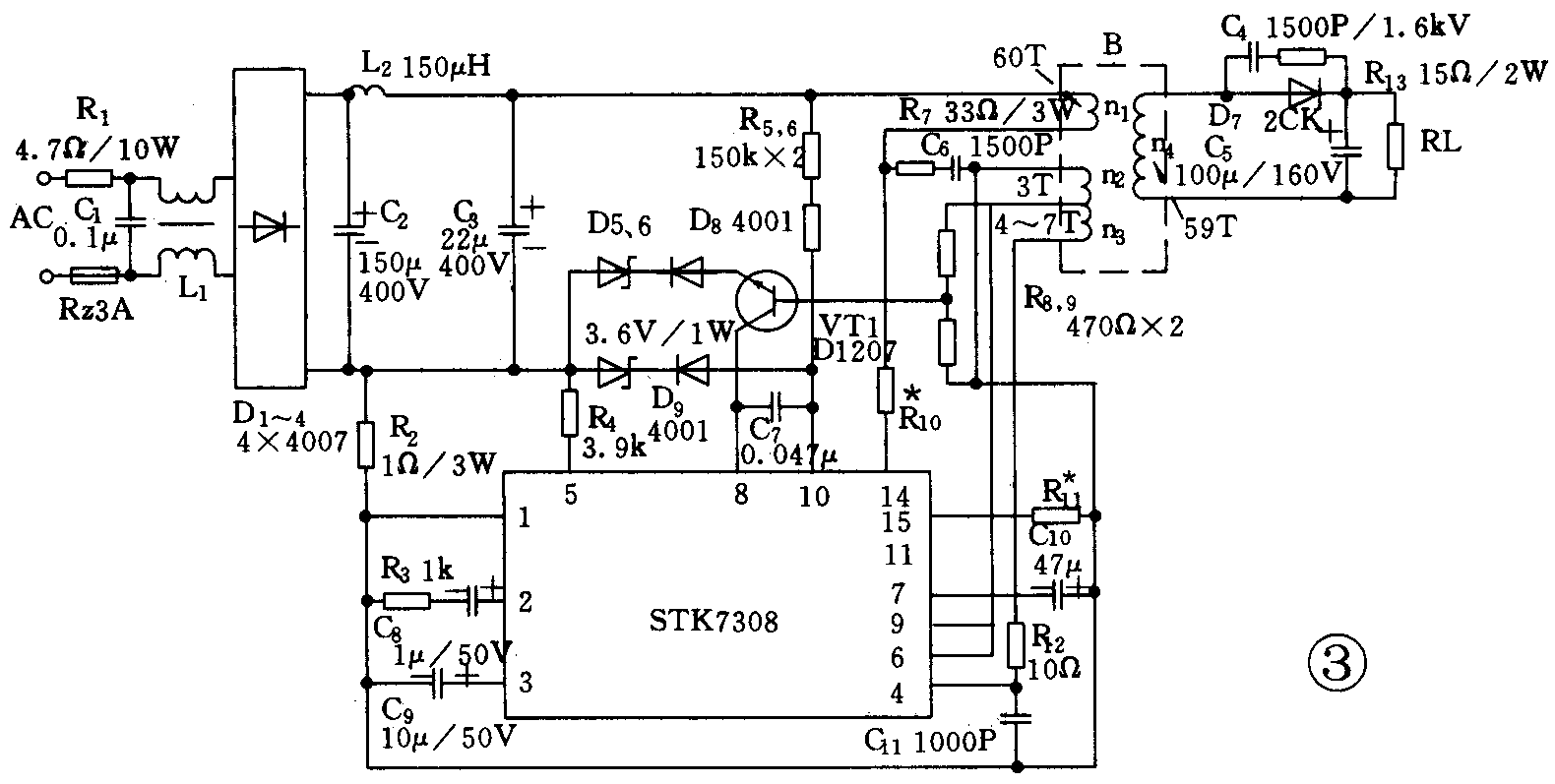
图3是一种微机显示器开关电源,它使用了一块STK7308集成块作开关电源的控制和调整部分,整机元件少,结构简单,既可在220伏电网上工作,也可以直接接于110伏电源上。在220伏交流电网上,开关电源的输出功率大于100瓦,在11O伏电网上工作时,电源的输出也不小于80瓦。

图3中采用桥式整流,电容C\(_{2}\)、C3,电感L\(_{2}\)组成π型滤波器。开关变压器采用软磁铁氧体EE-40标准铁心,绕组有四组,n1为初级、n\(_{4}\)为110伏次级,n3为低压工作级、n\(_{2}\)为采样绕组。绕组n4输出经D\(_{7}\)管整流,C5电容滤波获得110伏直源电源。C\(_{4}\),R13组成高压尖峰吸收电路,保护整流二极管。7308的工作电压由绕组n\(_{3}\)提供,C9为滤波电容。取样电压由VT1放大,再经电容C\(_{1}\)0送入到7308的调整电路,调整脉冲占空比,经驱动级放大后推动开关管,以调整输出电压。低压绕组的电压变化,能影响自激振荡的频率,从而对输出电压也起调节作用。C7为旁路电容。R\(_{7}\)、C6组成反峰高压吸收电路,保护开关管。D\(_{5}\)、D8以及D\(_{6}\)、D9分别给VT1提供基准电平。电容C\(_{1}\)及L1组成吸收电路,降低开关电源的噪声。
使用中应注意,当输入电压过低,电源的输出功率将下降,如果电源长期工作在过低电压、且通风散热不良的情况下,7308的开关管易损坏。(天文)