本灯由大字灯、数字灯和流水灯三部分组成。工作状态各异、变化多样,富有装饰性,能使节日和晚会绚丽多彩。
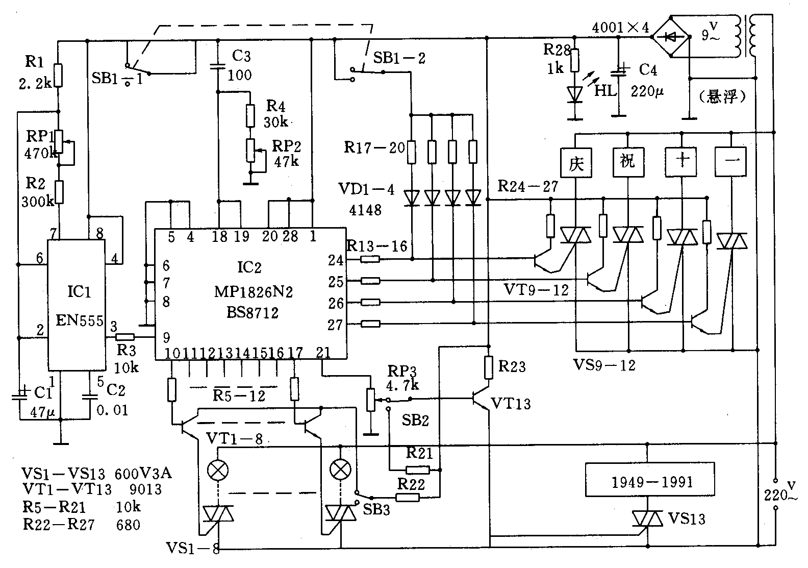
电路如图所示。通电后IC2的10-17脚从后到前、又从前到后轮番输出高电平,经VT放大后,触发导通可控硅VS1-8,驱动八路流水灯往返流动发光。24~27脚原受8脚控制,每触发一次动作一次,现将8脚接地,导致几秒后接连输出两组脉冲,经VS9~12带动大字灯光由前往后逐字流动发光一遍,而后四字同步亮灭五次,完成一个工作循环;21脚断续输出低频调制脉冲,经VS13放大后,驱动数字灯使之同步闪动发光。

时基电路IC1构成无稳电路与IC2同时工作。3脚在通电瞬间输出高电平,因R1阻值小、充电快,而迅速转为低电平;C1经RP1和R2缓慢放电,到IC2完成一个工作循环时正好结束,3脚又翻转为高电平,向IC2的9脚提供正向脉冲,电路瞬间清零并使字灯进入下一个工作循环。周而复始,持续不断。
为便于转换彩灯状态,适应不同需要,设外控开关SB1—SB3。若将SB1或SB2搬到下方,则大字灯或数字灯转由电源直接驱动,全部点亮不再闪动;在夜深人静时搬下SB3,流水灯熄灭而字灯仍可继续工作,保留适当气氛。通过开关交叉转换,能使彩灯交换出8种亮、灭、闪不同的工作状态,见附表,可随意选用。

彩灯内容和编组形式的变通范围较大,如大字灯用“欢度春节”数字灯可标年号、也可改为该年生肖属性的动物图形,如申年猴、酉年鸡等。流水灯也可改作8种不同的灯组轮流发光。既能装饰节日、晚会,又可更换内容作饭店、商场的招牌广告,可按实际需要灵活安排。悬空的22脚音频输出和23脚字灯前一位,还可机动利用。
调试时,RP2用于调节彩灯工作速度,因流水灯宜快、字灯宜慢,调试应两者兼顾。RP1用来调节字灯前后工作循环接续时间,过早过晚都会影响工作状态,调到大字灯一个工作循环结束后,IC1输出高电平脉冲立刻跟上为佳。为此须先调RP2,选定彩灯流动速度后再去调RP1(每循环在10-25秒范围内可调)。RP3用于调节数字灯发光亮度和最佳闪动状态。为便于调试及操作安全,可先断开负载,在IC2各输出端接发光管(串1KΩ电阻),只用9V电源供电,视发光管发光状态顺序调试,调好后再恢复电路试验。
元件选用:双向可控硅的通态电流应根据各路负载功率大小选用;由于工作时通断频繁,应使用正品并留一定余量;如用触发电流小于5mA的可控硅,还可省掉三级管,改由IC2输出端直接驱动(相应改变限流电阻值)。变压器为3W左右,其余元器件均按图中的要求选取。(钱承)