SC-C4B型数显式时钟控制器件是继SC-C1、C2、C3之后新近研制生产的一种新的产品。它以低功耗CMOS集成电路为核心,配合3位半液晶屏,具有标准时钟和定时控制功能。由于它具有独立设置“时”、“分”的功能,因此使得定时控制或报警时间的设置变得极为简单。其小巧的外形非常适合安装在各类需要定时自动控制或计时报警的电器产品上。
SC-C4B时钟控制器件的性能指标如下:
外形尺寸为38×20×8(mm);字屏视场为29×11(mm);字高为9(mm);显示方式为时、分,三位半液晶;电源为1.2-1.65V;功耗电流小于5μA;时间精度≤2秒/24小时;鸣闹特性为独立鸣闹端输出4096Hz、8Hz、1Hz音频信号,鸣闹时间1分钟,并有“SNOOZ”(反复闹钟)功能。控制特性为独立控制端输出,提供100μA驱动电流。其输出宽度为1分钟,幅度不小于1.4V的脉冲。
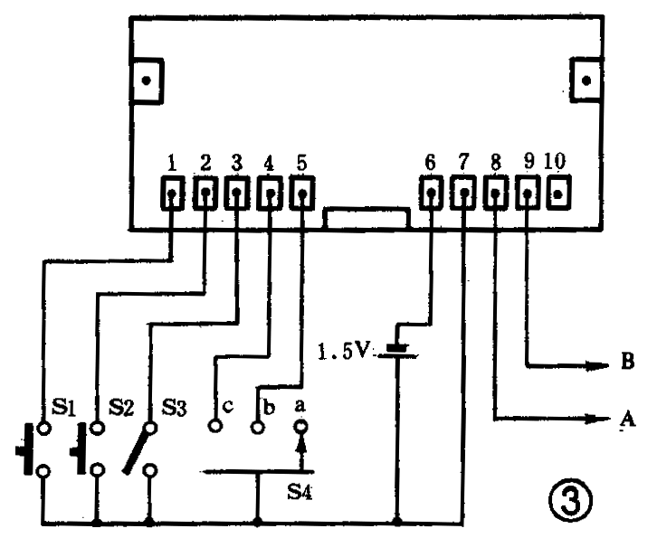
各接线端的名称及功能见附表。

现以典型的应用电路(见图3)将操作和应用简要说明如下:

平时将S4掷于a位,4、5两脚悬空,时间设置功能无效,此时屏面显示正常的走时时间,按下S1或S2可观察已被设定的定时时间。若要调校走钟时间,可将S4掷于b位,此时按动S2,可使时钟的小时数+1跳变,而按动S1则使时钟的分钟数+1跳变,并将秒位(不显示)置零。以上操作可将钟控器件的计时部分校准为当前时间。如果将S4掷于C位,则处于设置定时时间状态,此时使用S1和S2可分别改变定时时间的分钟和小时。定时时间到来,A端将输出一个控制脉冲。与此同时,B端输出一分钟的音频信号,将此信号适当放大后推动发生器,完成鸣闹报警功能。触发闭合S3,可停止鸣闹。常闭S3,可使定控和定闹功能失效。(林彤)

