一、北京牌8303型彩电 伴音正常、无图像、屏幕无静噪点,呈一片朦胧白亮板,顶部较亮,但亮度可调。
分析与检修:先断开视频信号通路(即R501一端),其故障现象没有变化,说明是光栅形成电路有问题。继续检查,发现场输出管Q306集电极供电电阻R325及R327均在冒烟,测其集电极电压为40V,比正常值60V偏低较多,同时Q306烫手,说明场扫描电路有故障,该电路见图1。Q306及R325、R327严重发热的原因有两个:一是无场激励信号,使Q306长时间处于导通状态;二是输出管Q306的负载回路有严重漏电或短路故障。测量激励管Q303的基极电位为0.1V,很像激励信号不足,焊开R333一端,IC301的7脚电位为0. 6V(正常),激励管Q303也良好,说明场输出电路的负载太重,仔细检查发现场输出电容C316严重漏电,换上新电容后,故障排除。(唐广徽)

二、北京牌8303型彩电 图像与彩色均正常,1~5频道伴音小,有阻塞失真现象,6~12频道伴音更小,阻塞失真更严重,无信号时,其静噪声的音量正常,并且控制自如。
分析与检修:检查电调谐高频头各脚电位,均正常,图像中放集成块IC101的⑤脚与⑥脚电位在无信号时均能保持平衡,没有失谐情况。根据其静噪声音量正常。说明高频头、图像中放、伴音低放及功放电路无问题,故可判断故障在伴音中放或鉴频电路中。
有关伴音电路如图2所示。测得IC601伴音中放的脚与脚电位均正常,C603无开路现象,其余各脚电位也基本正常,只有②脚与⑤脚电位比正常值偏低0.5V,故怀疑L602失调。将L602中的磁芯往里旋转约半圈,伴音音量明显增大,再用万用表监测IC601的②脚电位,调整L602的磁芯,使其电位上升到4V(正常值),这时故障排除。(唐广徽)

三、快乐20英寸彩电 开机出现“三无”(无光栅、无图像、无伴音)。
分析与检修:首先检查电源线插头,正常,再测整流后的电压,约为+300V,表明整流、滤波正常,故障在稳压电路或负载电路。
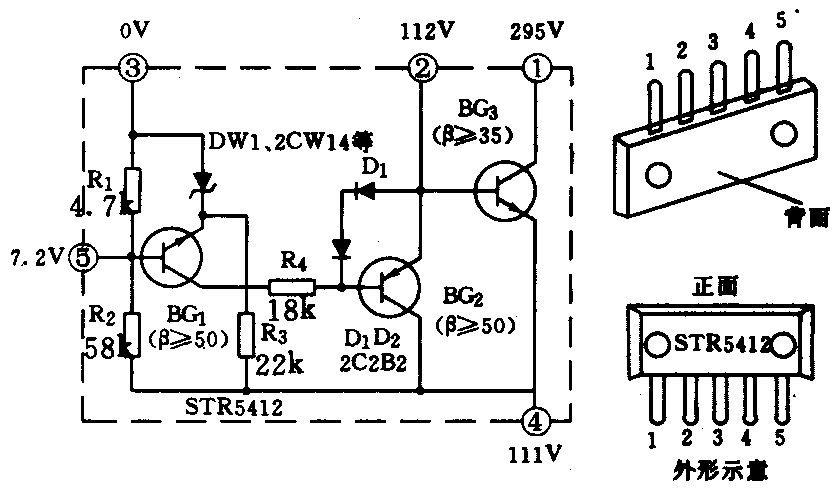
关机测量+B端对地电阻,正反向阻值均为4欧姆,正常时正向阻值为4千欧姆左右,反向阻值为6千欧姆,说明负载对地有短路之处。焊下行输出管Q405(2SD870),测量正常,该管内含阻尼二极管,在b、e极间有一个30欧姆的电阻,初学者不要误认为击穿。怀疑集成电路STR5412(Q804)的③、④脚击穿,焊下测量该块正常(该集成块内部结构见附图)。检查+112V输出出端的元件,发现二极管D811(RG2)击穿,在不知道该参数,又买不到该管的情况下,曾用二极管IN4005(该管工作电压为420V,电流为1A,反压为600V)换上,测+B端对地正反向阻值,正常,开机试验,光栅正常,但不到1分钟光栅消失,新换上的二极管被击穿。发现是IN4005的工作电流不够,换上一只IN5407(该管工作电压为800V,电流为3A,反压为560V,IN5404~IN5407均可),故障排除。(雍其明)
